Thông báo

Collapse
No announcement yet.

xin lược đồ nguồn TV Sam nguồn 5Q0765 ?

Collapse
X
 
  • Lọc
  • Giờ
  • Show
Clear All
new posts

  • xin lược đồ nguồn TV Sam nguồn 5Q0765 ?

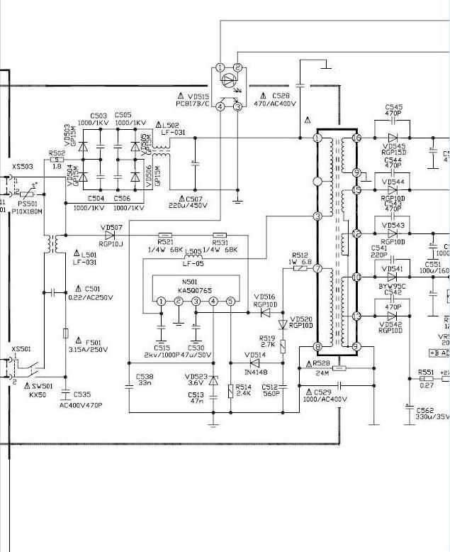
    máy sam bị cháy điện trở R515 nguồn 5q0765 cần anh em giúp đỡ.

  • #2
    Mình ko có sơ đồ sam chỉ tcl thôi bạn xem có giúp được gì ko nhé
    Attached Files


    ĐT:0937037050

    Comment


    • #3
      Nguyên văn bởi nguyentan Xem bài viết
      máy sam bị cháy điện trở R515 nguồn 5q0765 cần anh em giúp đỡ.
      bạn ơi bạn nói rõ model máy đi. mình mới rã 1 em X8. mạch ko có R515
      Chỉ có thể là tương đối


      yh: hoangondesign

      Comment


      • #4
        Bạn nói xem nó ở vị trí nào,tac dụng của nó.
        Bạn thử cái này nhé
        Attached Files
        Phương -Hải Dương
        Email:
        Fb

        Comment


        • #5
          Nguyên văn bởi phuongdt_hd Xem bài viết
          Bạn nói xem nó ở vị trí nào,tac dụng của nó.
          Bạn thử cái này nhé
          mạch nầy ko có R515 đâu. nếu có nó nằm ở chân số 3 cũa 0765
          Chỉ có thể là tương đối


          yh: hoangondesign

          Comment


          • #6
            Nguyên văn bởi h_son Xem bài viết
            mạch nầy ko có R515 đâu. nếu có nó nằm ở chân số 3 cũa 0765
            Hay nó ở phần thứ cấp nhỉ,mình cũng chỉ lấy sơ đồ này trên diễn đàn của AE thôi
            Phương -Hải Dương
            Email:
            Fb

            Comment


            • #7
              Nguyên văn bởi nguyentan Xem bài viết
              máy sam bị cháy điện trở R515 nguồn 5q0765 cần anh em giúp đỡ.
              có phải R nầy là đường Starup ko ? hây là Rhồi tiếp từ biến thế xung ???
              Chỉ có thể là tương đối


              yh: hoangondesign

              Comment


              • #8
                Nguyên văn bởi nguyentan Xem bài viết
                máy sam bị cháy điện trở R515 nguồn 5q0765 cần anh em giúp đỡ.
                nguồn 5Q 0765 nầy dễ chịu lắm, nếu cần bạn cứ cãi tạo lại cũng tốt BT. chỉ sợ CQ 0765 thôi. nhưng vẫn làm dc
                Chỉ có thể là tương đối


                yh: hoangondesign

                Comment


                • #9
                  mình đâu thấy có con trở R515 nào đâu????????????

                  Comment


                  • #10
                    xin lỗi mình nhầm tưởng SAMSUNG té ra là SAM.Chính xác đây R515=2,4k

                    Comment


                    • #11
                      mình sửa xong rồi R515 =2.4k . thanks anh em nhìu .

                      Comment


                      • #12
                        xin cho mình sơ đồ nguồn này đi , hay cho mình thông số lk cũng được : R 512, 515 , 526 , 513 và D 514, D515 , và cuối cùng là V513 xin cám ơn !

                        Comment


                        • #13
                          Nguyên văn bởi daoquangsu Xem bài viết
                          mình đâu thấy có con trở R515 nào đâu????????????
                          sơ dồ này vẽ opto bị ngược thì phải?dò sai đưa về vào chân 1,2 của optô mới đúng chứ!

                          Comment


                          • #14
                            ae oi cho em xin so do
                            do tivi sam

                            Comment


                            • #15
                              Chỉ có r514 nối với chân cạnh v515 là 33k thui, mình cũng đang gặp pan, bật máy sò chạy rồi ngắt luôn, pac nào có thể jup đỡ mình với, thanks!

                              Comment

                              Về tác giả

                              Collapse

                              nguyentan Tìm hiểu thêm về nguyentan

                              Bài viết mới nhất

                              Collapse

                              Đang tải...
                              X