Em cần thiết kế bộ nguồn một chiều cho ra nhiều mức điện áp ±5V,±9V.±12V và điều chỉnh mức điện áp từ 0 -> 24V (1A). Các anh/chị pro giúp em với, em mới học được hơn tháng, chưa biết gì hết. em cảm ơn trước ạ.
Thông báo
Collapse
No announcement yet.
Thiết kế bộ nguồn một chiều nhiều mức điện áp
Collapse
X
-
nguồn đố xứng thì bạn dùng ic họ 78 ổn định điện áp dương,họ 79 để ổn định điện áp âm.Nguyên văn bởi simple270494 Xem bài viếtEm cần thiết kế bộ nguồn một chiều cho ra nhiều mức điện áp ±5V,±9V.±12V và điều chỉnh mức điện áp từ 0 -> 24V (1A). Các anh/chị pro giúp em với, em mới học được hơn tháng, chưa biết gì hết. em cảm ơn trước ạ.
để làm được bộ nguồn này cặp ic này dễ đơn giản nhất , giá rẻ. chưa đến chục ngàn 1 cặp,
cái này trước hết bạn phải có cục biến áp có nguồn đối xứng 12v 0v 12v ở cuộn thứ cấp .
muốn có mức điện áp ±5V thì dùng cặp ic 7805 và 7905 .đầu vào dùng nguồn đối xứng 12v, 12v
muôn có mưc điẹn áp +-9v thì dùng cặp ic 7809 và 7909 .đầu vào dùng nguồn đối xứng 12v, 12v
tương tự +-12 thì dùng 7812 và 7912 .đầu vào dùng nguồn đối xứng 12v, 12v
sơ đồ mạch bên dưới.
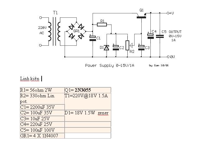
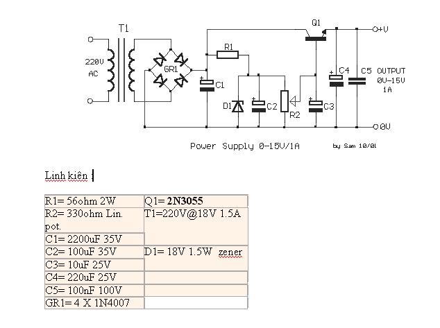
còn điều chỉnh từ 1,2v-24v thì dùng Lm317. dung nguồn 24v. R1 dùng biến trở tinh chỉnh 102 chỉnh vể khoảng 550 ôm, R2 dùng biến trở 10k đưa ra ngoài để điều chỉnh điện áp mong muốn từ 0-24v.
sơ đồ kèm theo
còn nếu cần chính xác từ 0-24 thì dùng mạch này, thay con đi ốt ổn áp 24v vào.Last edited by caonhan_2004; 18-11-2012, 19:00.
Bài viết mới nhất
Collapse
-
Trả lời cho Xin tài liệu điều khiển động cơ DCbởi truy cậpCan you share one for the bldc motor?...
-
Channel: Điện tử công nghiệp
Hôm qua, 16:27 -
-
bởi EbeleChào mọi người. Hệ thống CNC của tôi điều khiển tốc độ của biến tần thông qua tín hiệu đầu vào analog 0-10V. Khi chương trình dừng lại, điện áp được cấp là 0V, nhưng trục chính vẫn quay chậm ở tốc độ khoảng 30 vòng/phút.
Khi sử dụng đồng...-
Channel: Điện tử dành cho người mới bắt đầu
Hôm qua, 14:17 -
-
Trả lời cho Yêu thơ mê nhạc, mời các bác vào đây!bởi dinhthuong92Giờ AI phát triển, thậm chí bảng cửu chương chúng còn học thuộc sơ sơ nửa là học mấy cái đó, khi mà yêu cầu cái là nó xuất ra đẹp, hay hơn mình làm nhiều!!!
Cháu tiếc thời cháu không được học nhạc, tới cấp 2 học về điện...-
Channel: Tâm tình dân kỹ thuật
19-05-2026, 13:21 -
-
bởi DomitilaXin lỗi vì đã làm phiền, tôi có một câu hỏi dành cho mọi người.
Tôi đang sử dụng công tắc tiệm cận để chuyển mạch giới hạn trên thiết bị của mình. Mỗi khi động cơ bước được kích hoạt, tín hiệu của công tắc nhảy lung tung, ngay cả khi động cơ không quay.
...-
Channel: Điện tử công suất
18-05-2026, 13:02 -
-
Trả lời cho Thắc mắc pin 21v ?bởi mèomướpDạ áp sạc như vậy là đúng rồi ạ. Pin li ion mật độ điện cao và dễ cháy nổ khi mạch bảo vệ lỗi. Chú muốn an toàn thì dùng pin sắt li fe ạ, hoặc mới hơn là pin natri. Tuy nhiên loại này to nặng, dòng xả thấp hơn nên ko phù hợp cho dụng cụ cầm tay ạ...
-
Channel: Điện tử dành cho người mới bắt đầu
17-05-2026, 19:29 -
-
bởi trung30000Các bác cho em hỏi pin 21 volt, 5s , khi sạc đầy cục sạc chuyển màu xanh, em đo điện áp khi đầy là 21.05 v, như vậy có nguy hiểm đến pin không các bác, vì mỗi Cell pin chỉ chịu tối đa được 4.2v,
-tại sao nhà sản xuất không thiết kế cục sạc khi đầy chỉ 20v để bảo vệ pin .-
Channel: Điện tử dành cho người mới bắt đầu
17-05-2026, 10:51 -
-
Trả lời cho Yêu thơ mê nhạc, mời các bác vào đây!bởi vi van phamCảm ơn cháu đã bỏ chút thời gian vàng ngọc xem ông già gần 80 tuổi kể hối ký chuyện tình cùa mình. Những chương trình học hồi lớp 6 ( đệ thất) và lớp 7 ( đệ luc) học họa và nhạc sau này đã giúp đỡ tôi rất nhiều trong việc tìm...
-
Channel: Tâm tình dân kỹ thuật
16-05-2026, 22:15 -
-
Trả lời cho Yêu thơ mê nhạc, mời các bác vào đây!bởi dinhthuong92Chúc mừng bác có cuộc tình rất lãng mạn, cuộc hôn nhân gắn bó dài lâu nhé!...
-
Channel: Tâm tình dân kỹ thuật
16-05-2026, 13:49 -
-
Trả lời cho Yêu thơ mê nhạc, mời các bác vào đây!bởi vi van phamHôn nhân của tôi dường như có bàn tay sắp đặt của ông tơ, bà nguyệt. Bà xả nói tôi viết hồi ký duyên số này. Tôi đã viết vào tập 100 trang học sinh. Sau 50 năm lật tới, lật lui xem quyển hối ký có nơi rách nát. Tôi viết lại bằng AI, giọng đọc VBBe, ca sĩ hát là là Synthesizer V.
...-
Channel: Tâm tình dân kỹ thuật
15-05-2026, 14:18 -

Comment