Thông báo

Collapse
No announcement yet.

Dùng mạch boost một BJT/Mosfet nâng áp 12V lên 300V

Collapse
X
 
  • Lọc
  • Giờ
  • Show
Clear All
new posts

  • #16
    Nguyên văn bởi vandong1111 Xem bài viết
    Cháu có 1 cái mạch tăng áp nhỏ nhỏ để chạy router lúc mất điện, cháu dùng mạch Royer. Router ở nhiều phòng cách xa 5v, 12v, với poe 24V nên dùng nguồn trực tiếp từ pin rất loằng ngoằng, 1 nguồn cao áp là đủ, thi thoảng sạc ké điện thoại nữa.

    Cháu đo được thế này

    Vào 1.263A 12.21Vdc
    Ra 0.075A 183Vdc

    Hiệu suất ~89%
    Dòng không tải 55mA ở 12.21Vdc ~0.7W

    Nhưng có 1 cái khó chịu là điện áp ra nó trồi sụt, cháu muốn chuyển qua dùng mạch flyback để dễ có phần tiếp, tận dụng mạch boost như của chú dinhthuong rồi quấn thêm cuộn thứ cấp thì hiệu suất với dòng không tải có đạt được như kia không ạ
    Mạch Royer thì cũng làm ổn áp được chứ! Bạn thử quấn tỉ lệ sao cho max output 300V chả hạn, rồi dùng zenner/cầu chia thế lấy mẫu đưa vào một BJT để khóa con BJT dao động. Thế là không tải nó chỉ max 200V chả hạn, tải cao nó sẽ chạy công suất cao hơn để bù vì chưa bị khóa (vd 300V khi khi có tải cao thì giảm còn 250V, nó sẽ khóa dđ ngay khi 200V rồi)

    Hiệu suất mạch đó chắc không được tới 89% đâu, loanh quanh 80% là cùng. Phải đo bằng 2 VOM độ chính xác như nhau cùng một lúc mới tính chích xác được.

    Mạch boost như trên thớt thì chỉ 80-84% thôi, mình test bằng máy chuyên dụng. Đã qua 2 lần chuyển đổi thì khó giữ hiệu suất. 2 thằng cao 90% mới được 81% mà!

    Comment


    • #17
      Nguyên văn bởi dinhthuong80 Xem bài viết

      Mạch Royer thì cũng làm ổn áp được chứ! Bạn thử quấn tỉ lệ sao cho max output 300V chả hạn, rồi dùng zenner/cầu chia thế lấy mẫu đưa vào một BJT để khóa con BJT dao động. Thế là không tải nó chỉ max 200V chả hạn, tải cao nó sẽ chạy công suất cao hơn để bù vì chưa bị khóa (vd 300V khi khi có tải cao thì giảm còn 250V, nó sẽ khóa dđ ngay khi 200V rồi)

      Hiệu suất mạch đó chắc không được tới 89% đâu, loanh quanh 80% là cùng. Phải đo bằng 2 VOM độ chính xác như nhau cùng một lúc mới tính chích xác được.

      Mạch boost như trên thớt thì chỉ 80-84% thôi, mình test bằng máy chuyên dụng. Đã qua 2 lần chuyển đổi thì khó giữ hiệu suất. 2 thằng cao 90% mới được 81% mà!
      Sặc chú vẫn nhập nhằng mạch Royer như thớt cũ quá, mạch Royer trong cái đèn ống của chú là nó ép bjt chạy hết sức nên hiệu suất không cao thôi, để mạch Royer chạy thong thả thì hiệu suất cao cực kỳ, dễ dàng đến mức không tưởng khi so với có IC điều khiển.

      Chú chưa rõ mạch Royer khi bảo ổn áp bằng khóa bjt dao động, cháu gà nên không giải thích hợp lý được nhưng mà trần đời mạch Royer không ai làm thế thì phải có lý do, cháu nghĩ nôm na do tính chất cộng hưởng của cái khối đó nên người ta hạn chế đụng vào, ở mấy link trong thớt cũ cháu thấy họ dùng thêm mosfet ngoài để cấp dòng vào cho cả khối

      Comment


      • #18
        bác vandong1111 cứ thử xem mới biết được, công suất nhỏ điện áp cao và dòng thấp thì hiệu suất cao là rất khả thi, thấy nhiều mạch ra 3A mà hiệu suất còn đạt trên 90%. Trong các dạng DC-DC thì có lẽ Buck-Boost là có hiệu suất cao nhất.

        Thiết nghĩ ưu điểm lớn nhất của mạch Royer là chuyển mạch mềm mà không cần phải điều khiển phức tạp thì tội tình gì mà mình phải can thiệp chi cho mất vui, và nhược điểm thì các bác cũng đã biết. Tùy vào ứng dụng mà mình xài thôi ạ.

        Comment


        • #19
          Nguyên văn bởi ti500 Xem bài viết

          Đúng là các dạng mạch này thì xưa như trái dưa của cụ Mai An Tiêm rồi nên không phải bàn cãi nhiều. Vấn đề ở đây chỉ là giải pháp mình phải đưa ra trong tình thế bắt buộc cụ thể mà thôi.

          Mạch của bác trthnguyen là dạng Sepic cũng vẫn boost được lên áp cao như các mạch dùng 1 cuộn thông thường, tình huống của bác dinhthuong80 đưa ra là áp đưa ra phải cao hơn áp chịu đựng tối đa của khóa bán dẫn theo mạch có sẵn mà không thêm linh kiện nào khác. Điều này thì Sepic không thỏa mãn được.
          Không phải Sepic bạn nhé, vì Sepic dùng 2 cuộn cảm riêng biệt và không có liên quan từ thông với nhau, còn mạch của mình là 2 cuộn quấn chung trên 1 lõi (biến áp), và như thế hoàn toàn đáp ứng yêu cầu bác chủ thớt, nhìn sơ đồ của nó cũng giống như 1/2 của mạch inverter thôi mà, mà inverter cho ra 400VDC mà con IRF3205 chịu áp 55V chẳng sao hết

          Attached Files

          Comment


          • #20
            Nguyên văn bởi trthnguyen Xem bài viết

            Không phải Sepic bạn nhé, vì Sepic dùng 2 cuộn cảm riêng biệt và không có liên quan từ thông với nhau, còn mạch của mình là 2 cuộn quấn chung trên 1 lõi (biến áp), và như thế hoàn toàn đáp ứng yêu cầu bác chủ thớt, nhìn sơ đồ của nó cũng giống như 1/2 của mạch inverter thôi mà, mà inverter cho ra 400VDC mà con IRF3205 chịu áp 55V chẳng sao hết
            Đúng cái cháu đang nghĩ ạ, cháu dùng mạch flyback nhưng mà cháu đang lăn tăn cuộn thứ cấp ba bốn trăm V thì diode chịu nổi điện áp ngược không, cháu dùng cho mạch công suất nhỏ tí nên không muốn thêm snubber, cháu lấy cái mạch royer cổ xưa làm chuẩn, thêm snubber thì dòng không tải 55mA có vẻ khó

            Comment


            • #21
              Nguyên văn bởi trthnguyen Xem bài viết

              Không phải Sepic bạn nhé, vì Sepic dùng 2 cuộn cảm riêng biệt và không có liên quan từ thông với nhau, còn mạch của mình là 2 cuộn quấn chung trên 1 lõi (biến áp), và như thế hoàn toàn đáp ứng yêu cầu bác chủ thớt, nhìn sơ đồ của nó cũng giống như 1/2 của mạch inverter thôi mà, mà inverter cho ra 400VDC mà con IRF3205 chịu áp 55V chẳng sao hết
              Bác có gửi nhầm ảnh không, vì ảnh này là flyback chứ đâu phải buck-boost-sepic gì đâu ạ. FLyback thì lại là chuyện khác rùi.

              Sepic nguyên thủy thì đúng là nó dùng 2 cuộn cảm riêng biệt nhưng mạch cải tiến dùng coupled inductor cũng vẫn chạy như thường. Ưu điểm khi xài cảm ghép thì chỉ cần điện cảm có giá trị một nửa của từng cái riêng rẽ cho cùng 1 độ gợn dòng. Bác cập nhật hộ em vụ này.

              Bo mạch ở hình #4 mà bác đưa là loại Sepic cải tiến đấy ạ, bác thấy cái tụ nhỏ gần FET á, đó là tụ ghép của Sepic ấy ạ.

              Comment


              • #22
                Nguyên văn bởi trthnguyen Xem bài viết

                Không phải Sepic bạn nhé, vì Sepic dùng 2 cuộn cảm riêng biệt và không có liên quan từ thông với nhau, còn mạch của mình là 2 cuộn quấn chung trên 1 lõi (biến áp), và như thế hoàn toàn đáp ứng yêu cầu bác chủ thớt, nhìn sơ đồ của nó cũng giống như 1/2 của mạch inverter thôi mà, mà inverter cho ra 400VDC mà con IRF3205 chịu áp 55V chẳng sao hết
                Bạn còn cái mạch ở #4 không, xem vẽ lại mạc coi nó thuộc dạng nào!

                Comment


                • #23
                  Nguyên văn bởi vandong1111 Xem bài viết

                  Sặc chú vẫn nhập nhằng mạch Royer như thớt cũ quá, mạch Royer trong cái đèn ống của chú là nó ép bjt chạy hết sức nên hiệu suất không cao thôi, để mạch Royer chạy thong thả thì hiệu suất cao cực kỳ, dễ dàng đến mức không tưởng khi so với có IC điều khiển.

                  Chú chưa rõ mạch Royer khi bảo ổn áp bằng khóa bjt dao động, cháu gà nên không giải thích hợp lý được nhưng mà trần đời mạch Royer không ai làm thế thì phải có lý do, cháu nghĩ nôm na do tính chất cộng hưởng của cái khối đó nên người ta hạn chế đụng vào, ở mấy link trong thớt cũ cháu thấy họ dùng thêm mosfet ngoài để cấp dòng vào cho cả khối
                  Không biết mạch bạn loại 2 vế hay 1 vế?

                  Tôi thử với mạch BAXANDALL, là mạch cải tiến của ROYER thì cũng giới hạn áp ra được, chỉ có điều áp kho67ng tải thì cao hơn lí thuyết khá nhiều, khi có tải thì ok.
                  Tôi cũng từng thử giới hạn dòng điện ra trong mạch dđ nghẹt 1 BJT bằng 1 con BJT, thì đương nhiên cũng sẽ giới hạn áp ra được.

                  Chỉ có hiệu suất thì cái mạch BAXANDALL nguyên thủy của đèn tube rất thấp, chạy 6V/7W ra thì 63%, 5V/7W ra thì được 73%.
                  Bạn cho tôi sơ đồ của bạn, để thử làm xem hiệu suất cao không nhé.

                  Comment


                  • #24
                    Nguyên văn bởi ti500 Xem bài viết

                    Bác có gửi nhầm ảnh không, vì ảnh này là flyback chứ đâu phải buck-boost-sepic gì đâu ạ. FLyback thì lại là chuyện khác rùi.

                    Sepic nguyên thủy thì đúng là nó dùng 2 cuộn cảm riêng biệt nhưng mạch cải tiến dùng coupled inductor cũng vẫn chạy như thường. Ưu điểm khi xài cảm ghép thì chỉ cần điện cảm có giá trị một nửa của từng cái riêng rẽ cho cùng 1 độ gợn dòng. Bác cập nhật hộ em vụ này.

                    Bo mạch ở hình #4 mà bác đưa là loại Sepic cải tiến đấy ạ, bác thấy cái tụ nhỏ gần FET á, đó là tụ ghép của Sepic ấy ạ.
                    À thì mình nghĩ cái mạch của mình là flyback mà vì k để ý cái tụ bạn nói, chắc lúc nào phải xem lại ngay trên mạch thật

                    Comment


                    • #25
                      Nguyên văn bởi dinhthuong80 Xem bài viết

                      Bạn còn cái mạch ở #4 không, xem vẽ lại mạc coi nó thuộc dạng nào!
                      Nó hỏng nên e cất vào kho, chắc phải tìm lại

                      Comment


                      • #26
                        Nguyên văn bởi dinhthuong80 Xem bài viết

                        Không biết mạch bạn loại 2 vế hay 1 vế?

                        Tôi thử với mạch BAXANDALL, là mạch cải tiến của ROYER thì cũng giới hạn áp ra được, chỉ có điều áp kho67ng tải thì cao hơn lí thuyết khá nhiều, khi có tải thì ok.
                        Tôi cũng từng thử giới hạn dòng điện ra trong mạch dđ nghẹt 1 BJT bằng 1 con BJT, thì đương nhiên cũng sẽ giới hạn áp ra được.

                        Chỉ có hiệu suất thì cái mạch BAXANDALL nguyên thủy của đèn tube rất thấp, chạy 6V/7W ra thì 63%, 5V/7W ra thì được 73%.
                        Bạn cho tôi sơ đồ của bạn, để thử làm xem hiệu suất cao không nhé.

                        Chính là cái mạch cháu chụp ở thớt cũ ấy ạ, cháu gà nên cháu mua mạch sẵn, mạch giống hệt chú vẽ luôn, nó dùng 2 con A1880, chú thắc mắc thì đi cãi nhau với bọn Tàu đi ạ, hiệu suất nó cao thì cháu biết thế, chú cứ bắt nó thấp thì cháu biết sao được ạ

                        Cháu lạy chú, mạch này người ta không giới hạn điện áp bằng cách bóp mũi bjt mà chú cứ nằng nặc bóp mũi nó thì cháu cũng không biết




                        Click image for larger version  Name:	dn164f_fig.1.jpg Views:	0 Size:	60.7 KB ID:	1729273
                        Hay như ở đây ạ, nhìn còn vô lý hơn, tự dưng van công suất cho BA lại dùng bjt mà không dùng mosfet, trong khi lại dùng 1 con mosfet to đùng phía dưới

                        https://www.analog.com/jp/technical-...-lifetime.html

                        Comment


                        • #27
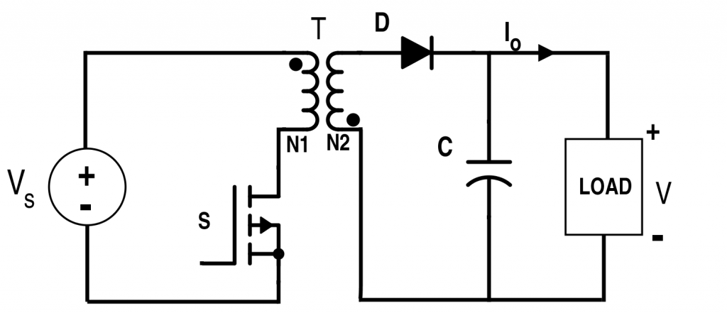
                          Nguyên văn bởi dinhthuong80 Xem bài viết
                          Click image for larger version

Name:	tang áp.jpg
Views:	6715
Size:	65.3 KB
ID:	1729169
                          Như hình, theo các bạn, cần đấu nối cuộn dây số 2 ra sao ( chỉnh mạch ra sao) để có thể nâng điện áp ra theo yêu cầu? Lưu ý; khi chưa có tải trực tiếp tại Vo thì dẫu có chỉnh lưu cuộn L2 cũng không có áp bao nhiêu
                          minh đã từng thử cái dụ này, thay đổi cuộn L2 theo kiểu gì hoặc mấy vòng cũng không chạy, nhưng mà gắn một tụ pump thì nó chạy với khuyết đại áp Ok nhưng mà hiệu suất thấy thấp hơn tạo ra sóng hài rất nhiều nhá, nếu dùng cho những thiết bị analog thì nó nhiễu thôi rồi

                          mình hay dùng 2 cuộn cảm nữa để convert mạch boost ra nguồn đối xứng chạy cho mấy cái ampli phải lọc kỹ nhưng mà đc cái hay vừa nâng đc áp lên vừa tạo ra đc nguồn đối xứng, hiệu xuất tương đối chấp nhận đc

                          mạch bác Trthnguyen đưa là mạch cả buck vs boost mà

                          Comment


                          • #28
                            Nguyên văn bởi lris41 Xem bài viết

                            minh đã từng thử cái dụ này, thay đổi cuộn L2 theo kiểu gì hoặc mấy vòng cũng không chạy, nhưng mà gắn một tụ pump thì nó chạy với khuyết đại áp Ok nhưng mà hiệu suất thấy thấp hơn tạo ra sóng hài rất nhiều nhá, nếu dùng cho những thiết bị analog thì nó nhiễu thôi rồi

                            mình hay dùng 2 cuộn cảm nữa để convert mạch boost ra nguồn đối xứng chạy cho mấy cái ampli phải lọc kỹ nhưng mà đc cái hay vừa nâng đc áp lên vừa tạo ra đc nguồn đối xứng, hiệu xuất tương đối chấp nhận đc

                            mạch bác Trthnguyen đưa là mạch cả buck vs boost mà
                            Mình đã gắn như này, vì diode xung 200V nên không dám tăng áp cao hơn.

                            Click image for larger version

Name:	tang áp.jpg
Views:	3699
Size:	43.2 KB
ID:	1729280

                            Comment


                            • #29
                              Nguyên văn bởi vandong1111 Xem bài viết


                              Chính là cái mạch cháu chụp ở thớt cũ ấy ạ, cháu gà nên cháu mua mạch sẵn, mạch giống hệt chú vẽ luôn, nó dùng 2 con A1880, chú thắc mắc thì đi cãi nhau với bọn Tàu đi ạ, hiệu suất nó cao thì cháu biết thế, chú cứ bắt nó thấp thì cháu biết sao được ạ

                              Cháu lạy chú, mạch này người ta không giới hạn điện áp bằng cách bóp mũi bjt mà chú cứ nằng nặc bóp mũi nó thì cháu cũng không biết




                              Hay như ở đây ạ, nhìn còn vô lý hơn, tự dưng van công suất cho BA lại dùng bjt mà không dùng mosfet, trong khi lại dùng 1 con mosfet to đùng phía dưới

                              https://www.analog.com/jp/technical-...-lifetime.html
                              Thì thấy bạn nói "Chú chưa rõ mạch Royer khi bảo ổn áp bằng khóa bjt dao động", cứ tưởng là loại mạch đó thì không thể ồn áp được nên thử thôi mà!!!!

                              Còn cái link, nó hiện khung chữ Nhật gì đấy, không dám click vào, sợ virus nên không xem được, tiếc!!!

                              Comment


                              • #30
                                Nguyên văn bởi dinhthuong80 Xem bài viết

                                Mình đã gắn như này, vì diode xung 200V nên không dám tăng áp cao hơn.

                                Click image for larger version

Name:	tang áp.jpg
Views:	3699
Size:	43.2 KB
ID:	1729280
                                nối tiếp 2 con diode xung lại

                                Comment

                                Về tác giả

                                Collapse

                                dinhthuong80 Tìm hiểu thêm về dinhthuong80

                                Bài viết mới nhất

                                Collapse

                                Đang tải...
                                X