Thông báo

Collapse
No announcement yet.

Cần giúp tìm mấy linh kiện trong Orcad

Collapse
X
 
  • Lọc
  • Giờ
  • Show
Clear All
new posts

  • Cần giúp tìm mấy linh kiện trong Orcad

    Mình mới học vẽ orcad nhưng nhiều linh kiện ko biết tìm thế nào mong mọi người chỉ giúp.
    Click image for larger version

Name:	orcad.jpg
Views:	1
Size:	105.1 KB
ID:	1419217

    Trong ảnh là một phần mạch mình cần vẽ. Linh kiện mũi tên 1 chỉ vào thì mình chỉ tìm được cái xuôi tức là cái bên phải ấy, còn cái mũi tên chỉ vào thì lại ngược lại nên ko biết làm sao cả. (Chế lại thì trong orcad chỉ cho di chuyển 1 đoạn cố định, ko di chuyển tự do kiểu muốn đặt đâu thì đặt nên mình ko chế lại đc)
    Còn linh kiện mũi tên 2 cũng ko biết làm sao vẽ được ra cái đó nữa.
    Ai có thư viện có 2 linh kiện trên cho mình xin với !
    Thanks

  • #2
    -bạn add tất cả thư viện vào cho nó
    - lk1: gõ từ khóa: "opto"
    - lk2: gõ: fuse
    Học Điện Tử - Learn Electronic

    Comment


    • #3
      mình thì lúc trước củng hay tìm không ra như bạn nhưng sau đó mình tự vẽ luôn cho mình một cái thư viện những con mình cần dùng, khi cần chỉ lôi ra xài thôi
      Khoa học công nghệ mới là chìa khóa của sự phát triển!

      Comment


      • #4
        Up bài này lên và cho mình hỏi thêm câu nữa vì ko muốn lập thêm topic mới.
        Thầy mình có đưa yêu cầu vẽ layout cho mạch nguyên lí đưa sẵn.
        Trong mạch đó có từng phần và chân linh kiện thì có những chân ko kết nối vs cái gì cả. (có hai chân cùng tên nhưng nối vs nhau sẽ làm mạch rất rắc rối)
        Nhưng khi mình kiểm tra nó báo lỗi là net has fewer than two connention.
        Vậy cho mình hỏi phải làm sao trong trường hợp này, nối vào thì tất nhiên ko báo lỗi nhưng lại rất rối mạch, còn ko nối thì báo lỗi.
        Cụ thể là con IC này có nhiều chân nối với nhiều phần khác trong mạch nữa. Mình mà nối hết chắc nhìn dây thấy choáng luôn.
        Click image for larger version

Name:	Untitled.png
Views:	1
Size:	39.0 KB
ID:	1387646

        Comment


        • #5
          tiện đây các bác cho em hỏi là làm thể nào mà tìm được các con led UF4004, EGP20D, EGP30D, SB560, SB540 và con FDS loại DM07652R, con Line Filter(33mH) trong Orcad đươc nhỉ? nếu bác nào có thư viện mấy con trên thì cho em xin

          Comment


          • #6
            Nguyên văn bởi vundbka Xem bài viết
            tiện đây các bác cho em hỏi là làm thể nào mà tìm được các con led UF4004, EGP20D, EGP30D, SB560, SB540 và con FDS loại DM07652R, con Line Filter(33mH) trong Orcad đươc nhỉ? nếu bác nào có thư viện mấy con trên thì cho em xin
            mấy con đầu search nó là diode mà thì cứ lấy hình dáng 1 con diode bất kỳ thôi, nó chuẩn rồi
            Học Điện Tử - Learn Electronic

            Comment


            • #7
              Nguyên văn bởi vanhai0303 Xem bài viết
              -bạn add tất cả thư viện vào cho nó
              - lk1: gõ từ khóa: "opto"
              - lk2: gõ: fuse
              Cám ơn bạn nha
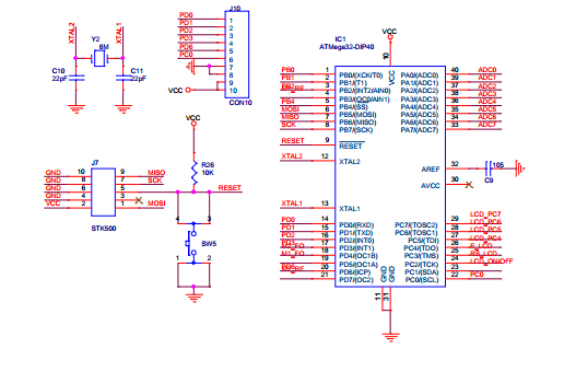
              mình đang cần mấy cái này( chẳng biết gọi tên thế nào nữa)

              Comment

              Về tác giả

              Collapse

              luckystar117 Tìm hiểu thêm về luckystar117

              Bài viết mới nhất

              Collapse

              Đang tải...
              X