Trong chương trình học của mình chia làm 4 kì, tới kì 2 mới học 8051 còn kì 1 lại thực hành trên bộ kit chủ yếu dùng tới chip EP2C8Q208C8 của ALTERA, mình có tìm qua các tài liệu trên mạng nhưng đọc không hiểu nhìu lắm.Nhưng thấy ứng dụng con chip này vào việc học tập rất hiệu quả cho những ai muốn bắt đầu tìm tòi về kĩ thuật điện tử và vi điều khiển mà không có thời gian làm mạch in và tìm linh kiện. Các cao thủ có thể chỉ giáo cho mình về loai chip này được không?
(đang định làm đề tài về cái này !)
PS:vài bức ảnh về bộ kit và cách sử dụng

chon linh kien va ket noi su dung chuong trinh Quartus II

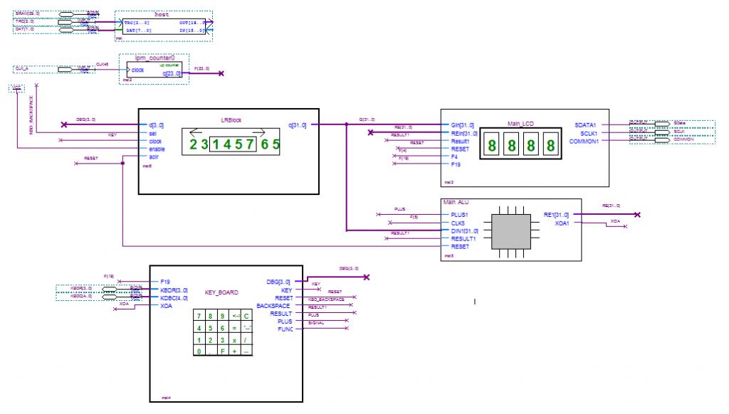
ví dụ về bài tập kì này của mình

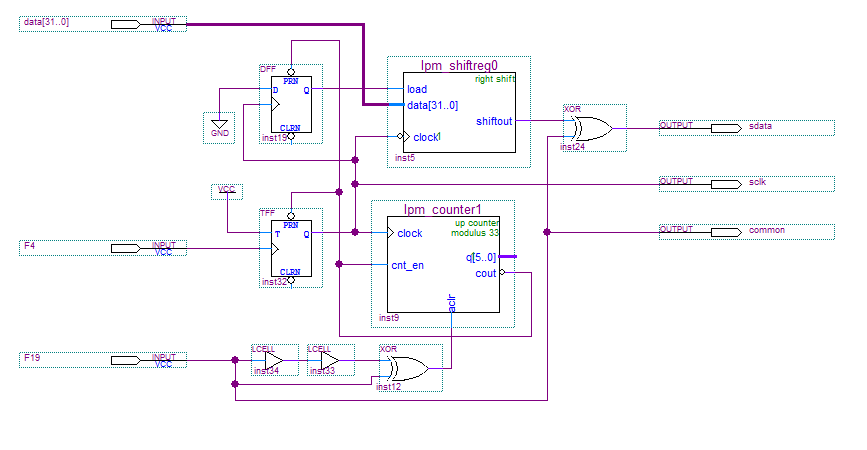
bên trong khối Main LCD

và khối LCD out

Rất mong các bạn chia sẻ và cùng tìm hiểu
(đang định làm đề tài về cái này !)PS:vài bức ảnh về bộ kit và cách sử dụng
chon linh kien va ket noi su dung chuong trinh Quartus II
ví dụ về bài tập kì này của mình
bên trong khối Main LCD
và khối LCD out
Rất mong các bạn chia sẻ và cùng tìm hiểu

Comment