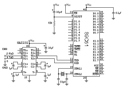
Dưới đây là sơ đồ ghép nối mạch giao tiếp giữa vi điều khiển và PC trong một số ứng dụng đo lường và điều khiển dùng máy tính
Thông báo
Collapse
No announcement yet.
Mạch giao tiếp giữa vi điều khiển và PC dùng Max232
Collapse
X
-
Giao tiếp vi xử lý với PC
Bạn phải xem kĩ datasheet của từng con để configure cho đúng, tôi gửi một đoạn code viết bằng CCS C Compiler, ví dụ dùng với PIC 16F876A:
#include <16F876A.h>
#use DELAY(CLOCK=20000000)
#fuses HS,NOWDT,NOPROTECT,NOLVP
#use rs232(baud=9600,xmit=PIN_C6,rcv=PIN_C7)
void main(void)
{
unsigned char recd;
while(1)
{
while(!kbhit());
recd=getchar();
if(recd==1)
{
putchar(100);
}
if(recd==2)
{
putchar(200);
}
}
}
Bạn chỉ cần lưu ý dòng in đậm là đủ.
Chương trình này chờ nhận 1 byte từ PC gửi xuống, sau đó gửi trả lại đáp ứng. Bạn viết 1 CT đơn giản dùng Visual Basic hoặc VC++ để thử không thì dùng Hyper Terminal cũng đượcCàng biết nhiều càng thấy mình biết ít.
Comment
-
:P chào các anh
em là dân hâm mộ điện tử mới, em rất mong được sự giúp đỡ của các anh.
Chính vì mới vào nghề nên dạo này em thấy mọi người nhắc đến MAX232 mà em ko hiểu nó là gì,làm việc như thế nào. các anh có thể giới thiệu sơ qua về nó được ko ạ. :shock:
Comment
-
Chào bạn !
Tui xin trả lời thắc mắc của bạn như sau :
- Vấn để dùng max232 trong giao tiếp máy tính và VĐK chẳng qua chỉ là để tương thích mức điện áp.
+VĐK thường hoạt động ở mức TTL : 0V (logic 0) -> 5V (logic 1).
+Mức logic ở cổng COM máy tính là như sau :
- Mức logic 0 : khi truyền thì điện áp khoảng +5V -> +15V.
khi nhận thì điện áp khoảng +3V -> +25V.
- Mức logic 1 : khi truyền thì điện áp khoảng -15V -> -5V.
khi nhận thì điện áp khoảng -25V -> -3V.
( Mức điện áp trong khoảng như vậy vì nó phụ thuộc vào từng loại máy tính . VD: máy PC, máy Laptop,.. là khác nhau ).
=>Do đó ta không thể nối trực tiếp chân VĐK với chân cổng COM của máy tính , nếu không mạch sẽ bị hỏng !!!
* Nếu muốn biết thêm, bạn có thể tìm đọc tài liệu về chuẩn truyền tin RS232 .
Comment
-
bạn có thể tham khảo trong cuốn ghép nối máy tính của ngô diên tậpNguyên văn bởi thanhtungtdttai lieu ve chuan RS232 o trong cuon sach nao,va hoat dong cua MAX232 ra sao,va co linh kien nao thay the no huu hieu ko.
ghi rất rõ hay tham khỏa http://www.lvr.comSHARE KHO PHIM LỚN
Comment
-
Đúng đó các bác ạ. Em thấy đọc ở quyển Serial_Complete.pdf( gồm mấy file ghép lại ) của mấy bạn up lên trong host huuduyen.com(đã bị die) rồi rất hay. Nói rất chi tiết về viết chương trình giao tiếp của PC với các thiết bị ngoại vi. Và đặc biệt mô tả dựa trên ngôn ngữ Visual Basic rất dễ đọc và cực hay. Các bác tìm mà đọc( nặng lắm tổng cộng tới 38MB). Đó là sản phẩm của Lakeview Research(lvr). Các bác vào http://www.lvr.com/ để có thể update code mới nhất về ghép nối. Còn max232 thực chất chỉ là trung gian giữa vdk và Rs232 thôi để có sự tương thích về điện áp của RS232. Các bác lập trình như là nối thẳng với RS232 vậy. Tức là nhận tín hiệu từ chân TxD của nó, gửi dữ liệu vào chân RxD của max232 thôi.Technical sale at WT Microelectronics S'pore
Hỗ trợ dự án sử dụng các hãng Texas Instrument, STMicro, Freescale, Fairchild, International Rectifier, Ublox, Lumiled, Maxim
Liên hệ: 0915.560.511 hoặc ngo.haibac@wtmec.com
Comment
-
!!!
Các bạn cứ load databook của max232 tại trang http://maxim-ic.com thì có đủ cả mọi thứ !
Chúc các bạn thành công !
Comment
-
Không hiểu bạn quathoidai muốn hỏi gì. Có lẽ bạn nên xem kỹ datasheet của max232 http://www.ortodoxism.ro/datasheets/...220-MAX249.pdf
Bạn cũng nên gõ tiếng Việt có dấu để mọi người không phải đoán.
Comment
-
tui dang bi bi ve chuong trinh viet giao dien giua PC va 89C51
mong moi nguoi chi giao cho
de tai cua tui la:viet chuong trinh giao tiep may tinh qua cong com dung Max232,tao giao dien tren may tinh voi VB voi cac lenh nhu xuat port1,tat port1,xoa ki tu,va 1 text de nhap so tu 2>F(dangHex) thi ben 89c52 se nhan va xuat ra port1 voi cac port tuong ung la P1.0>p1.7
dung led de hien thi.
vay tui phai viet chuong trinh cho con 89C51 nhu the nao ve giao dien nhu the nao
do tui moi hoc phan co ban ve VB nen chua biet viet sao khi giao tiep voi 89c51 ca
mong rang thu hai nay tui se nhan duoc hoi an tu cac ban gan xa
va cho tui xin cam on truoc ai giup tui.
tui se that su biet on do
va giup them minh 1 ti duoc khong,
ve cau tao ben trong cua con Max232
co the vao trang web nao de xem cau tao ben trong cua no khong
va cac tu tren con max232 de lam gi vay
vi moi vao nhe nen minh chua biet gi het do
neu co ai giup do minh tim hieu thi minh cam on lam
vi minh tim may bua nay roi ma chang thay cau tao ben trong cua con max nay gi het do
mong cac huynh giup do cho
Comment
Bài viết mới nhất
Collapse
-
bởi bqvietMạch cồng kềnh nhưng khá bài bản. Nếu tự làm để học thì cũng đáng để bắt tay nghịch chơi. Nếu chỉ cần sản phẩm thì các sàn thương mại điện tử có sẵn UPS DC này ra 5V hoặc 12V rất sẵn, chạy pin, giá cũng không đắt.
-
Channel: Điện tử sáng tạo
Hôm qua, 18:28 -
-
bởi mylinhattTrong vận hành thực tế, nhiều xưởng gia công gặp tình trạng máy phay CNC bắt đầu sai kích thước, bề mặt rung nhẹ hoặc phát sinh lỗi thay dao dù chương trình và dao cắt không thay đổi. Phần lớn các vấn đề này không xuất phát từ lập trình mà đến từ việc bảo dưỡng máy chưa được thực hiện đúng và đủ....
-
Channel: Máy công cụ
22-12-2025, 11:27 -
-
bởi ittcHì, em tính đi mua 1 cái máy Khoan và máy Mài (cắt), em đã chính thức gạt thằng BOSCH sang 1 bên vì giá cao hơn Dewalt và Makita, hơn nữa xem Cataloge của nó thì hàng ít model mẫu mã hơn.
Giá Dewalt và Makita thấy ngang ngửa nhau, thôi thì nhu...-
Channel: Điện tử gia dụng
22-12-2025, 07:20 -
-
bởi DaoVanTrongChào Anh Em. Nay em có tạo 1 sơ đồ mạch UPS sau, xin Ae cho ý kiến.
Và nếu biết sản phẩm này nếu có sẵn thì em xin link để mua (nếu giá phù hợp) thì em đỡ phải làm ạ, vì em tìm nhưng không thấy:
╔═══════════════════[ĐIỆN_LƯỚI_220V]════════════════╗...-
Channel: Điện tử sáng tạo
21-12-2025, 23:32 -
-
Trả lời cho Nên mua máy phay CNC cũ, máy mới phổ thông hay máy chất lượng cao? Góc nhìn từ bài toán sản xuất thực tếbởi nguyendinhvanNgày trước, khi KT đang tăng trưởng, một cái máy tự động cũ tầm trung, thì khoảng 5 năm là hoàn vốn. Nhưng hiện tại, mọi việc đều chậm trễ, cạnh tranh, nên theo các xếp tính thì phải hơn 10 năm làm việc ngon lành thì mới hoàn vốn....
-
Channel: Máy công cụ
20-12-2025, 20:23 -
-
Trả lời cho cách làm led Hao Quang.có pro nào biết k nhỉ ???bởi StatusHello! I'm from Kazakhstan. Can anyone share the HEX file with me? The download link in post 50 doesn't work.
-
Channel: Vi điều khiển họ 8051
18-12-2025, 00:05 -
-
bởi mylinhattChào anh em cơ khí,
Trong quá trình tư vấn đầu tư thiết bị cho xưởng, mình gặp rất nhiều câu hỏi kiểu: “Nên mua máy phay CNC cũ để tiết kiệm, chọn máy mới phổ thông cho yên tâm, hay cố gắng lên máy chất lượng cao để làm hàng khó?”. Thực tế, đây không phải câu hỏi chỉ về...-
Channel: Máy công cụ
17-12-2025, 13:38 -
-
Trả lời cho Vấn đề về tốc độ quaybởi nguyendinhvanSử dụng động cơ servor, hoặc lắp thêm một cái encoder vào động cơ bước. Encoder sẽ kiểm soát động cơ có quay hoặc đứng im.
-
Channel: Điện tử truyền hình
14-12-2025, 19:50 -

Comment