Thông báo

Collapse
No announcement yet.

Giới thiệu sơ bộ về điều tốc (governor).

Collapse
This is a sticky topic.
X
X
 
  • Lọc
  • Giờ
  • Show
Clear All
new posts

  • #16
    Có bạn nào biết về các loại hộp điều tốc dùng điện ko tìm mệt quá
    Lê Nhật Tân
    SDT: 0916.523.911
    YM: tandt8x
    E Mail:

    Comment


    • #17
      Hôm vừa rồi, Nhóc có liên hệ với anh Quốc Thái qua email, và xin được một số bản scan các card của bộ điều tốc này. Nhóc sẽ dần dần post lên để các anh chị tham khảo.
      Đầu tiên là card STCL:
      Sơ đồ nguyên lý và mạch in:

      Đặc tuyến:


      Các mạch này thiết kế khá đơn giản, vì là mạch thời khá xưa (năm 1986). Sơ đồ không được rõ lắm. Nhóc chưa dám sửa gì thêm, các anh chị thông cảm.
      Attached Files
      Last edited by cô nhóc; 02-11-2009, 23:25.
      Nhóc thích nghịch điện,
      Nhóc thích xì păm,
      Nhóc thích trêu mấy anh.
      Hi hi.

      Comment


      • #18
        Bài viết của anh Duykiban rất hay. Nhóc sẽ chuyển thành một topic riêng, và anh giúp cho một số bài viết mô tả giải thích sâu hơn. Nếu có thêm hình minh họa thì quí lắm.
        Nhóc thích nghịch điện,
        Nhóc thích xì păm,
        Nhóc thích trêu mấy anh.
        Hi hi.

        Comment


        • #19
          Và đây là card điều khiển mức độ tăng tốc tua - bin lực PAC (Power turbine acceleration).




          Attached Files
          Nhóc thích nghịch điện,
          Nhóc thích xì păm,
          Nhóc thích trêu mấy anh.
          Hi hi.

          Comment


          • #20
            Nguyên văn bởi hong@thanh Xem bài viết
            rất tốt cũng kha hay cảm ơn nhé
            bạn có sơ đồ nói về điều chỉnh động cơ KDB dùng triac điều khiển không
            mình giới thiệu 1 ví dụ dễ thấy với bạn nhé
            các náy giặt cửa ngang hiện nay dùng moto cổ góp, điều chỉnh tốc độ bàng bo mạch trên đó có triac. nó có thể đ/k nhiều tốc độ luôn.
            bình đun nước nóng ngay hiện có nhiều loại điều khiển điện cấp cho mayso cũng dùng triac, và cũng điều khiển vô cấp luôn
            ngoài ra chắc còn nhiều thiết bị dùng triac đ/k như các máy hàn tig, mic-mac ...
            nếu có thể tham khảo được bạn cứ mở các thiết bị ấy ra, có hiện vật luôn. sơ đồ trên này e rằng hơi mờ đấy.
            còn nếu bí quá, liên lạc với tôi, tôi có hiện vật cho bạn coi và đo vẽ thoải mái. tiếc không có phương tiện để up lên thôi

            Comment


            • #21
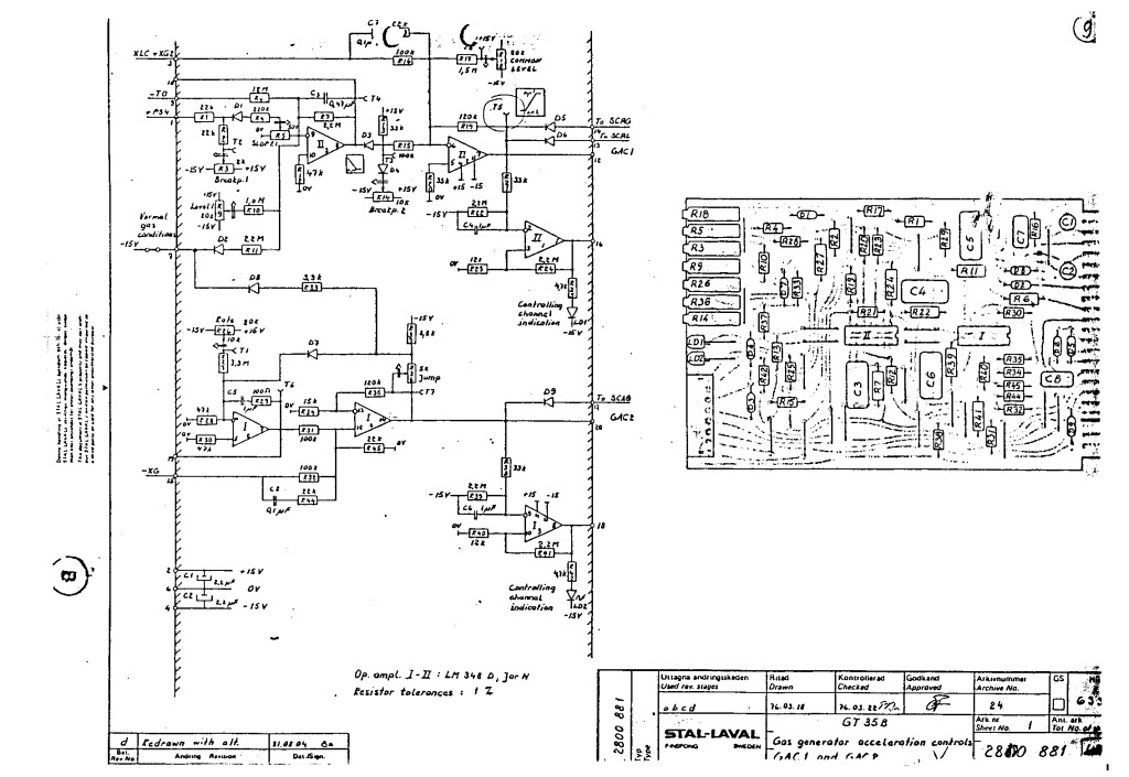
              Đây là card GAC. Card này để điều khiển tăng tốc khối Gas generator.


              Attached Files
              Nhóc thích nghịch điện,
              Nhóc thích xì păm,
              Nhóc thích trêu mấy anh.
              Hi hi.

              Comment


              • #22
                Card FRC Frequency control. Đây là card chính của hệ thống. Nó điều khiển tốc độ của tua bin lực, hay tần số của máy phát.



                Attached Files
                Nhóc thích nghịch điện,
                Nhóc thích xì păm,
                Nhóc thích trêu mấy anh.
                Hi hi.

                Comment


                • #23
                  Xin chào mọi người! mình đang làm nhà máy thủy điện mình xin hỏi mọi người một chút về bộ điều tốc:
                  Ở nhà máy mình BĐT đang làm việc ở chế độ Opening control (guide valve) tại SCADA mình đặt công suất 43 MW nhưng khi cột nước thay đổi thì độ mở của
                  cánh hướng nước cũng thay đổi theo, tuơng tự như khi mình để BDT làm việc ở chế độ Power control mình xin hỏi mọi người một số vấn đề như sau:
                  1. chế độ Opening control (guide valve) và chế độ Power control khác nhau như thế nào?
                  2. ưu nhược điểm của mỗi chế độ.
                  3. các chế độ này đuơc chọn làm việc khi nào.
                  4. ý nghĩa của đặc tính speed droop.
                  mail của mình: huuhaubts@gmail.com
                  chị " Cô nhóc" và anh "fansydung" cho em xin mail được không?
                  Last edited by huuhaubts; 01-12-2011, 00:33.

                  Comment


                  • #24
                    Chế độ openning control chắc cũng giông như chế độ manual control. Mạch điều khiển sẽ điều khiển trực tiếp độ mở của inlet valve,

                    Chế độ power control là chế độ điều chỉnh công suất. Mạch điều khiển sẽ đo lường và điều khiển công suất ra. Tùy công suất ra đủ hay không mà sẽ thay đổi các tham số khác cho phù hợp.

                    Thí dụ anh đặt P = 43MW. Nhưng khi mực nước giảm xuống, thế năng của nước giảm xuống. nếu cùng độ mở van như cũ thì công suất sẽ giảm. Vậy muốn giữ công suất như cũ, bộ điều khiển sẽ phải tăng thêm độ mở của van.
                    Nhóc thích nghịch điện,
                    Nhóc thích xì păm,
                    Nhóc thích trêu mấy anh.
                    Hi hi.

                    Comment


                    • #25
                      wick gate chứ kg phải inlet valve . Ở nhà máy thủy điện , van chính hay Inlet vavle được nằm trước cánh hướng tức wick gate , cánh hướng bao gồm cánh hướng động và cánh hưỡng tĩnh , cánh hướng tĩnh để hướng nước trong buồn xoắn tác động lên cánh tuabin theo hướng tính trước ( tua bin tâm trục). Cánh hướng động được điều khiển bởi servo thủy lực , vị trí của servo được phản hồi về bộ điều tốc . Như vậy mục đích của bộ điều tốc là can thiệp lên secvo thủy lực để tăng /giảm độ mở để thay đổi lưu lượng nước qua tuôcbin nhằm điều chỉnh công suất hay tần số . Bộ điều tốc thường có 3 chế độ chính đó là speed control-opeing control - power control .... Các chế độ này sẽ được tự chuyển khi bộ điều tốc chuyển qua chế độ auto , hoặc có thể chuyển qua bằng tay trong trường hợp nhà máy có tham gia điều tần ( bằng tay đây là tại SCADA hay tại ULC tổ máy bằng nút nhấn tăng giảm tương ứng) sự khác nhau giữa các chế độ này nằm ở các tham số như Kp,Ki, Kd được lập trình trong các thuật toán điều khiển nhằm phù hợp với các đặc tuyến điều tốc của nhà máy thủy điện : ví dụ như bước lên máy , tổ máy không tải , hòa lưới và điều tần , để linh hoạt nó sẽ tự chuyển các chế độ này hoặc ta có thể can thiệp bằng tay nhằm đạt chất lượng điều khiển như mong muốn , ví dụ như điều tần cấp 2 , các trưởng ca tại nhà máy thủy điện thường chuyển qua chế độ load control ( thay đổi công suất nhằm ổn định tần số trong phạm vi quy định đối với điều tần cấp 2-tức là vừa tăng giảm công suất đồng thời quan sát tần số để đưa tần số vào phạm vi cho phép) . Tất cả các bộ điều tốc của các nhà máy thủy điện đều có cấu hình phần cứng gần tương tự nhau , tuy nhiên thuật toán sẽ khác nhau ví dụ thằng trung quốc khác , điều tốc siemens cũng sẽ khác , v..v ...

                      Comment


                      • #26
                        Nguyên văn bởi ptoanel Xem bài viết
                        Cô Nhốc ơi!... Ở tua bin lực, thường thì có hệ thống chống vượt tốc cơ khí ? Sơ dồ khối không thấy? Do nội dung bài không cần thiết mô tả hay kỹ thuật ngày nay người ta thiết kế chắc ăn nên không cần có? Thân ái!...
                        Theo mình biết thì bộ chống vượt tốc cơ khí đơn giản chỉ là 1 quả văng được cân bằng bởi lò xo, khi tốc độ tua-bin vượt 110% lực ly tâm sẽ thắng lực lò xo và quả văng sẽ quay ở bán kính lớn hơn và đá vào thiết bị bảo vệ quá vượt tốc tua bin.
                        Nhưng việc căn chỉnh, bảo dưỡng cơ khí này là cực kỳ chính xác và rất khó, với các tua bin mới ngày nay người ta k dùng nữa.
                        |

                        Comment

                        Về tác giả

                        Collapse

                        cô nhóc Mập, lùn, da đen, đeo kính đen Tìm hiểu thêm về cô nhóc

                        Bài viết mới nhất

                        Collapse

                        Đang tải...
                        X