Thông báo
Collapse
No announcement yet.
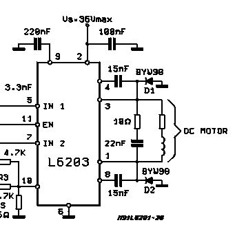
mạch điều khiển đảo chiều động cơ DC dùng IC L6203
Collapse
X
Bài viết mới nhất
Collapse
-
bởi mylinhattTrong vận hành thực tế, nhiều xưởng gia công gặp tình trạng máy phay CNC bắt đầu sai kích thước, bề mặt rung nhẹ hoặc phát sinh lỗi thay dao dù chương trình và dao cắt không thay đổi. Phần lớn các vấn đề này không xuất phát từ lập trình mà đến từ việc bảo dưỡng máy chưa được thực hiện đúng và đủ....
-
Channel: Máy công cụ
Hôm qua, 11:27 -
-
bởi ittcHì, em tính đi mua 1 cái máy Khoan và máy Mài (cắt), em đã chính thức gạt thằng BOSCH sang 1 bên vì giá cao hơn Dewalt và Makita, hơn nữa xem Cataloge của nó thì hàng ít model mẫu mã hơn.
Giá Dewalt và Makita thấy ngang ngửa nhau, thôi thì nhu...-
Channel: Điện tử gia dụng
Hôm qua, 07:20 -
-
bởi DaoVanTrongChào Anh Em. Nay em có tạo 1 sơ đồ mạch UPS sau, xin Ae cho ý kiến.
Và nếu biết sản phẩm này nếu có sẵn thì em xin link để mua (nếu giá phù hợp) thì em đỡ phải làm ạ, vì em tìm nhưng không thấy:
╔═══════════════════[ĐIỆN_LƯỚI_220V]════════════════╗...-
Channel: Điện tử sáng tạo
21-12-2025, 23:32 -
-
Trả lời cho Nên mua máy phay CNC cũ, máy mới phổ thông hay máy chất lượng cao? Góc nhìn từ bài toán sản xuất thực tếbởi nguyendinhvanNgày trước, khi KT đang tăng trưởng, một cái máy tự động cũ tầm trung, thì khoảng 5 năm là hoàn vốn. Nhưng hiện tại, mọi việc đều chậm trễ, cạnh tranh, nên theo các xếp tính thì phải hơn 10 năm làm việc ngon lành thì mới hoàn vốn....
-
Channel: Máy công cụ
20-12-2025, 20:23 -
-
Trả lời cho cách làm led Hao Quang.có pro nào biết k nhỉ ???bởi StatusHello! I'm from Kazakhstan. Can anyone share the HEX file with me? The download link in post 50 doesn't work.
-
Channel: Vi điều khiển họ 8051
18-12-2025, 00:05 -
-
bởi mylinhattChào anh em cơ khí,
Trong quá trình tư vấn đầu tư thiết bị cho xưởng, mình gặp rất nhiều câu hỏi kiểu: “Nên mua máy phay CNC cũ để tiết kiệm, chọn máy mới phổ thông cho yên tâm, hay cố gắng lên máy chất lượng cao để làm hàng khó?”. Thực tế, đây không phải câu hỏi chỉ về...-
Channel: Máy công cụ
17-12-2025, 13:38 -
-
Trả lời cho Vấn đề về tốc độ quaybởi nguyendinhvanSử dụng động cơ servor, hoặc lắp thêm một cái encoder vào động cơ bước. Encoder sẽ kiểm soát động cơ có quay hoặc đứng im.
-
Channel: Điện tử truyền hình
14-12-2025, 19:50 -

Comment