Thông báo

Collapse
No announcement yet.

Nguồn ổn áp/ổn dòng

Collapse
X
 
  • Lọc
  • Giờ
  • Show
Clear All
new posts

  • Nguồn ổn áp/ổn dòng

    Bác nào biết ở đâu bán hoặc sản xuất nguồn dùng được cả 2 chế độ:
    1. Ổn áp từ 0-30V
    2. Ổn dòng từ 0-50A
    Xin báo cho tôi nhé: namnh_ttmt@yahoo.com

  • #2
    Như vậy là công suất tối đa bằng 30V x 50A = 1500 W hả bạn ??????
    Chuyên làm các mạch điện tử bí hiểm và kỳ quặc .
    nguyendinhvan1968@gmail.com

    Mobil : 0903 252 168 Chỉ gọi từ 09 giờ đến 17 giờ . Từ 18 giờ ngoài vùng phủ sóng

    Comment


    • #3
      @ bác Vân
      Đúng thế !
      Nó dùng làm nguồn để thử chế độ làm việc cho thiết bị

      Comment


      • #4
        em cũng rất muốn biết cả sơ đố cái này nữa.bác nào biết xin chỉ giáo.thanks

        Comment


        • #5
          Nguyên văn bởi nsp
          Bác nào biết ở đâu bán hoặc sản xuất nguồn dùng được cả 2 chế độ:
          1. Ổn áp từ 0-30V
          2. Ổn dòng từ 0-50A
          Xin báo cho tôi nhé: namnh_ttmt@yahoo.com
          Bác vào đây tham khảo xem có mua được loại nào không.
          http://iec.com.vn/webplus/viewer.asp...cid=61&aid=107
          Em thấy tốt nhất là bác mua mấy cái nguồn có dòng là 50A còn áp thì chắc sẽ nhỏ hơn 30V, rồi nối nối tiếp các nguồn lại với nhau để có nguồn 30V hoặc mua nguồn có áp là 30V còn dòng thì nhỏ hơn 50A rồi nối song song các nguồn lại với nhau để thu được nguồn 30V, 50A.
          Nguồn mà công suất như bác yêu cầu thì em không biết chỗ nào bán.

          Comment


          • #6
            Nếu bác không tìm được chỗ mua, thì có lẽ nên làm 1 cái. Đặt hàng quấn dây 1 cái biến thế, và lắp mạch chỉnh lưu có điều khiển dùng SCR.
            Bác lưu ý là bộ nguồn chỉnh lưu có điều khiển, thì nên lọc bằng cảm, hoặc bộ lọc cảm - tụ.
            Mạch điều khiển, có thể dùng mạch analog, dùng opamp, lắp ráp sao cho đặc tuyến ra (Volt - amp) có dạng chữ nhật, và điều chỉnh được.
            Quên một điều. Không biết bác cần điện ra DC hay AC? giải pháp trên chỉ cho DC thôi.

            Comment


            • #7
              Ổn áp/dòng DC
              Vấn đề là ở chỗ nguồn này điều chỉnh được cả dòng và áp. Nếu sử dụng nguồn thứ cấp thì biến áp rất to và nặng (1 biến áp xuyến 2KVA nặng 7-8kg). Dùng nguồn SW thì đương nhiên sẽ nhỏ gọn hơn nhiều nhưng tôi chưa bao giờ thấy có mạch nào như vậy. Xin các bác chỉ giáo!

              Comment


              • #8
                Nguyên văn bởi nsp
                Ổn áp/dòng DC
                Vấn đề là ở chỗ nguồn này điều chỉnh được cả dòng và áp. Nếu sử dụng nguồn thứ cấp thì biến áp rất to và nặng (1 biến áp xuyến 2KVA nặng 7-8kg). Dùng nguồn SW thì đương nhiên sẽ nhỏ gọn hơn nhiều nhưng tôi chưa bao giờ thấy có mạch nào như vậy. Xin các bác chỉ giáo!
                QT thử đề nghị 1 giải pháp:
                dù là mạch dùng biến thế chỉnh lưu có điều khiển, hay mạch Switching, vấn đề cơ bản là chỗ mạch hồi tiếp và khuếch đại trước khi đưa vào điều khiển.

                Bạn làm 2 mạch hồi tiếp:
                1/. Mạch hồi tiếp & điều chỉnh điện áp: cho hệ số hồi tiếp cố định. Điện áp chuần thay đổi bằng biến trở. So sánh và kh đại cho ra U1.
                2/. Mạch hồi tiếp & điều chỉnh dòng: Lấy tín hiệu dòng trên 2 đâu điện trở shunt. Khuếch đại cố định bằng mạch vi sai dùng op amp. Trị số ra so sánh với điện áp chuẩn thay đổi được. So sánh và khuếch đại cho ra U2.

                U1 và U2 qua mạch diode để lựa chọn trị số min. trị số này sẽ đưa đi điều khiển góc kích hoặc độ rộng xung.

                Mạch như trên sẽ có đặc tuyến ra (volt - amp) hình chữ nhật.

                Nếu chỉ muốn điều chỉnh điện áp, thì cho biến trở dòng = max. Điều chỉnh điện áp từ 0 lên 30V. Khi tăng điện áp lên, nếu dòng đạt trị số I max, sẽ bị giới hạn lại.
                Nếu chỉ muốn điều chỉnh dòng, cho biến trở điện áp = max. Điều chỉnh dòng lên từ 0 đến 50 A. Trong khi điều chỉnh nếu U đạt 30V thì sẽ bị giới hạn lại không lên thêm được.

                Đây là nguyên lý điều chỉnh của các máy chỉnh lưu điện giải và các máy nạp bình accu công nghiệp.

                Comment


                • #9
                  Thanks QT!
                  Nhưng việc của tốt rất gấp nên tôi mới hỏi mua ở đâu đó. Nếu có thời gian thì chắc tôi sẽ nghiên cứu để làm lấy.

                  Comment


                  • #10
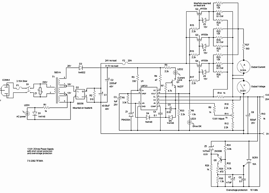
                    Nguồn cao như bác nsp yêu cầu thì em chưa có, có cái mạch nguồn tuyến tính 13.8V 25Amp như này các bác tham khảo xem có thể cải tiến hợp với yêu cầu của nsp không. Mạch này dùng em LM723 hay lắm!
                    * This is my 13.8V 25Amp power-supply. With over-current (26 Amps) and over-voltage (16 Volts) protection.
                    * Uses fold-back current limiting. (giới hạn dòng gấp)
                    * Short circuit current is around 8 Amps. (dòng ngắn mạch cỡ 8A)
                    * Uses 3 (or 4, which is better) IRF150n power MOSFETs as pass transistors. LM723 can drive the MOSFETs directly. (Sử dụng 3 đến 4 Mosfet IRF150n làm phần tử công suất). LM723 có thể lái trực tiếp các Mosfet.)
                    * Needs big heat-sink, 1.2 C/W for the FETS and bridge rectifier, or forced air cooling. (Dùng tản nhiệt lớn cho các con Fet và bộ nắn cầu, nên dùng quạt làm mát)
                    * Yes, the MOSFETs need equalizing resistors (0.1 Ohm 5 Watt) if they are not closely matched. Short circuit current of 8 Amp must be divided between the 3 MOSFETs, as the total power dissipated is 160 Watts. Better is to use 4 MOSFETS's to lessen the stress during short circuit.
                    * Power supply schematic, pdf(12k)
                    Ref: http://www.raunvis.hi.is/~matti/TF3MA/13_8V.html
                    Attached Files

                    Comment


                    • #11
                      Tặng bạn NSP, bạn OpenDoor và các bạn sơ đồ này, tương đối đơn giản, rẻ tiền, và không phải giải nhiệt nhiều.

                      Tùy thuộc vào điện thế và dòng điện mà các bạn sửa chữa lại các giá trị cho phù hợp.

                      Nếu bạn tính toán chính xác các linh kiện công suất, và mạch lấy tín hiệu hồi tiếp (Các linh kiện có dấu * trong sơ đồ), bạn hoàn toàn có được đặc tính như mong muốn. Đặc tuyến ra (Volt Amp) hình chữ nhật.

                      Có thể gia tăng công suất lên khá cao. Khi đó chỉ cần chọn linh kiện công suất cho phù hợp. Nếu muốn có công suất cao hơn, bạn nên dùng 3 pha. Lúc đó sẽ đổi lại dùng 3 mạch kích cho 3 pha. Mạch điểu khiển dòng, áp như cũ. Khi nào QT vẽ được sẽ gởi lên sau.

                      Mạch trên có thể kích được các SCR 45 A đến 150 A một cách dễ dàng.

                      Thích hợp cho bộ nguồn đa năng, máy chỉnh lưu điện giải, máy chỉnh lưu nạp bình accu...

                      Các OpAmp không ghi tên, bạn có thể dùng 324, hoặc tương đương.


                      Các bạn lưu ý, khi không tải, có thể mạch sẽ có điện áp khác với trị số điều chỉnh. Tốt nhất là lắp 1 điện trở làm tải cho nó khoảng vài chục mA.

                      Comment


                      • #12
                        Mạch điện này rất hay, rất cảm ơn anh Quốc Thái

                        Comment


                        • #13
                          Ha ha. Sorry. Do vẽ vội nên có lỗi.
                          Chân số 2 và 6 của con 555 có một tụ điện .1 MF xuống masse.
                          Điện trở nạp tụ 100 kOhm của 555 là biến trở tinh chỉnh.
                          Điện trở 10 kOhm của 324 cuối, cũng là biến trở tinh chỉnh.
                          Nhờ các bạn bổ sung giúp.
                          Thành thật xin lỗi.

                          Comment


                          • #14
                            Mạch dòng lớn nên làm nắn Thirystor cầu ( 2 DIODE, 2 THY) như vậy sơ cấp dễ quấn và rẻ tiền hơn.
                            Có thể dùng mạch tạo răng cưa động bộ 50Hz sau đó so sánh và mở THY thì tốt hơn.
                            Cuộn chặn L kích thước cũng rất lớn. Nếu ripble không yêu cầu ( đến 2V) tải 20A thì có thể bỏ được. Nhưng khi chạy nghe tiếng kêu tẹt tẹt do biến áp và THY tạo ra hơi khó chịu chút thôi. ( góc mở lớn hơn 45 độ bắt đầu nghe thấy)
                            Nhà sản xuất chuyên nghiệp các sản phẩm OEM cho gia dụng và công nghiệp.

                            Biến tần
                            Máy giặt
                            Lò vi sóng
                            Bếp từ.
                            Tủ lạnh.
                            Điều hòa

                            Comment


                            • #15
                              Sory. thứ cấp chứ không phải sơ cấp.
                              Nhà sản xuất chuyên nghiệp các sản phẩm OEM cho gia dụng và công nghiệp.

                              Biến tần
                              Máy giặt
                              Lò vi sóng
                              Bếp từ.
                              Tủ lạnh.
                              Điều hòa

                              Comment

                              Về tác giả

                              Collapse

                              nsp Tìm hiểu thêm về nsp

                              Bài viết mới nhất

                              Collapse

                              Đang tải...
                              X