Bác quocthai cho em hỏi một vài chỗ em không thông.
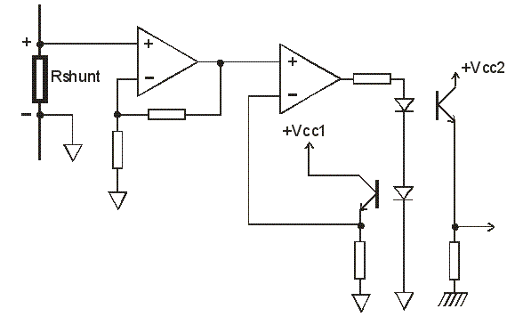
như sơ đồ của bác con opam2 làm nhiệm vụ so sánh và điện áp ra ở 2 mức +Vcc hoặc -Vcc và áp ra của opam2 cấp cho D1 và D2 của 2 opto vì thế D1 và D2 ở 2 chế độ đóng tương ứng -Vcc và mở với +Vcc.Tương ứng 2 tran của opto sẽ đóng hoặc mở giả sử khi mở sụt áp trên tran là U' khi đó Udk=V1-U' và U2=V2-U'. Khi đó điện áp Udk liệu phản ánh thay đổi dòng ? trong khi chúng ta mong muốn Udk phản ánh dòng I trong phạm vi để ổn định dòng
như sơ đồ của bác con opam2 làm nhiệm vụ so sánh và điện áp ra ở 2 mức +Vcc hoặc -Vcc và áp ra của opam2 cấp cho D1 và D2 của 2 opto vì thế D1 và D2 ở 2 chế độ đóng tương ứng -Vcc và mở với +Vcc.Tương ứng 2 tran của opto sẽ đóng hoặc mở giả sử khi mở sụt áp trên tran là U' khi đó Udk=V1-U' và U2=V2-U'. Khi đó điện áp Udk liệu phản ánh thay đổi dòng ? trong khi chúng ta mong muốn Udk phản ánh dòng I trong phạm vi để ổn định dòng

Comment