Thầy giáo giao cho em làm 1 mạch cầu H điều khiển động cơ với yêu cầu như sau:
Điều khiển đông cơ 10A, Tần số cầu H >20khz. Điều khiển tốc độ, và đảo chiều, hãm động năng. Thầy giáo bấm đảo chiều liên tục nếu amch5 k nổ là thành công.
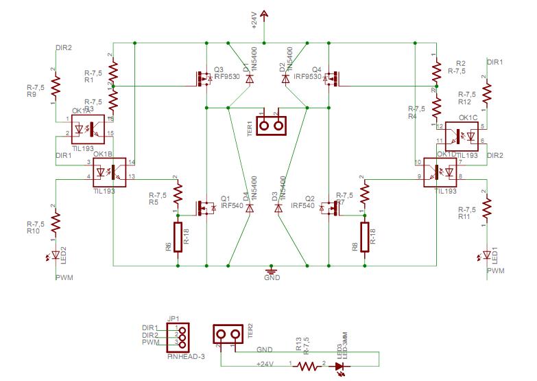
Em tìm đc mạch như thế này nhưng đọc không hiểu lắm. Mọi người cho em hỏi 4 con diode D1, D2, D3, D4 ở đây để làm gì vậy ạ. Nếu k có ở đây thì mạch có ảnh hưởng gì k a.
Thầy giáo có giảng thêm về flyback và flywheel nhưng em k hiểu rõ lắm, có ai biết giải thích giúp em với.
Còn mạch này hãm động năng là nhờ vào cái gì ạ, và cơ chế nó như thế nào ạ.
Em cám ơn mọi người.
Điều khiển đông cơ 10A, Tần số cầu H >20khz. Điều khiển tốc độ, và đảo chiều, hãm động năng. Thầy giáo bấm đảo chiều liên tục nếu amch5 k nổ là thành công.
Em tìm đc mạch như thế này nhưng đọc không hiểu lắm. Mọi người cho em hỏi 4 con diode D1, D2, D3, D4 ở đây để làm gì vậy ạ. Nếu k có ở đây thì mạch có ảnh hưởng gì k a.
Thầy giáo có giảng thêm về flyback và flywheel nhưng em k hiểu rõ lắm, có ai biết giải thích giúp em với.
Còn mạch này hãm động năng là nhờ vào cái gì ạ, và cơ chế nó như thế nào ạ.
Em cám ơn mọi người.

Comment