em có 1 cái nguồn ATX-300W for pen3 kô dùng đến nên muốn tận dụng biến nó thành 1 bộ nguồn cho ra các mức 5v,12v và 24v DC thì làm thế nào hả các bác!! mà dòng lớn nhất có thể của loại nguồn này là bao nhiu nhỉ?! trên vỏ thấy nó ghi 25A lận hix!!!
Thông báo
Collapse
No announcement yet.
Nguồn máy tính!! help!!!!!!!!!!!!
Collapse
X
-
- Cái nguồn máy tính có sẵ mức điện áp 5V, 12V rùi ( Dây vàng +12V, Dây đỏ +5v, Dây đen GND) bạn chỉ cần nối dây màu xanh và dây màu xám tro lại với nhau là nguồn nó chạy hoặc có thể lắp thêm một tải giả cho nó vì một số nguồn ATX nếu không có tải hoặc tải quá nhỏ nó sẽ tự tắt. (chức năng auto shutdown)em có 1 cái nguồn ATX-300W for pen3 kô dùng đến nên muốn tận dụng biến nó thành 1 bộ nguồn cho ra các mức 5v,12v và 24v DC thì làm thế nào hả các bác!! mà dòng lớn nhất có thể của loại nguồn này là bao nhiu nhỉ?! trên vỏ thấy nó ghi 25A lận hix!!!

- Để tìm hiểu thêm bạn vào đây nhé
Code:http://www.uoguelph.ca/~antoon/circ/vps.htm
-
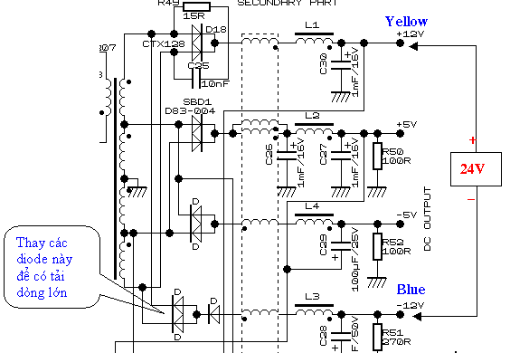
... bác chọn lấy hai dây vàng +12V (yellow) và dây xanh dương -12V (Blue) làm nguồn ra thì bác đã có 24V roài... tuy nhiên, đường -12V tải dòng nó nhỏ lắm (dưới 1A), níu cần tải dòng lớn hơn bác thay Diode nắn dòng của đường -12V lên theo y/c là Ok...Nguyên văn bởi k300 Xem bài viếtcảm ơn bác đã chỉ giáo
thế lấy ra điện áp 24v thế nào bác có biết kô ạ! cái link bác cho bổ ích thật đấy! thanks bác lần nữa!!
Comment
-
Tham gia chút nhé!
Mình có chút đính chính như thế này. Không phải lấy dây màu xanh lá và dây màu xám tro đấu lại với nhau.
Bỡi vì: + Dây màu xanh lá là dây PSON (Dây mở nguồn) nếu dây này cấp vào 0V thì mạch hoạt động và để hở nghĩa là áp nó 3.3V=> mạch không hoạt động.
+ Dây màu xám tro là dây PG (hay P OK) báo nguồn tốt. Dây này được cấp lên trên mainboard để tạo điều kiện cho main biết tình hình của nguồn và có mở nguồn hay không.
=> Thế nên, cần nối dây màu xanh lá với dây màu đen => nguồn mới chạy ổn định được.
Chúc bạn thành công! Thân chào.Những gi mà chúng ta học được chỉ là một phần rất nhỏ trong đại dương kiến thức loài người!!
Comment
-
... chính xác...............Nguyên văn bởi Diemkieu Xem bài viếtMình có chút đính chính như thế này. Không phải lấy dây màu xanh lá và dây màu xám tro đấu lại với nhau.
Bỡi vì: + Dây màu xanh lá là dây PSON (Dây mở nguồn) nếu dây này cấp vào 0V thì mạch hoạt động và để hở nghĩa là áp nó 3.3V=> mạch không hoạt động.
+ Dây màu xám tro là dây PG (hay P OK) báo nguồn tốt. Dây này được cấp lên trên mainboard để tạo điều kiện cho main biết tình hình của nguồn và có mở nguồn hay không.
=> Thế nên, cần nối dây màu xanh lá với dây màu đen => nguồn mới chạy ổn định được.
Chúc bạn thành công! Thân chào.
Comment
-
than chao MHz & DiemKieu.
hai ban that gioi , minh co dan vi tinh , nhung rat hay hong vat ,nhat la nguon , va ca man hinh nua . (man hinh co do net , nhung lai mo , anh sang kem , con nguon thi may lan bi hu tu nhien .) minh rat muon xu li lay . neu cac ban co dieu kien , cho minh xin so do , va vai loi chi giao ! may cua minh la may pen 4, man hinh ldc 17"
Comment
-
... có đây.....Nguyên văn bởi phanquyet Xem bài viếtai có sơ đồ mạch điện nguồn cấp của compurter cho xin mầy cái,xin cảm ơn
Comment
Bài viết mới nhất
Collapse
-
bởi bqvietMạch cồng kềnh nhưng khá bài bản. Nếu tự làm để học thì cũng đáng để bắt tay nghịch chơi. Nếu chỉ cần sản phẩm thì các sàn thương mại điện tử có sẵn UPS DC này ra 5V hoặc 12V rất sẵn, chạy pin, giá cũng không đắt.
-
Channel: Điện tử sáng tạo
Hôm qua, 18:28 -
-
bởi mylinhattTrong vận hành thực tế, nhiều xưởng gia công gặp tình trạng máy phay CNC bắt đầu sai kích thước, bề mặt rung nhẹ hoặc phát sinh lỗi thay dao dù chương trình và dao cắt không thay đổi. Phần lớn các vấn đề này không xuất phát từ lập trình mà đến từ việc bảo dưỡng máy chưa được thực hiện đúng và đủ....
-
Channel: Máy công cụ
22-12-2025, 11:27 -
-
bởi ittcHì, em tính đi mua 1 cái máy Khoan và máy Mài (cắt), em đã chính thức gạt thằng BOSCH sang 1 bên vì giá cao hơn Dewalt và Makita, hơn nữa xem Cataloge của nó thì hàng ít model mẫu mã hơn.
Giá Dewalt và Makita thấy ngang ngửa nhau, thôi thì nhu...-
Channel: Điện tử gia dụng
22-12-2025, 07:20 -
-
bởi DaoVanTrongChào Anh Em. Nay em có tạo 1 sơ đồ mạch UPS sau, xin Ae cho ý kiến.
Và nếu biết sản phẩm này nếu có sẵn thì em xin link để mua (nếu giá phù hợp) thì em đỡ phải làm ạ, vì em tìm nhưng không thấy:
╔═══════════════════[ĐIỆN_LƯỚI_220V]════════════════╗...-
Channel: Điện tử sáng tạo
21-12-2025, 23:32 -
-
Trả lời cho Nên mua máy phay CNC cũ, máy mới phổ thông hay máy chất lượng cao? Góc nhìn từ bài toán sản xuất thực tếbởi nguyendinhvanNgày trước, khi KT đang tăng trưởng, một cái máy tự động cũ tầm trung, thì khoảng 5 năm là hoàn vốn. Nhưng hiện tại, mọi việc đều chậm trễ, cạnh tranh, nên theo các xếp tính thì phải hơn 10 năm làm việc ngon lành thì mới hoàn vốn....
-
Channel: Máy công cụ
20-12-2025, 20:23 -
-
Trả lời cho cách làm led Hao Quang.có pro nào biết k nhỉ ???bởi StatusHello! I'm from Kazakhstan. Can anyone share the HEX file with me? The download link in post 50 doesn't work.
-
Channel: Vi điều khiển họ 8051
18-12-2025, 00:05 -
-
bởi mylinhattChào anh em cơ khí,
Trong quá trình tư vấn đầu tư thiết bị cho xưởng, mình gặp rất nhiều câu hỏi kiểu: “Nên mua máy phay CNC cũ để tiết kiệm, chọn máy mới phổ thông cho yên tâm, hay cố gắng lên máy chất lượng cao để làm hàng khó?”. Thực tế, đây không phải câu hỏi chỉ về...-
Channel: Máy công cụ
17-12-2025, 13:38 -
-
Trả lời cho Vấn đề về tốc độ quaybởi nguyendinhvanSử dụng động cơ servor, hoặc lắp thêm một cái encoder vào động cơ bước. Encoder sẽ kiểm soát động cơ có quay hoặc đứng im.
-
Channel: Điện tử truyền hình
14-12-2025, 19:50 -

Comment