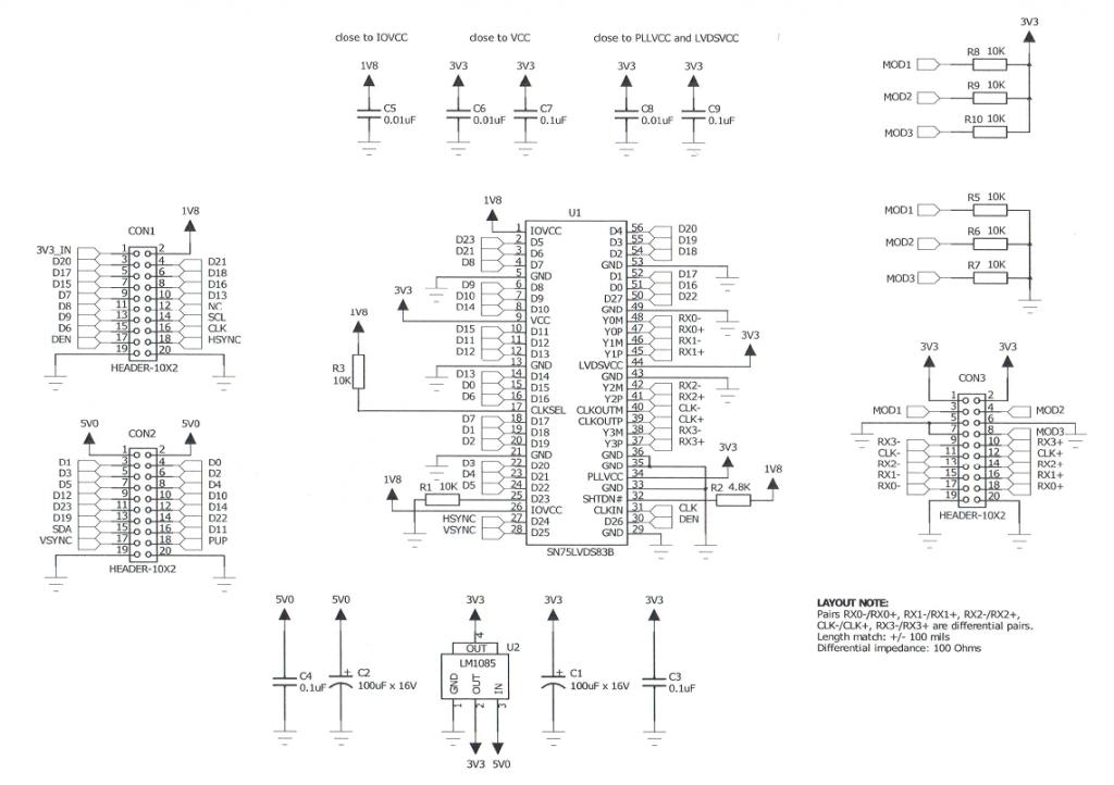
Em có một LCD tháo ra từ laptop model LM130SS1T61 của Sharp tính độ làm màn hình cho embedded computer vì cái board này hỗ trợ LVDS. Để giao tiếp LVDS em định dùng con SN75LVDS83B của TI theo sơ đồ dưới.

Việc đầu tiên bây giờ là test xem LCD còn chạy không và xác định chân cẳng để đấu nối. Các bác nhìn giùm em xem board cao áp em phải đấu nối như thế nào để cho backlight của LCD sáng lên cái đã. Cái board cao áp em đã lấy cái connector bằng nhựa ra rồi, mới chỉ biết được chân nguồn và mass còn mấy chân kia thì chịu.

Sau đó làm sao độ lại cable để nối vào SN75LVDS83B?
Việc đầu tiên bây giờ là test xem LCD còn chạy không và xác định chân cẳng để đấu nối. Các bác nhìn giùm em xem board cao áp em phải đấu nối như thế nào để cho backlight của LCD sáng lên cái đã. Cái board cao áp em đã lấy cái connector bằng nhựa ra rồi, mới chỉ biết được chân nguồn và mass còn mấy chân kia thì chịu.
Sau đó làm sao độ lại cable để nối vào SN75LVDS83B?


Comment