Nguyên văn bởi daituong1102
Xem bài viết
Thông báo
Collapse
No announcement yet.
hỏi về cách sửa âm ly bị sôi và ù
Collapse
X
-
Sao lại thay hết OP AMP 4558 để giảm ù trong ampli vậy nhỉ ? IC OPAMP 4558 là loại tạp ồn thấp rồi, hầu hết ampli bị ủ , rè,sôi là do nhiều nguyên nhân khác nhau, hãy nhìn và tham khảo các phần nguồn tầng pre/ công suất của vài hãng có tiếng thì sẽ học hỏi được nhiều hơn, không đơn giản là cắm cầu diode và con tụ nguồn tổ bố vào rồi kẹp con IC ổn áp 78.. là có phần nguồn "sạch sẽ" ngay đâu ! Mối chủng loại OPAMP đều có ưu và khuyết điểm , khi thiết kế và lắp ráp , thay thế cũng cần phải biết sơ qua nó thì công việc mới đạt theo yêu cầu các bạn à!
-
mình nhất trí là 4558 có độ tạp ồn thấp , nhưng âmply lắp ráp tại việt nam 4558 thì nhập khẩu nguyên chiếc từ anh đào , cho nên chất lượng rất TỐT , thay Opam loại xịn hơn , điện áp out của Opam cũng giảm thấp ( áp offset ) và nó gần tới 0 , còn loại Anh Đào thì nó có giá trị vài chục đến vài trăm mV , như vậy cũng giảm bớt được lượng Ù đáng kể từ trong bản thân của mạch , sau đó mới tính đến các thức khác , sử lý từ trong sử ra ( đó là ý kiến của mình )
Comment
-
Lownoise thì TL072 và 5532 tốt hơn 4558 đấyNguyên văn bởi daituong1102 Xem bài viếtmình nhất trí là 4558 có độ tạp ồn thấp , nhưng âmply lắp ráp tại việt nam 4558 thì nhập khẩu nguyên chiếc từ anh đào , cho nên chất lượng rất TỐT , thay Opam loại xịn hơn , điện áp out của Opam cũng giảm thấp ( áp offset ) và nó gần tới 0 , còn loại Anh Đào thì nó có giá trị vài chục đến vài trăm mV , như vậy cũng giảm bớt được lượng Ù đáng kể từ trong bản thân của mạch , sau đó mới tính đến các thức khác , sử lý từ trong sử ra ( đó là ý kiến của mình ).
Comment
-
Làm pre thì cứ phải táng mấy em này OPA2134, OPA2132, OPA2604, OPA2277 là gấu nhất.Nguyên văn bởi cvhp Xem bài viếtLownoise thì TL072 và 5532 tốt hơn 4558 đấy
Comment
-
Theo mình thì chủ yếu ampli của VN lắp ráp bị ù xì là do mạch thiết kế ko được tốt:
Ít dùng dây chống nhiễu để liên kết các vỉ,
Lạm dụng hệ số KD quá lớn, có con ampli mình sửa thấy cạp trở hồi tiếp là 100k/0.68k ?
Biến áp quấn thiếu hệ số vòng/vôn -> từ thông lớn lại không che chắn kỹ như trong hàng xịn.
tụ lọc nguồn có điện dung quá nhỏ, VD trong các cục đẩy CS 1200 ->3600 W thường dùng 4 tụ 10000uF63V để đấu nối tiếp kết quả là còn có 2500uF.
Cách đi dây trong đó có dây mát không hợp lý,
Ngoài ra còn do bản thân mạch CS có chỗ chưa hợp lý, VD : thạy vì ổn áp cái nguồn cung cấp cho tầng KD đầu vào thì chỉ lọc sơ sài, hoặc đặt dòng làm việc cho tầng KD so sánh ở đầu vào quá lớn, cũng sinh nhiễu nhiều,
Và tất nhiên chất lượng linh kiện cũng ảnh hưởng, tuy nhiên theo mình thì con 4558 cũng không đến nỗi, đa phần ( 90 %) các đầu DVD đều dùng 4558 làm KD đệm ngõ ra, vậy chả lẽ gỡ đầu DVD mới ra thay NE5532 hay TLxxx vào đó????Chán ko buồn ký.
Comment
-
Hàng 4558 xịn, hay bất cứ linh kiện nào đi theo máy rất ok, chỉ nói hàng lk rời của Tàu bán ngoài chợ thì k tốt mà thôiNguyên văn bởi tho hoc viec Xem bài viếtTheo mình thì chủ yếu ampli của VN lắp ráp bị ù xì là do mạch thiết kế ko được tốt:
Ít dùng dây chống nhiễu để liên kết các vỉ,
Lạm dụng hệ số KD quá lớn, có con ampli mình sửa thấy cạp trở hồi tiếp là 100k/0.68k ?
Biến áp quấn thiếu hệ số vòng/vôn -> từ thông lớn lại không che chắn kỹ như trong hàng xịn.
tụ lọc nguồn có điện dung quá nhỏ, VD trong các cục đẩy CS 1200 ->3600 W thường dùng 4 tụ 10000uF63V để đấu nối tiếp kết quả là còn có 2500uF.
Cách đi dây trong đó có dây mát không hợp lý,
Ngoài ra còn do bản thân mạch CS có chỗ chưa hợp lý, VD : thạy vì ổn áp cái nguồn cung cấp cho tầng KD đầu vào thì chỉ lọc sơ sài, hoặc đặt dòng làm việc cho tầng KD so sánh ở đầu vào quá lớn, cũng sinh nhiễu nhiều,
Và tất nhiên chất lượng linh kiện cũng ảnh hưởng, tuy nhiên theo mình thì con 4558 cũng không đến nỗi, đa phần ( 90 %) các đầu DVD đều dùng 4558 làm KD đệm ngõ ra, vậy chả lẽ gỡ đầu DVD mới ra thay NE5532 hay TLxxx vào đó????.
Comment
-
Biến áp tính đủ vòng volt không tải không nóng tải càng nặng thì càng nóng , quấn thiếu vòng volt thì không tải nóng nhiều hơn khi có tải lại bớt được ít dây đồng giảm giá thành nên biến áp chợ toàn dùng kiểu này loại này dùng xong nên tắt nguồn nếu quên để lâu có thể nóng cháy cuộn vào hay chạm sơ thứ vì không có lớp giấy cách ly giữa 2 cuộn này gây rò điện rất nguy hiểm . Giàn tụ đấu nối tiếp 4 con thì áp là 252 volt quá dư volt đấu song song 2 cặp nối tiếp nếu volt thấp tốt hơn .Nguyên văn bởi tho hoc viec Xem bài viếtTheo mình thì chủ yếu ampli của VN lắp ráp bị ù xì là do mạch thiết kế ko được tốt:
Ít dùng dây chống nhiễu để liên kết các vỉ,
Lạm dụng hệ số KD quá lớn, có con ampli mình sửa thấy cạp trở hồi tiếp là 100k/0.68k ?
Biến áp quấn thiếu hệ số vòng/vôn -> từ thông lớn lại không che chắn kỹ như trong hàng xịn.
tụ lọc nguồn có điện dung quá nhỏ, VD trong các cục đẩy CS 1200 ->3600 W thường dùng 4 tụ 10000uF63V để đấu nối tiếp kết quả là còn có 2500uF.
Cách đi dây trong đó có dây mát không hợp lý,
Ngoài ra còn do bản thân mạch CS có chỗ chưa hợp lý, VD : thạy vì ổn áp cái nguồn cung cấp cho tầng KD đầu vào thì chỉ lọc sơ sài, hoặc đặt dòng làm việc cho tầng KD so sánh ở đầu vào quá lớn, cũng sinh nhiễu nhiều,
Và tất nhiên chất lượng linh kiện cũng ảnh hưởng, tuy nhiên theo mình thì con 4558 cũng không đến nỗi, đa phần ( 90 %) các đầu DVD đều dùng 4558 làm KD đệm ngõ ra, vậy chả lẽ gỡ đầu DVD mới ra thay NE5532 hay TLxxx vào đó????
Comment
-
Biến áp chợ mình chưa thấy cái nào 100% là dây đồng , cái thì cuộn sơ cuấn dây đồng , cuộn thứ dây nhôn , có loại cả 2 đều là nhôm , kể cả biến áp zin đi theo âmply hàng việt nam lắp ráp toà nhôm , mình cuốn lại rất nhiều rồi , nói chung vấn đề Ù xì đau đầu lắm , nó không phải chỉ có mỗi do đi dây , mà còn do PCB , Linh kiện kém chất lượng , dây dẫn cÙi bắp , xắp xếp và bố trí không hợp lý và ti tỉ thứ nữa
Comment
-
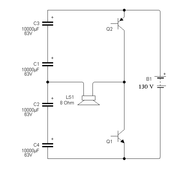
Đúng nhưng mà chưa đủ, khi ampli hoạt động bình thường thì ko sao, nhưng khi 1 vế sò CS A hoặc C chập thì toàn bộ điện áp nguồn sẽ đặt lên 1 vế tụ do dùng mát ảo, nên cần tăng điện áp chịu đựng của tụ, như hình dưới:Nguyên văn bởi tuyennhan Xem bài viết...... Giàn tụ đấu nối tiếp 4 con thì áp là 252 volt quá dư volt đấu song song 2 cặp nối tiếp nếu volt thấp tốt hơn .
Chán ko buồn ký.
Comment
-
xin các bo chỉ giáo về phần amply: Em có một một vỏ amply chết bo CS, mạch bass trebe vẫn ok em mới ra ngoài tiệm mua một bo công xuất của bác song mã sa-8140 về ráp khi ráp song em chạy thử tưởng ngon ăn, nào ngờ loa sôi sùng sục, em xử lý lên xử ly xuống nhưng không ăn thua. Bo nào đã ráp và xử lý ok chỉ giáo em với.
Comment
-
em cung bi giong het bac cung song ma mua ve lap no soi ma em muon dien mau lunNguyên văn bởi lelatoan Xem bài viếtxin các bo chỉ giáo về phần amply: Em có một một vỏ amply chết bo CS, mạch bass trebe vẫn ok em mới ra ngoài tiệm mua một bo công xuất của bác song mã sa-8140 về ráp khi ráp song em chạy thử tưởng ngon ăn, nào ngờ loa sôi sùng sục, em xử lý lên xử ly xuống nhưng không ăn thua. Bo nào đã ráp và xử lý ok chỉ giáo em với.
Comment
-
thế mạch này của em đâu là trở hổi tiếp hả bácNguyên văn bởi Quocthaibmt Xem bài viếtĐó là con trở 5,6k đi từ chân 2(6) của IC xuống mass và 2 linh kiện tụ 27p//100k đi từ chân C 2 sò về chân 2 (6) của IC 4558, đó là phần mạch hồi tiếp . nhưng đây không phải là chỗ làm tăng hoặc giảm tiếng ù của ampli !
Comment
-
nhìn vào tấm hình thứ 2 , không thấy được phía mạch in nên tôi xem thấy có lẽ trở 62k nằm gần chữ Q15 , nếu nó nối từ ngõ ra loa đến chân B Q16 thì đó là trở hồi tiếp nghịch , còn trở 820 ohm nằm gần C07 là trở hồi tiếp dương , nếu giảm trở 62k thì độ lợi của mạch sẽ giảm , âm thanh ra nhỏ hơn , nếu giảm trở 820 thì độ lợi của mạch tăng lên , âm thanh ra sẽ mạnh hơn , phối hợp điều chỉnh 2 trở này cho hợp lý thì độ lợi của mạch sẽ đủ mạnh nhưng không làm giảm chất lượng tín hiệu ra .Nguyên văn bởi trầnđứchải Xem bài viếtthế mạch này của em đâu là trở hổi tiếp hả bác [ATTACH=CONFIG]83438[/ATTACH][ATTACH=CONFIG]83439[/ATTACH]
Comment
Bài viết mới nhất
Collapse
-
bởi mylinhattTrong vận hành thực tế, nhiều xưởng gia công gặp tình trạng máy phay CNC bắt đầu sai kích thước, bề mặt rung nhẹ hoặc phát sinh lỗi thay dao dù chương trình và dao cắt không thay đổi. Phần lớn các vấn đề này không xuất phát từ lập trình mà đến từ việc bảo dưỡng máy chưa được thực hiện đúng và đủ....
-
Channel: Máy công cụ
Hôm qua, 11:27 -
-
bởi ittcHì, em tính đi mua 1 cái máy Khoan và máy Mài (cắt), em đã chính thức gạt thằng BOSCH sang 1 bên vì giá cao hơn Dewalt và Makita, hơn nữa xem Cataloge của nó thì hàng ít model mẫu mã hơn.
Giá Dewalt và Makita thấy ngang ngửa nhau, thôi thì nhu...-
Channel: Điện tử gia dụng
Hôm qua, 07:20 -
-
bởi DaoVanTrongChào Anh Em. Nay em có tạo 1 sơ đồ mạch UPS sau, xin Ae cho ý kiến.
Và nếu biết sản phẩm này nếu có sẵn thì em xin link để mua (nếu giá phù hợp) thì em đỡ phải làm ạ, vì em tìm nhưng không thấy:
╔═══════════════════[ĐIỆN_LƯỚI_220V]════════════════╗...-
Channel: Điện tử sáng tạo
21-12-2025, 23:32 -
-
Trả lời cho Nên mua máy phay CNC cũ, máy mới phổ thông hay máy chất lượng cao? Góc nhìn từ bài toán sản xuất thực tếbởi nguyendinhvanNgày trước, khi KT đang tăng trưởng, một cái máy tự động cũ tầm trung, thì khoảng 5 năm là hoàn vốn. Nhưng hiện tại, mọi việc đều chậm trễ, cạnh tranh, nên theo các xếp tính thì phải hơn 10 năm làm việc ngon lành thì mới hoàn vốn....
-
Channel: Máy công cụ
20-12-2025, 20:23 -
-
Trả lời cho cách làm led Hao Quang.có pro nào biết k nhỉ ???bởi StatusHello! I'm from Kazakhstan. Can anyone share the HEX file with me? The download link in post 50 doesn't work.
-
Channel: Vi điều khiển họ 8051
18-12-2025, 00:05 -
-
bởi mylinhattChào anh em cơ khí,
Trong quá trình tư vấn đầu tư thiết bị cho xưởng, mình gặp rất nhiều câu hỏi kiểu: “Nên mua máy phay CNC cũ để tiết kiệm, chọn máy mới phổ thông cho yên tâm, hay cố gắng lên máy chất lượng cao để làm hàng khó?”. Thực tế, đây không phải câu hỏi chỉ về...-
Channel: Máy công cụ
17-12-2025, 13:38 -
-
Trả lời cho Vấn đề về tốc độ quaybởi nguyendinhvanSử dụng động cơ servor, hoặc lắp thêm một cái encoder vào động cơ bước. Encoder sẽ kiểm soát động cơ có quay hoặc đứng im.
-
Channel: Điện tử truyền hình
14-12-2025, 19:50 -

Comment