Thông báo
Collapse
No announcement yet.
[Help] IC 4558
Collapse
X
-
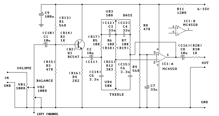
2 con tụ đó đảo ngược cực lại đi bạn. BC547 có thể thay bằng C1815. Mà 4 con trở 47k và 56k nên thay bằng nhau hết điNguyên văn bởi mr_bin611 Xem bài viết[ATTACH=CONFIG]26436[/ATTACH]
em có cái sơ đồ mạch bas treble dùng 4558 nhưng nó không chạy, xem giùm em con tụ C1 và C2 lắp như vậy đã đúng chưa?
và con BC547 ở bên ngoài không có bán em nên thay con nào?
thanks !!!!
-
thay được nhưng con c2383 đắt hơn lãng phíNguyên văn bởi mr_bin611 Xem bài viếtvậy con C1815 có thể thay bằng con C2383 được không anh ?
Comment
-
đây là mạch chạy nguồn đơn chứ ko phải nguồn đôi đâu bạn. Còn ko chạy cóthể là do hàn sai chân lkNguyên văn bởi 0972568142 Xem bài viếtbạn phải cấp nguồn đôi cho nó
Comment
-
mọi người oi có ai biêt tai sao con JRC4558 tôi lắp kiểu j nó cũng bị dè là làm sao koNguyên văn bởi cvhp Xem bài viếtbạn lắp mạch này, Bass mid treb lun, dùng chỉ 1 con 4558, nguồn đôi +-12 hay 15, chạy ngon.
[ATTACH=CONFIG]56277[/ATTACH]
Comment
-
dè là sao hả bạn? mình lắp mạch này và xài hơn 1 năm rùi đó, k bị j cả, rè là do bạn ổn nguồn +-12 chưa tốt lắm, nên nhiễu, gắn vào bo CS thì nghe xè xè pải hok ?Nguyên văn bởi vinh0904426 Xem bài viếtmọi người oi có ai biêt tai sao con JRC4558 tôi lắp kiểu j nó cũng bị dè là làm sao ko.
Comment
-
[MENTION=140364]mrbin611[/MENTION]
mấy điều bạn nên biết như sau :
opamp 4558 có thể lắp nguồn đơn hay nguồn đôi cũng được tùy theo thiết kế mạch
phân tích mạch bạn đưa lên có chổ sai tụ C1 cần đảo cực tính cho đúng hay thay loại nonpolar nghe sẽ hay hơn
transistor BC457 có thể thay C1815 , C458 transistor này làm nhiệm vụ đêm (Buffer) nâng trở kháng nhập ngõ ra low Z có hệ số khuyếch đại = 0 nếu bạn dùng hát CD hay cassette thì có thể không cần con này lúc ấy ngõ in vào ngay tụ C2 cần đảo cực lại và dùng 1mF mà thôi quan sát mạch bạn thấy khi dùng nguồn đơn mạch buộc phải thiết kế nguồn đơn ảo bằng phân áp R8 R9 , mắc lọc C3 cần 1/2 B+ do đó bạn Quanghao nói :thay R8 và R9= nhau 47k+47 là chính xác lúc ấy sụt áp trên R9 sẽ là 1/2 B+
Comment
-
Vì khi vặn 1/2 volume tín hiệu suy giãm theo log.lúc ấy tín hiệu từ phần Pre qua it hơn 1/2 hệ số khuyếch đại toàn mạch giãm > hết xì xìNguyên văn bởi cvhp Xem bài viếtah, khi mắc trực tiếp mạch Âm sắc này vào mạch CS thì có xè xè, bạn mắc thêm 1 biến trở 100k giữa tầng bass mid treb đó và CS vặn 50% là k xè k nhiễu, cái này mình cũng k biết tại sao nữa, để hỏi lại mấy cao thủ xem
[ATTACH=CONFIG]56917[/ATTACH]
Comment
Bài viết mới nhất
Collapse
-
bởi mylinhattTrong vận hành thực tế, nhiều xưởng gia công gặp tình trạng máy phay CNC bắt đầu sai kích thước, bề mặt rung nhẹ hoặc phát sinh lỗi thay dao dù chương trình và dao cắt không thay đổi. Phần lớn các vấn đề này không xuất phát từ lập trình mà đến từ việc bảo dưỡng máy chưa được thực hiện đúng và đủ....
-
Channel: Máy công cụ
Hôm qua, 11:27 -
-
bởi ittcHì, em tính đi mua 1 cái máy Khoan và máy Mài (cắt), em đã chính thức gạt thằng BOSCH sang 1 bên vì giá cao hơn Dewalt và Makita, hơn nữa xem Cataloge của nó thì hàng ít model mẫu mã hơn.
Giá Dewalt và Makita thấy ngang ngửa nhau, thôi thì nhu...-
Channel: Điện tử gia dụng
Hôm qua, 07:20 -
-
bởi DaoVanTrongChào Anh Em. Nay em có tạo 1 sơ đồ mạch UPS sau, xin Ae cho ý kiến.
Và nếu biết sản phẩm này nếu có sẵn thì em xin link để mua (nếu giá phù hợp) thì em đỡ phải làm ạ, vì em tìm nhưng không thấy:
╔═══════════════════[ĐIỆN_LƯỚI_220V]════════════════╗...-
Channel: Điện tử sáng tạo
21-12-2025, 23:32 -
-
Trả lời cho Nên mua máy phay CNC cũ, máy mới phổ thông hay máy chất lượng cao? Góc nhìn từ bài toán sản xuất thực tếbởi nguyendinhvanNgày trước, khi KT đang tăng trưởng, một cái máy tự động cũ tầm trung, thì khoảng 5 năm là hoàn vốn. Nhưng hiện tại, mọi việc đều chậm trễ, cạnh tranh, nên theo các xếp tính thì phải hơn 10 năm làm việc ngon lành thì mới hoàn vốn....
-
Channel: Máy công cụ
20-12-2025, 20:23 -
-
Trả lời cho cách làm led Hao Quang.có pro nào biết k nhỉ ???bởi StatusHello! I'm from Kazakhstan. Can anyone share the HEX file with me? The download link in post 50 doesn't work.
-
Channel: Vi điều khiển họ 8051
18-12-2025, 00:05 -
-
bởi mylinhattChào anh em cơ khí,
Trong quá trình tư vấn đầu tư thiết bị cho xưởng, mình gặp rất nhiều câu hỏi kiểu: “Nên mua máy phay CNC cũ để tiết kiệm, chọn máy mới phổ thông cho yên tâm, hay cố gắng lên máy chất lượng cao để làm hàng khó?”. Thực tế, đây không phải câu hỏi chỉ về...-
Channel: Máy công cụ
17-12-2025, 13:38 -
-
Trả lời cho Vấn đề về tốc độ quaybởi nguyendinhvanSử dụng động cơ servor, hoặc lắp thêm một cái encoder vào động cơ bước. Encoder sẽ kiểm soát động cơ có quay hoặc đứng im.
-
Channel: Điện tử truyền hình
14-12-2025, 19:50 -

Comment