Thông báo
Collapse
No announcement yet.
good website for electronic
Collapse
X
-
vdu muốn tìm remote cho door lock
> search gõ vào > kq:
[Menu]>[Application]>[Circuit Idea for the Car]>[Remote Door Lock]
Circuit explanation for Remote Door Lock
Basic timer circuit
The basic circuit to use this time is a circuit on the left.
The electric current flows like R1 -> C1 -> Base of TR1 -> Emitter of TR1 -> Ground when the voltage of input(IN) changes from 0V to +12V. The store of the electric charge to capacitor C1 begins with this electric current. Because voltage of the both edges of the capacitor goes up when an electric charge is stored up into the capacitor, the electric current decreases. The decrease of the electric current is due to the following reason. When the voltage between the IN and the ground is 12V, the electric current which flows through resistor R1 becomes the value which divided the voltage which is applied to the resistor by the resistance value. For example, when an electric charge isn't stored up in C1, the voltage of C1 is 0V and the voltage which is applied to R1 becomes approximately 12V. Strictly, this value becomes the values which are about 0.6V few. 0.6V is voltage between the base and the emitter. In this explanation, I ignore this value. Supposing that the resistance value is 3.3 k-ohm, the electric current which flows through the resistor is 12V/3300ohm = 0.0036A = 3.6mA. As an electric charge is stored up into C1, the voltage of C1 rises. For example, it supposes that the voltage of C1 rose to 5V. In this case, the voltage which is applied to the resistor becomes 12V-5V = 7V. So, the electric current which flows through the resistor becomes 7V/3300ohm = 0.0021A = 2.1mA and is decreased compared with the previous value. Finally, when the store of the electric charge ends in C1, the electric current which flows through C1 stops.
Next, I let's explain that the transistor works. As for the transistor, when the electric current is flowing through the base, the electric current flows through the emitter from the collector. So, in case of being in the condition which the electric charge is storing up in C1, the electric current flows through the base and the relay (RL1) works. The electric charge finishes being stored up into C1 and the base electric current stops, the collector electric current gets not to flow and the operation of the relay (RL1) stops. That is, even if 12V are continuously applied on input (IN), the relay (RL1) works only in the constant time.
Next, I let's explain the calculation of the value of R1. The value of R1 is decided by the base electric current. The transistor has current amplification factor (hFE). The collector electric current with the value which multiple hFE on the base electric current can be passed. This is the value not to flow through the collector by and for it to be able to pour. For example, it assumes the transistor's hFE is 100. When making R1 3.3 k-ohm and in case of electric charge's not being stored up yet in C1, (12V-0.6V)/3300ohm = 0.0035A = 3.5mA is a base electric current. When hFE is 100, the collector electric current is 350mA. However, the electric current which flows through the collector is decided by the circuit which is connected with the collector. This time, because the collector electric current flows through the relay (RL1), more collector electric currents don't flow than the electric current which flows through RL1. Actually, only the about 30mA electric current flows through RL1. So, even if the 3.5mA electric current flows through the base, the collector electric current is 30mA. Seemed a base electric current for it as extra but this is to make a transistor ON condition perfectly. The transistor doesn't become ON condition perfectly in case of being a base electric current (30mA/100=0.3mA) as the calculation and the resistance occurs between the collector and the emitter. In this case, extra electric power is consumed with the transistor.
In the time that the relay (RL1) works, it is decided by the value of capacitor C1. It is difficult to calculate this value. It is possible to calculate, but the actually tried one is simpler and is sure. Decide the operating time of the relay while changing the value of the capacitor.
Discharge circuit of the capacitor
The timer circuit is using the time that an electric charge is stored up into the capacitor. When not discharging the electric charge which was stored up in the capacitor, the timer circuit doesn't work, being normal at the next time. The circuit to make discharge the electric charge which was stored up in the capacitor is necessary when the input passed away.
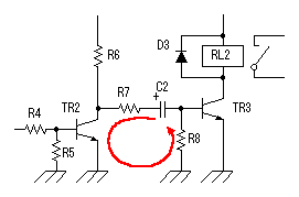
The figure on the left is the door lock circuit. When TR2 is in the OFF condition, the electric current flows through R6 -> R7 -> C2 -> TR3, and C2 charges. Next, when TR2 becomes ON condition, the electric charge which was stored up in C2 flows through R7 -> TR2 -> Ground -> R8 and discharge by it. In case of the NPN transistor, because the electric current doesn't flow the base from the emitter, it needs R8.
You can connect the collector of transistor TR2 with the node of C2 and R7 without dividing R6 and R7. The way can quicken to discharge of the capacitor. The circuit this time divided R6 and R7 to suppress the discharge current of C2. However, because there is R8, there is no need for division.
This door lock circuit differs compared with the previous basic circuit in the condition of the input. The relay works only in the constant time when the input falls to 0V from +12V. TR2 is doing the function of the inverter.
The schematic on the left is removed D1 and R2 from the door unlock circuit. In this case, when the switch on the receiver is turned off, the electric charge which was stored up in C1 flows through R1 -> R4 -> TR2 -> Ground -> R3. Therefore, TR2 doesn't become OFF condition immediately and the operation of the relay (RL2) becomes slow. Moreover, because the electric currents which flow through C2 are few, the operation of the relay (RL2) becomes weak. The normal operation can not be gotten.
When adding D1 and R2, the discharge current of C1 flows through R2 -> Ground -> R3 and doesn't flow through the door lock circuit. With this, the door lock circuit can be worked, being normal.chỉ llac bang tel
Bài viết mới nhất
Collapse
-
bởi mylinhattTrong vận hành thực tế, nhiều xưởng gia công gặp tình trạng máy phay CNC bắt đầu sai kích thước, bề mặt rung nhẹ hoặc phát sinh lỗi thay dao dù chương trình và dao cắt không thay đổi. Phần lớn các vấn đề này không xuất phát từ lập trình mà đến từ việc bảo dưỡng máy chưa được thực hiện đúng và đủ....
-
Channel: Máy công cụ
hôm nay, 11:27 -
-
bởi ittcHì, em tính đi mua 1 cái máy Khoan và máy Mài (cắt), em đã chính thức gạt thằng BOSCH sang 1 bên vì giá cao hơn Dewalt và Makita, hơn nữa xem Cataloge của nó thì hàng ít model mẫu mã hơn.
Giá Dewalt và Makita thấy ngang ngửa nhau, thôi thì nhu...-
Channel: Điện tử gia dụng
hôm nay, 07:20 -
-
bởi DaoVanTrongChào Anh Em. Nay em có tạo 1 sơ đồ mạch UPS sau, xin Ae cho ý kiến.
Và nếu biết sản phẩm này nếu có sẵn thì em xin link để mua (nếu giá phù hợp) thì em đỡ phải làm ạ, vì em tìm nhưng không thấy:
╔═══════════════════[ĐIỆN_LƯỚI_220V]════════════════╗...-
Channel: Điện tử sáng tạo
Hôm qua, 23:32 -
-
Trả lời cho Nên mua máy phay CNC cũ, máy mới phổ thông hay máy chất lượng cao? Góc nhìn từ bài toán sản xuất thực tếbởi nguyendinhvanNgày trước, khi KT đang tăng trưởng, một cái máy tự động cũ tầm trung, thì khoảng 5 năm là hoàn vốn. Nhưng hiện tại, mọi việc đều chậm trễ, cạnh tranh, nên theo các xếp tính thì phải hơn 10 năm làm việc ngon lành thì mới hoàn vốn....
-
Channel: Máy công cụ
20-12-2025, 20:23 -
-
Trả lời cho cách làm led Hao Quang.có pro nào biết k nhỉ ???bởi StatusHello! I'm from Kazakhstan. Can anyone share the HEX file with me? The download link in post 50 doesn't work.
-
Channel: Vi điều khiển họ 8051
18-12-2025, 00:05 -
-
bởi mylinhattChào anh em cơ khí,
Trong quá trình tư vấn đầu tư thiết bị cho xưởng, mình gặp rất nhiều câu hỏi kiểu: “Nên mua máy phay CNC cũ để tiết kiệm, chọn máy mới phổ thông cho yên tâm, hay cố gắng lên máy chất lượng cao để làm hàng khó?”. Thực tế, đây không phải câu hỏi chỉ về...-
Channel: Máy công cụ
17-12-2025, 13:38 -
-
Trả lời cho Vấn đề về tốc độ quaybởi nguyendinhvanSử dụng động cơ servor, hoặc lắp thêm một cái encoder vào động cơ bước. Encoder sẽ kiểm soát động cơ có quay hoặc đứng im.
-
Channel: Điện tử truyền hình
14-12-2025, 19:50 -

Comment