Thông báo

Collapse
No announcement yet.

Một mạch điện hay cho dân mê nhạc

Collapse
X
 
  • Lọc
  • Giờ
  • Show
Clear All
new posts

  • #76
    troi oi chi can mua 1 con LÂ6884 al song chi 80000D
    thoi

    Comment


    • #77
      cái đó em đã làm, dùng con AN6884 (chỉ có 5000đ thôi à) nhưng chỉ được 5 hàng LED, muốn làm cái 10 LED cho nó sướng mắt.
      ||

      Comment


      • #78
        Nguyên văn bởi vandat07 Xem bài viết
        còn mấy cái biến trở 47K có thể thay thế bằng con 204K được không?
        không thể thay con 47K thành con 204 đâu bạn ha, con 204 = 200k > 4 lần con 47K, bạn có thể lấy con 503 thây thế cho 47K là OK. Chúc bạn thành công

        toandt: 0988846132

        Comment


        • #79
          Nguyên văn bởi vandat07 Xem bài viết
          cái đó em đã làm, dùng con AN6884 (chỉ có 5000đ thôi à) nhưng chỉ được 5 hàng LED, muốn làm cái 10 LED cho nó sướng mắt.
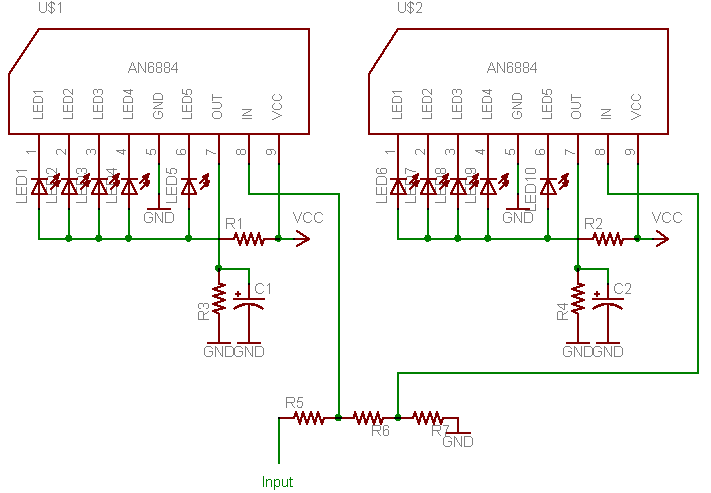
          Dùng 2 con 6884 để có 10 hàng LED cũng được.
          Sử dụng cầu phân áp ngõ vào thích hợp cho từng con.
          Tuy nhiên AN6884 hiển thị với chế độ logarit (decibel), nên nếu muốn dùng
          như trên để đo chính xác thì không được.
          Attached Files
          Last edited by kimhuynguyen; 04-07-2008, 07:27.
          More friends more foods

          Comment


          • #80
            Dùng 2 con 6884 để có 10 hàng LED cũng được.
            Sử dụng cầu phân áp ngõ vào thích hợp cho từng con.
            Cho em cái mạch luôn đi.
            Thank!
            ||

            Comment


            • #81
              Đây là cái mạch em lắp cho cái loa.
              Attached Files
              ||

              Comment


              • #82
                Nguyên văn bởi kimhuynguyen Xem bài viết
                Dùng 2 con 6884 để có 10 hàng LED cũng được.
                Sử dụng cầu phân áp ngõ vào thích hợp cho từng con.
                Tuy nhiên AN6884 hiển thị với chế độ logarit (decibel), nên nếu muốn dùng
                như trên để đo chính xác thì không được.
                Nếu làm theo cách này thì khó có thể cho nó nháy theo một cách tuồn tự được

                toandt: 0988846132

                Comment


                • #83
                  Nguyên văn bởi toandt Xem bài viết
                  Nếu làm theo cách này thì khó có thể cho nó nháy theo một cách tuồn tự được
                  Tuần tự thì vẫn tuần tự được, có điều là không được tuyến tính thôi.
                  More friends more foods

                  Comment


                  • #84
                    Nguyên văn bởi koda
                    cái này nhìn quen quen
                    hình như là co trên www.sample.co.kr phải không chú
                    Cái này là tự ráp rồi lắp vào loa luôn chứ có ăn cắp của ai đâu.

                    cái này em mới lắp nè
                    Attached Files
                    ||

                    Comment


                    • #85
                      Nguyên văn bởi vandat07 Xem bài viết
                      Đây là cái mạch ở đầu bài em có xoá mấy phần hy vọng đơn giản hơn

                      không biết mấy con trong mạch này có thể thay bằng A1015, C1815 như bác kimhuynguyen nói cho em hôm trước.
                      Rất mong được trả lời.
                      thật ra mạch này ko cần dùng nguồn 6v đâu , mấy u lấy lun nguồn 5V từ nguồn máy tính , rùi thay trở 560 = trở 100 , sáng cho đã ...
                      - tui ko rõ E.C.M là mic thì phải ?! chứ loa thì vô lí , vì ta ko có tín hịu INput

                      Comment


                      • #86
                        Vậy bạn tưởng cái mic là cái gì? Mấy ông thợ sửa đồ điện dân dụng, khi sửa mic thì vô lý làm sao lại đưa cái mic lên...tai để nghe.....
                        Tuy nhiên, mic loại Electret sẽ được dùng ở mạch trên bởi nó nhỏ gọn.
                        Attached Files

                        Comment


                        • #87
                          vạn sự khởi đầu nan,gian nan bắt đầu nản!

                          Nguyên văn bởi mrcuongcon Xem bài viết
                          Vậy bạn tưởng cái mic là cái gì? Mấy ông thợ sửa đồ điện dân dụng, khi sửa mic thì vô lý làm sao lại đưa cái mic lên...tai để nghe.....
                          Tuy nhiên, mic loại Electret sẽ được dùng ở mạch trên bởi nó nhỏ gọn.
                          vậy mua loại mic này ở đâu bạn.ở chợ Trời có bán ko bạn?giá bao nhiêu?

                          Comment


                          • #88
                            Cái loa, khi cho dòng điện vào (dòng điện biến đổi nhé) thì nó sẽ phát ra âm thanh, ngược lại, khi có luồng âm thanh tác động vào thì ở hai đầu của dây loa sẽ phát sinh dòng điện biến đổi theo sự biến đổi của âm thanh.
                            Mình biết được có hai loại mic:
                            _ Loại hoạt động theo nguyên lý cảm ứng điện từ (đã nói ở trên). Loại này thường có kích thước lớn, khó có thể tích hợp vào các thiết bị nhỏ gọn và nó rất hay bị hỏng. Các bạn có thể thấy nó ở các bộ karaoke, các míc thu phát không dây dân dụng.
                            _ Loại hoạt động theo sự thay đổi điện dung (?????kô bit có phải kô nữa) tên gọi là loại mic Electret. Nó rất nhỏ gọn, chỉ bằng đầu đũa thôi, thường thấy trong các thiết bị như MP3, tai phone trùm đầu, radio...
                            Cả hai loại trên thì đều có bán ở chợ trời.
                            Ý bạn muốn nói đến loại mic Electret phải không? Ngoài chợ zời hình như là 2k/1con thì phải.

                            Comment


                            • #89
                              anh nào làm rồi thì có thể up hình vẽ sơ đồ mạch in cho em xem với, em vẽ hoài mà ko được. Thanks mọi người rất nhiều.

                              Comment


                              • #90
                                thấy đề tài này cũng mê thật, để em làm thử một cái xem .nhưng khổ nổi em không có nhiều khinh nghiệm làm mạch có gì nhở các anh giúp giùm nhá!

                                ĐƯỜNG ĐI KHÓ,
                                KHÔNG KHÓ VÌ NGĂN SÔNG CÁCH NÚI
                                MÀ CHỈ SỢ LÒNG NGƯỜI NGẠI NÚI E SÔNG !

                                Comment

                                Về tác giả

                                Collapse

                                kienvtc Tìm hiểu thêm về kienvtc

                                Bài viết mới nhất

                                Collapse

                                Đang tải...
                                X