Thông báo

Collapse
No announcement yet.

lại vấn đề về mạch đèn đuổi(rất mong chỉ giáo nhanh chóng)

Collapse
X
 
  • Lọc
  • Giờ
  • Show
Clear All
new posts

  • lại vấn đề về mạch đèn đuổi(rất mong chỉ giáo nhanh chóng)

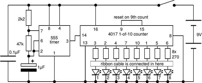
    các bác ơi em có một bộ mạch đèn đuổi thiết kế và mô phỏng bằng các phần mềm mô phỏng thì chạy rất là ok rùi. song khi đem ra thiết kế bằng sản phẩm thực sự thì lại kô chạy được. em ko hiểu tại sao rất mong được chỉ giáo. Mạch của em đây (các pro nhớ vào giúp nha)
    Attached Files

  • #2
    nó bị sao vậy bồ?
    SỰ HỌC LÀ MÃI MÃI......!!!!

    Comment


    • #3
      kiểm tra xem con LM555 có tạo dao động ko?
      Attached Files

      Comment


      • #4
        em thiết kế như vậy song kô hiểu sao kô chạy được trên thực té. chạy bằng proteu rất ngon luôn, làm mạch thực tế thì em dùng máy đo điện thây có điện ra ở chỗ mấy cái đèn led nhưng khi qua trở 270 thì lại không sáng

        Comment


        • #5
          khi ráp xong mạch im re không có biểu hiện gì sao?
          0945061338(vocam.h@gmail.com,lehanhdtk3@gmail.com)
          ||
          PROGRAMING(C,ASM),HARDWARE,LMD,RTC,GPRS,GPS....ALL OF VDK

          Comment


          • #6
            bạn cần kiểm tra lại NE tạo xung clock!
            thử tăng tụ nên một chút( 10uF)
            bạn ráp mạch dao động với NE555 để tạo xung clock cho 4017, vì vậy bạn cần tính toán một chút!
            nếu NE555 nháy nhanh quá thì bạn sẽ không nhận thấy trạng thái của các led thay đổi
            còn nếu NE555 nháy chậm quá thì .... bạn không ngồi chờ được để nhìn thấy nó thay đổi trạng thái sau một khoảng thời gian quá dài
            vấn đề là ở phần dao động của NE555
            bạn xem lại chắc chắn sẽ ổn
            chúc thành công!
            0945061338(vocam.h@gmail.com,lehanhdtk3@gmail.com)
            ||
            PROGRAMING(C,ASM),HARDWARE,LMD,RTC,GPRS,GPS....ALL OF VDK

            Comment


            • #7
              bạn xem lại datasheet của 4017 nữa nhé
              mình nhớ là nó được cấp điện áp nguồn là vcc=5v thôi
              nếu vậy thì có thể bạn làm die ic rồi
              0945061338(vocam.h@gmail.com,lehanhdtk3@gmail.com)
              ||
              PROGRAMING(C,ASM),HARDWARE,LMD,RTC,GPRS,GPS....ALL OF VDK

              Comment


              • #8
                Nguyên văn bởi vo_cam Xem bài viết
                bạn xem lại datasheet của 4017 nữa nhé
                mình nhớ là nó được cấp điện áp nguồn là vcc=5v thôi
                nếu vậy thì có thể bạn làm die ic rồi
                V max supply của 4017 là 18 V lận, mới 9V thì nhằm nhò gì hả bạn ?.

                nó bị sao vậy bồ?
                talht
                Mạch này cần chú ý :

                - Lọc nguồn kỹ phần thấp tần, chống thăng giáng điện áp vì ngườn pin 9V có nột trở khá lớn. Tụ 104 chỉ có tác dụng với tần số cao thôi.

                - Điện trở ra Led nên thay bằng 820 ohm thay vì 270.

                em thiết kế như vậy song kô hiểu sao kô chạy được trên thực té. chạy bằng proteu rất ngon luôn, làm mạch thực tế thì em dùng máy đo điện thây có điện ra ở chỗ mấy cái đèn led nhưng khi qua trở 270 thì lại không sáng
                satthuvutru
                Simulation chỉ là cái tham khảo thôi, mạch thực tế luôn luôn đòi hỏi nhiều hơn thế. Đó là chuyện "thường ngày ở huyện" mà. Hihi.

                Lan Hương.

                Comment


                • #9
                  Nguyên văn bởi satthuvutru Xem bài viết
                  em thiết kế như vậy song kô hiểu sao kô chạy được trên thực té. chạy bằng proteu rất ngon luôn, làm mạch thực tế thì em dùng máy đo điện thây có điện ra ở chỗ mấy cái đèn led nhưng khi qua trở 270 thì lại không sáng
                  U có thể gủi file thiết kế cho mình ko?
                  Đăng ký Dropbox có ngay 2GB lưu trữ online miễn phí:

                  Comment


                  • #10
                    cám ơn các bác đã gợi ý

                    như vậy có phải chỉ cần thay trở 270 thành 820 và tụ tăng lên 10uF là được phải không các bác, đúng là em cảm thấy chỗ đoạn thiết kế con 555 là hơi dở nhưng em mới vào nghề còn chưa biết nhiều , bác nào pro có thể thiết kế con 555 lại hộ em được kô(theo em chỉ cần sủa lại tụ là được), bác Lanhuong góp ý chỗ 270 thành 820 nhưng em không hiểu rõ lắm là tại sao, bác có thể hướng dẫn cụ thể hơn được kô

                    Comment


                    • #11
                      Với mạch 555 như trên thì chu kỳ dao đông = ln2*(2,2+2*47)*10^3*10^-6= 0.066s. F=1/T=15Hz, như vậy củng quan sát dc chứ. Chắc là do bạn làm mạch in hoặc lăp linh kiện có vấn đề thôi.
                      Đăng ký Dropbox có ngay 2GB lưu trữ online miễn phí:

                      Comment


                      • #12
                        Bạn nên thay lại tụ từ chân 6 xuống GND, tăng lên 10uF, thậm chí 22uF - 47uF xem sao. Hiện giờ tần số dao động của 555 đang cao (~15Hz), vì thế có thể bạn khg thấy nó "nháy".
                        Chưa đỗ tú tài, nên vẫn còn phải đi học.

                        Comment


                        • #13
                          Nguyên văn bởi satthuvutru Xem bài viết
                          bác Lanhuong góp ý chỗ 270 thành 820 nhưng em không hiểu rõ lắm là tại sao, bác có thể hướng dẫn cụ thể hơn được kô
                          Tăng điện trở lên 820 để đỡ tốn pin, giảm dòng cấp của pin để tránh ảnh hưởng tới hoạt động của mạch.
                          Chưa đỗ tú tài, nên vẫn còn phải đi học.

                          Comment


                          • #14
                            Con 4017 này thuộc dòng CMOS nên điện áp chịu đựng của nó là tương đối cao: Vmax tận 18V. Và đặc biệt là dòng CMOS này khi thiết kế mạch mà dùng trực tiếp mỏ hàn xung thường hay bị loạn(khuyến cáo nên hàn đế rồi lắp IC vào sau). Phải để cho tần số của xung khoảng 1,2,3 Hz thì mới quan sát đúng được.

                            Comment


                            • #15
                              tạo xung clock

                              V max supply của 4017 là 18 V lận, mới 9V thì nhằm nhò gì hả bạn ?.


                              Trích:
                              vậy biên độ xung clock có cao như vậy không nhỉ?
                              0945061338(vocam.h@gmail.com,lehanhdtk3@gmail.com)
                              ||
                              PROGRAMING(C,ASM),HARDWARE,LMD,RTC,GPRS,GPS....ALL OF VDK

                              Comment

                              Về tác giả

                              Collapse

                              satthuvutru Tìm hiểu thêm về satthuvutru

                              Bài viết mới nhất

                              Collapse

                              Đang tải...
                              X