Chào các anh chị trong diển đàn.
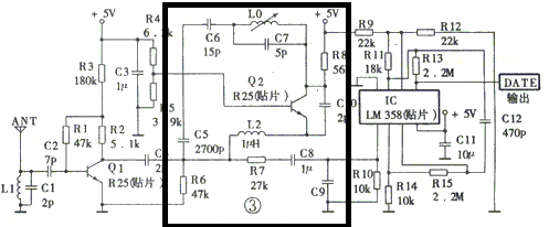
Tình hình là em đang làm đồ án về mạch thu phát RF 433Mhz. Mà em không hiểu nguyên lý mạch cho lắm. Anh chị em trong diển đàn ai biết phần mạch đóng khung đen trong hình dưới hoạt động như thế nào k vậy?
Em cảm ơn
Tình hình là em đang làm đồ án về mạch thu phát RF 433Mhz. Mà em không hiểu nguyên lý mạch cho lắm. Anh chị em trong diển đàn ai biết phần mạch đóng khung đen trong hình dưới hoạt động như thế nào k vậy?
Em cảm ơn
