Em muốn hạ áp xuống...bây giờ pai thay những linh kien nào ạ
Thông báo
Collapse
No announcement yet.
Giúp đỡ về nguồn xung
Collapse
X
-
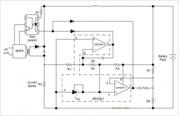
Sai rồi Mèo Mướp ơi, R1 để hạn dòng cho diode phát quang nội trong Opto thôi, tỷ lệ R7/R8 mới quyết định điện áp ra. Để giảm áp có thể giảm R7 hoặc tăng R8, hoặc kết hợp cả 2, nói chung giảm tỷ lệ R7/R8 là được.Nguyên văn bởi mèomướp Xem bài viếtDạ là con r1 ạ.....................
- 1 like
Comment
Bài viết mới nhất
Collapse
-
bởi torasungChào anh em,
Mình đang tìm hiểu và cấu hình một con biến tần Delta model VFD037E43A dùng cho động cơ công suất nhỏ, ứng dụng băng tải và quạt. Trước đây mình chủ yếu làm với vài dòng khác của Delta nhưng chưa dùng nhiều model này, nên muốn...-
Channel: Điện tử công nghiệp
Hôm qua, 09:13 -
-
Trả lời cho Vấn đề về tốc độ quaybởi nguyendinhvanSử dụng động cơ servor, hoặc lắp thêm một cái encoder vào động cơ bước. Encoder sẽ kiểm soát động cơ có quay hoặc đứng im.
-
Channel: Điện tử truyền hình
14-12-2025, 19:50 -
-
bởi Andrea14Chào mọi người,
Tôi muốn mô phỏng sự thay đổi các mùa bằng cách từ từ nghiêng một quả địa cầu 16 inch bằng một động cơ bước nhỏ. Một động cơ bước khác sẽ quay quả địa cầu theo thời gian thực. Hệ thống truyền động...-
Channel: Điện tử truyền hình
12-12-2025, 12:42 -

Comment