Thông báo

Collapse
No announcement yet.

Led nháy theo nhạc

Collapse
X
 
  • Lọc
  • Giờ
  • Show
Clear All
new posts

  • Led nháy theo nhạc

    có anh chị nào biết làm mạch led này ko? cho em xin sơ đồ mạch!
    Mạch đèn Led theo tiếng nhạc - YouTube

  • #2
    mọi người đâu rùi!!!!!!!!!!!!

    Comment


    • #3
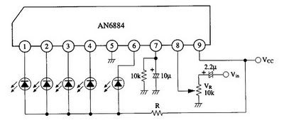
      đây này bạn ơi Click image for larger version

Name:	den nhay theo nhac.jpg
Views:	1
Size:	11.6 KB
ID:	1355434

      Comment


      • #4
        Nguyên văn bởi ninhhp93 Xem bài viết
        đây này bạn ơi [ATTACH=CONFIG]39667[/ATTACH]
        ko phải mạch AN6884 đâu bạn, mạch 3 led như thế này cơ Mạch đèn Led theo tiếng nhạc - YouTube

        Comment


        • #5
          thế 5 led chú không thích hơn 3 led à
          SĐt: 01238004961

          Comment


          • #6
            Nguyên văn bởi mrbaosuper Xem bài viết
            thế 5 led chú không thích hơn 3 led à
            2 mạch này cho 2 hiệu ứng khác nhau. Mạch 3 led kia cho hiệu ứng đẹp hơn mạch 5 led dùng AN6884, mrbaosuper vô mà xem Mạch đèn Led theo tiếng nhạc - YouTube
            * Nhưng vấn đề là ko biết làm mạch 3 led kia như thế nào, ai biết xin chỉ dùm

            Comment


            • #7
              có mạch dey mà mình đang ngâm cú chổ chọn linh kiện
              chưa biết điện áp
              led như thế nào

              Click image for larger version

Name:	SCHEMATIC1___PAGE1402.jpg
Views:	1
Size:	61.6 KB
ID:	1357927

              mọi người cùng nhau tìm hiểu cách làm nào cái này nháy rất đẹp

              Comment


              • #8
                Nguyên văn bởi chipamd Xem bài viết
                có mạch dey mà mình đang ngâm cú chổ chọn linh kiện
                chưa biết điện áp
                led như thế nào

                [ATTACH=CONFIG]40478[/ATTACH]

                mọi người cùng nhau tìm hiểu cách làm nào cái này nháy rất đẹp
                Mạch này là nháy theo tần số (khác biên độ) của tiếng nhạc.
                Cổng audio sẽ đi qua op-amp, biến nó thành dạng sóng vuông (hồi tiếp để chống nhiễu). Sau đó lại qua các mạch thông để lọc tần số. LED 1 là thông thấp, sáng khi tần số thấp. LED 2 là thông cao, sáng khi tần số cao. LED 3 là thông dải, sáng khi tần số trong 1 dải xác định (thường đc điều chỉnh ở giữa 2 tần số trên).
                Mạch này chắc mắc LED công suất cỡ 1W, mắc LED thường phải có trở hạn dòng, ko thoy bay lun con LED.
                Computer Science major - Vietnamese-German University
                Sponsored by

                Comment


                • #9
                  Làm cái này mà nháy theo biên độ cũng hay mà bạn. mạch còn đơn giản nữa. Chỉ cần led + TIP31 là ok rồi. Để nhìn cho đẹp thì quan trọng là cái nước tonic đó phản chiếu ánh sáng. Đây là ý kiến riêng của mình.

                  Hotmail: tien168bn.utehy@hotmail.com
                  Gmail: tien168bn.utehy@gmail.com

                  Comment


                  • #10
                    Nguyên văn bởi minh_cly Xem bài viết
                    Mạch này là nháy theo tần số (khác biên độ) của tiếng nhạc.
                    Cổng audio sẽ đi qua op-amp, biến nó thành dạng sóng vuông (hồi tiếp để chống nhiễu). Sau đó lại qua các mạch thông để lọc tần số. LED 1 là thông thấp, sáng khi tần số thấp. LED 2 là thông cao, sáng khi tần số cao. LED 3 là thông dải, sáng khi tần số trong 1 dải xác định (thường đc điều chỉnh ở giữa 2 tần số trên).
                    Mạch này chắc mắc LED công suất cỡ 1W, mắc LED thường phải có trở hạn dòng, ko thoy bay lun con LED.
                    giúp mình chọn linh kiện với sơ đồ như trên đi
                    còn nhiều r,c chưa có thông số
                    còn 2 con tran phía cuối thay = con nào khác dc
                    điện áp đặt vào mạch trên và led dùng cho mạch này loại nào

                    cảm ơn bạn

                    Comment


                    • #11
                      Click image for larger version

Name:	ledcolorschematic-lg.jpg
Views:	1
Size:	73.2 KB
ID:	1357979

                      Lắp đúng là chạy
                      Mưu sự tại nhân, thành sự tại thiên,

                      Comment


                      • #12
                        chọn mấy con opam làm sao bác chưa thấy thông số
                        4 con op am đó mình chọn lm324 được chứ

                        Comment


                        • #13
                          Nguyên văn bởi chipamd Xem bài viết
                          chọn mấy con opam làm sao bác chưa thấy thông số
                          4 con op am đó mình chọn lm324 được chứ
                          OP là MC33204 ghi trong sơ đồ đó, nếu dùng LM324 thì cắm đúng chân luôn, đương nhiên là tương đương.
                          Mưu sự tại nhân, thành sự tại thiên,

                          Comment


                          • #14
                            Nguyên văn bởi minh_cly Xem bài viết
                            Mạch này là nháy theo tần số (khác biên độ) của tiếng nhạc.
                            Cổng audio sẽ đi qua op-amp, biến nó thành dạng sóng vuông (hồi tiếp để chống nhiễu). Sau đó lại qua các mạch thông để lọc tần số. LED 1 là thông thấp, sáng khi tần số thấp. LED 2 là thông cao, sáng khi tần số cao. LED 3 là thông dải, sáng khi tần số trong 1 dải xác định (thường đc điều chỉnh ở giữa 2 tần số trên).
                            Mạch này chắc mắc LED công suất cỡ 1W, mắc LED thường phải có trở hạn dòng, ko thoy bay lun con LED.
                            Nếu muốn lắp LED siêu sáng thì có thể lắp 4 con LED nối tiếp nhau được chứ bạn. Vcc vẫn là 12V

                            Hotmail: tien168bn.utehy@hotmail.com
                            Gmail: tien168bn.utehy@gmail.com

                            Comment


                            • #15
                              Nguyên văn bởi thwcs Xem bài viết
                              OP là MC33204 ghi trong sơ đồ đó, nếu dùng LM324 thì cắm đúng chân luôn, đương nhiên là tương đương.
                              trên hình còn có 2 ô ghi chú để làm gì vậy bác

                              Comment

                              Về tác giả

                              Collapse

                              trungnd Tìm hiểu thêm về trungnd

                              Bài viết mới nhất

                              Collapse

                              Đang tải...
                              X