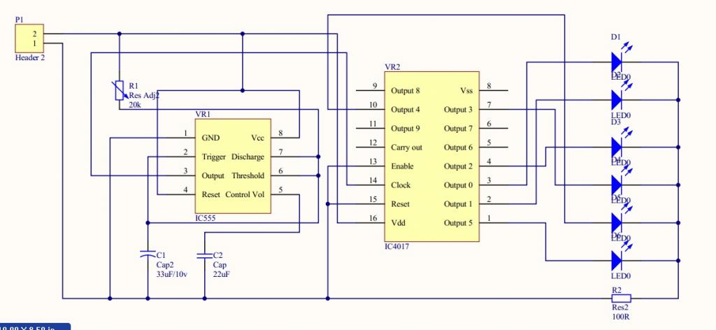
Các bác chỉ cho e với. E lắp cái mạch như hình vẽ mà nó chỉ sáng 1 đèn chứ ko sáng tuần tự từng bóng một. Cám ơn các bác rất nhiều
Thông báo
Collapse
No announcement yet.
Tại sao mạch đèn led 555 và 4017 lại chỉ sáng 1 đèn
Collapse
X
-
Thứ nhất bạn kiểm tra xem chân 3 của 555 có tạo dao động ko. ví dụ như chớp, tắt.Nguyên văn bởi yeukh1990 Xem bài viếtCác bác chỉ cho e với. E lắp cái mạch như hình vẽ mà nó chỉ sáng 1 đèn chứ ko sáng tuần tự từng bóng một. Cám ơn các bác rất nhiều
-
Eò cái mạch trên mấy đầu ra nó nối chung như vậy đâu có đc,bạn cho nó qua con diot 4148 rồi mới đâu chung đầu ra của 4148 lại rồi mới nối với led.
Như thế này nè.
Redirect Notice
à mà nếu ko chạy thì thay con 4017 đi nhé,sờ xem nó nóng ko,có thì nó die rồi.
ĐT: 0972 20 58 68
Gmail:
Comment
-
Mình thấy mạch của bạn và của mình không khác nhau là mấy. Mình nghĩ là con IC có vấn đề thôi chứ ko cần phải thay đi-ốt đâu. Chẳng thấy nó sáng nản quáNguyên văn bởi hoangnam555 Xem bài viếtEò cái mạch trên mấy đầu ra nó nối chung như vậy đâu có đc,bạn cho nó qua con diot 4148 rồi mới đâu chung đầu ra của 4148 lại rồi mới nối với led.
Như thế này nè.
Redirect Notice
à mà nếu ko chạy thì thay con 4017 đi nhé,sờ xem nó nóng ko,có thì nó die rồi.
Comment
-
Nhìn kiểu gì mà nói ko khác,chân 11 và chân 2,khi 4017 đếm,chân 2 sẽ ở mức cao đầu tiên,chân 2 sẽ đưa mức cao về chân 11 như vậy là chập nguồn chân 11 rồi,tương tự các chân còn lại cũng vậy,sở dĩ thêm doit vào là để các chân của 4017 ko bị ngược nguồn,ko tin thì cứ thử,còn ko làm như mạch mình đưa thì tuỳ cậu,nếu làm chạy thì cho mình biết để bái sư.Nguyên văn bởi yeukh1990 Xem bài viếtMình thấy mạch của bạn và của mình không khác nhau là mấy. Mình nghĩ là con IC có vấn đề thôi chứ ko cần phải thay đi-ốt đâu. Chẳng thấy nó sáng nản quá
ĐT: 0972 20 58 68
Gmail:
Comment
-
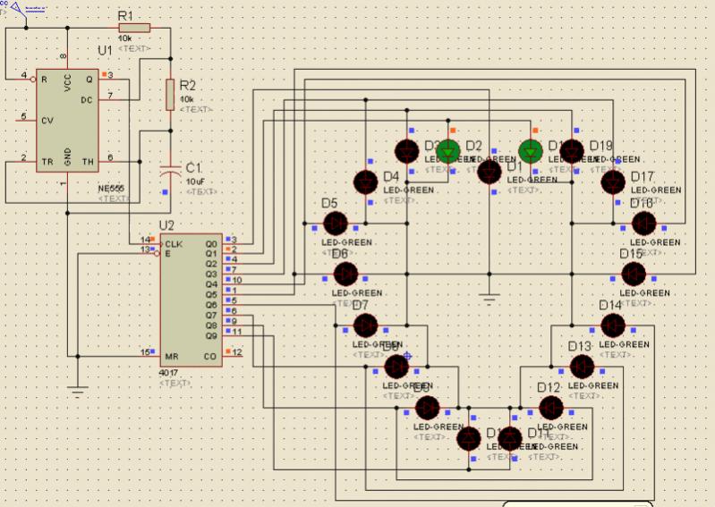
Mình ko có ý là bảo bạn góp ý sai. Đây là sơ đồ nguyên lý của mình. Bạn xem rồi sai chỗ nào chỉ cho mình với nhéNguyên văn bởi hoangnam555 Xem bài viếtNhìn kiểu gì mà nói ko khác,chân 11 và chân 2,khi 4017 đếm,chân 2 sẽ ở mức cao đầu tiên,chân 2 sẽ đưa mức cao về chân 11 như vậy là chập nguồn chân 11 rồi,tương tự các chân còn lại cũng vậy,sở dĩ thêm doit vào là để các chân của 4017 ko bị ngược nguồn,ko tin thì cứ thử,còn ko làm như mạch mình đưa thì tuỳ cậu,nếu làm chạy thì cho mình biết để bái sư.
Comment
-
phần dao động 555 có vấn đề,giữa chân 6 và 7 phải có 1 điện trở.lắp 1 con led vào chân 3 555 xem có dao động ko?Nguyên văn bởi yeukh1990 Xem bài viếtMình ko có ý là bảo bạn góp ý sai. Đây là sơ đồ nguyên lý của mình. Bạn xem rồi sai chỗ nào chỉ cho mình với nhéĐT: 0972 20 58 68
Gmail:
Comment
-
Chân 3 ủa 555 lắp đèn led nối với cực âm vẫn sáng bình thường bạn ak.Nguyên văn bởi hoangnam555 Xem bài viếtphần dao động 555 có vấn đề,giữa chân 6 và 7 phải có 1 điện trở.lắp 1 con led vào chân 3 555 xem có dao động ko?
Mình đã làm theo bạn bảo.Lắp thêm điện trở vào giữa chân 6 và 7. Thậm chí còn thay con 4017 khác nhưng vẫn không được
Comment
-
Nó sáng thôi à,bạn chỉnh biến trở sao cho nó nháy mới đc,khi nó nháy nghĩa là tần số nó nhỏ thì mắt người mới thấy đc,còn cái biến trở theo như hình bạn đưa thì mình thấy nó chỉ nối 2 chân bìa,bạn nối chân giữa với 1 chân bìa bất kì nào và chỉnh sao cho led ở chân 3 nháy mới đc.Nguyên văn bởi yeukh1990 Xem bài viếtChân 3 ủa 555 lắp đèn led nối với cực âm vẫn sáng bình thường bạn ak.
Mình đã làm theo bạn bảo.Lắp thêm điện trở vào giữa chân 6 và 7. Thậm chí còn thay con 4017 khác nhưng vẫn không được
À chân số 8 mạch của bạn chưa nối mass,hình như bạn ko xài protues nhỉ,mô phỏng xem nó có hoạt động ko?ĐT: 0972 20 58 68
Gmail:
Comment
-
Ak bạn ơi! Mình dùng con biến trở 20k. Khi mình nối nguồn cho mạch chạy thì con IC 555 rất nóng. bỏng cả tay luôn.Nguyên văn bởi hoangnam555 Xem bài viếtNó sáng thôi à,bạn chỉnh biến trở sao cho nó nháy mới đc,khi nó nháy nghĩa là tần số nó nhỏ thì mắt người mới thấy đc,còn cái biến trở theo như hình bạn đưa thì mình thấy nó chỉ nối 2 chân bìa,bạn nối chân giữa với 1 chân bìa bất kì nào và chỉnh sao cho led ở chân 3 nháy mới đc.
À chân số 8 mạch của bạn chưa nối mass,hình như bạn ko xài protues nhỉ,mô phỏng xem nó có hoạt động ko?
Comment
-
Thêm trở vào giữa 2 chân 6 và 7 của 555, xem có xung ở đầu ra ko?
Vẽ lại mạch 4017 đi bạn! Bạn lắp mạch đấy lẽ ra chỉ có 1 led ở trạng thái đầu tiên sáng rồi tắt rất lâu sau đó mới sáng lại! Ở 1 thời điểm chỉ có 1 trạng thái cao, nhưng lại dc nối với trạng thái thấp có khác gì chập nguồn vào mass! Ko chết IC là may
Trần Đức Sơn
tel:0934691385
Comment
-
Bạn cho mình 1 cái mạch chuẩn được ko? Mình đang cần để nộp bài tập cho thầy giáo.Nguyên văn bởi cddt061 Xem bài viếtThêm trở vào giữa 2 chân 6 và 7 của 555, xem có xung ở đầu ra ko?
Vẽ lại mạch 4017 đi bạn! Bạn lắp mạch đấy lẽ ra chỉ có 1 led ở trạng thái đầu tiên sáng rồi tắt rất lâu sau đó mới sáng lại! Ở 1 thời điểm chỉ có 1 trạng thái cao, nhưng lại dc nối với trạng thái thấp có khác gì chập nguồn vào mass! Ko chết IC là may
Comment
Bài viết mới nhất
Collapse
-
Trả lời cho Yêu thơ mê nhạc, mời các bác vào đây!bởi dinhthuong92Bác click vào dấu 3 chấm bên phải bản nhạc upload cho nó đổ menu. Bác tìm và click vào "Cover" thì nửa màn hình bên trái hiện tên bản nhạc đã up, bác gõ lyrics vào phần lyrics, xong rồi nhấn nut "Creat" ở dưới là được....
-
Channel: Tâm tình dân kỹ thuật
Hôm qua, 18:40 -
-
Trả lời cho Yêu thơ mê nhạc, mời các bác vào đây!bởi vi van phamSheet nhạc của tôi chơi guitar file mang tên. gpx.
Up lên Suno không chịu phải đổi sang file .midi.
Suno vẫn không chịu đòi chuyển sang file mp3.
Chuyển sang file mp3 Uno đã đọc và chơi được bản nhạc còn ca sĩ Suno hát thì tôi không biết làm....-
Channel: Tâm tình dân kỹ thuật
Hôm qua, 10:20 -
-
Trả lời cho Hàn chì thiếc lên nhôm.bởi vi van phamNhà thùng bị phu nhân ta nhồi sọ, "uống riệu với lão ấy, ổng thăng thiên bay về trời lúc nào không biết."
Nhà thùng sợ quá, bỏ ta cô đơn đành độc ẩm. Mà phu nhân ta lo cho sức khỏe của ta mà. Thế thì ta đành làm thợ tình...-
Channel: Tâm tình dân kỹ thuật
26-02-2026, 23:29 -
-
Trả lời cho Kỳ lạ mạch nguồn xung 290v Dcbởi mèomướpDạ khi muốn sáng cả thì nó nháy tốc độ cao để mắt chú hông nhận ra chớp tắt ạ. Màn hình hiển thị thường gặp đều phải quét kiểu tần số cao lừa mắt ấy ạ... ( trừ loại màn hình máy đọc sách là ko lừa mắt)
-
Channel: Điện tử dành cho người mới bắt đầu
26-02-2026, 20:53 -
-
Trả lời cho Kỳ lạ mạch nguồn xung 290v Dcbởi trung30000Bác mèo mướp giải thích ở chế độ nháy như vậy em đã hiểu, nhưng sau khi nháy xong chuyển qua chế độ sáng cả bốn đèn , vậy ở chế độ sáng 4 đèn cùng lúc này giải thích như thế nào vậy bác!...
-
Channel: Điện tử dành cho người mới bắt đầu
26-02-2026, 20:03 -
-
Trả lời cho Kỳ lạ mạch nguồn xung 290v Dcbởi mèomướpDạ chú đa vít đang bận mừng tuổi ạ. Led của chú chớp được là do nó mắc ngược chiều nhau, điện ra chiều của con nào thì con ấy sáng ạ...
-
Channel: Điện tử dành cho người mới bắt đầu
26-02-2026, 12:11 -
-
Trả lời cho Kỳ lạ mạch nguồn xung 290v Dcbởi trung30000OK, em đã tuyển được một cái có thang đo điốt giá vài cốc cà phê, đo thấy cũng ok chính xác hơn,
Nhân tiện bác cho em hỏi thêm: dây led dán trên mạch có 4 nhân led dán được mắc song song , mạch điều khiển chỉ có hai dây đen và đỏ...-
Channel: Điện tử dành cho người mới bắt đầu
25-02-2026, 09:40 -
-
Trả lời cho Yêu thơ mê nhạc, mời các bác vào đây!bởi dinhthuong92Ồ, cháu mới ghé qua thớt kia, thấy như trên.
Tuyệt quá bác, bác đúng đa tài Vậy bác thử đưa lời bài hát đó và giọng bác hát demo cho suno nó nhận biết melody xem sao, có lẽ bác sẽ có một bài hát rất hay, hoàn chỉnh để.. tặng vợ...-
Channel: Tâm tình dân kỹ thuật
24-02-2026, 10:34 -

Comment