MẤY A ƠI! em mới vào dt! nhưng em thích tìm hiểu mấy cái mạch nthe này! cac a giup em vs
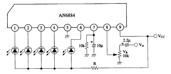
trong mạch VCC=12v em có cần phải cấp 1 nguồn riêng cho chân số 9 k ạ! hay là mình có thể đấu nối trực tiếp vào dây loa( dây cắm vào Máy Tính đó ạ)
còn về phần input dây tín hiệu em nối vào mạch sao ạ! mong các a giúp em!

Comment