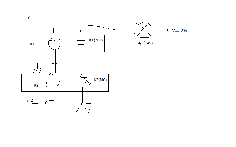
Mình muốn bật tắt bóng đèn bằng 2 công tắc nút ấn và dùng dòng 24VDC( Một nút dùng để bật, một nút dùng để tắt).
Các bạn chỉ cho mình phải dùng sơ đồ nguyên lý như thế nào nhé!
Cảm ơn các bạn.
Các bạn chỉ cho mình phải dùng sơ đồ nguyên lý như thế nào nhé!
Cảm ơn các bạn.


Comment