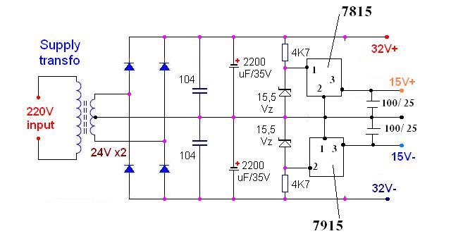
Đây là mạch lọc nguồn lấy từ mẫu của chị LH
Và mẫu sau là thiết kế lại để có thể sử dụng được linh kiện cũ không phải vất đi. Các pác xem thế này mạch có làm sao k để em còn lắp
Cám ơn các pác nhìu!
Và mẫu sau là thiết kế lại để có thể sử dụng được linh kiện cũ không phải vất đi. Các pác xem thế này mạch có làm sao k để em còn lắp
Cám ơn các pác nhìu!

Comment