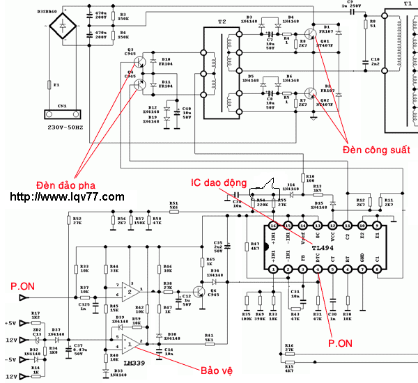
Mình có cái nguồn máy tính 250W như sơ dồ mạch bên dưới,bị hiện tượng như sau:Có đủ nguồn cấp trước 5v STB,12v,nhưng khi chập dây PS on xuống mass thì không có các nguồn điện thứ cấp ra(+_5v.+_12v...).Kiểm tra IC dao động TL494 thì chân số 8 và 11 có 2,2 v,chân 13,14,15 có 5v ,chân 12 có điện vào 12v.Khi chưa chập dây ps on xuống mass thì số vôn tại các chân 2 transitor khuếch đại đảo pha C945 đúng với tài liệu ghi (cực B =2,2v cực C=1,5v cực E =1,5v).Khi mình chập dây PS on xuống mass thì cực B=1,5v,cực C=4v ,E=1.6v. ic TL494 như vậy không tạo ra dao động ở chân 8 va11,theo mình biết khi ic nầy dao động nó cho điện thế tại cực B và C của 2 transitor C945 là 2,2v.Khi mình chạm đầu ngón tay vào điểm nối 2 điện trở 220K va 27K vào chân 16 của ic TL494(nơi mình có đánh dấu trên sơ đồ), thì có hiện tượng điện áp tại 2 transitorC945:cực C từ 4v tuột xuống khoảng 2.2v, cực B từ 1.5v tang lên 1,9v ,cực E vẫn 1.6v.Có phải chân 16 ic TL494 thiếu mass nên không tạo dao động ra ở chân 8 và 11.mình phải thay điện trở nào cho ic TL494 dao động ,ai biết cho mình với
Thông báo
Collapse
No announcement yet.
ic TL494 mất dao động
Collapse
X
-
Bác có chắc rằng Diode nắn, tụ lọc . . . tất cả đều tốt hết chứ? Nếu không cũng là nguyên nhân không cho IC TL494 hoạt động. Cơ chế bảo vệ của hệ thống đấy. Bác xem kỹ lại xem. Còn việc thay điện trở nào là tùy thuộc điện trở ấy có trị số sai biệt lớn so với trị số đúng của nó. Đừng tự ý chế biến, nếu không hiểu rõ sẽ gây sự cố nghiêm trọng hơn. Nếu diode nắn bị chập, bác cố cho nó chạy thì . . . 2 con công suất sẽ ra sao, chắc bác cũng biết.Nguyên văn bởi nansin Xem bài viếtMình có cái nguồn máy tính 250W như sơ dồ mạch bên dưới,bị hiện tượng như sau:Có đủ nguồn cấp trước 5v STB,12v,nhưng khi chập dây PS on xuống mass thì không có các nguồn điện thứ cấp ra(+_5v.+_12v...).Kiểm tra IC dao động TL494 thì chân số 8 và 11 có 2,2 v,chân 13,14,15 có 5v ,chân 12 có điện vào 12v.Khi chưa chập dây ps on xuống mass thì số vôn tại các chân 2 transitor khuếch đại đảo pha C945 đúng với tài liệu ghi (cực B =2,2v cực C=1,5v cực E =1,5v).Khi mình chập dây PS on xuống mass thì cực B=1,5v,cực C=4v ,E=1.6v. ic TL494 như vậy không tạo ra dao động ở chân 8 va11,theo mình biết khi ic nầy dao động nó cho điện thế tại cực B và C của 2 transitor C945 là 2,2v.Khi mình chạm đầu ngón tay vào điểm nối 2 điện trở 220K va 27K vào chân 16 của ic TL494(nơi mình có đánh dấu trên sơ đồ), thì có hiện tượng điện áp tại 2 transitorC945:cực C từ 4v tuột xuống khoảng 2.2v, cực B từ 1.5v tang lên 1,9v ,cực E vẫn 1.6v.Có phải chân 16 ic TL494 thiếu mass nên không tạo dao động ra ở chân 8 và 11.mình phải thay điện trở nào cho ic TL494 dao động ,ai biết cho mình với
Chúc vui.
-
vâng, mình đã kiểm tra kĩ các diode nắn và thay cả tụ lọc ,các zener diode cũng ok,các transitor va 2 đèn công suất nguồn chính cũng ok,mình nghĩ không phải do mạch bảo vệ ,vì mạch bảo vệ có sự cố khi nối dây PS on với mass thì quạt sẽ quay vài vòng rồi đứng,cơ chế bảo vệ của mạch hoạt động sau ic dao động TL494 tạo ra nguồn xung.
Comment
-
Xin lỗi các bạn khi phải nói điều này: Phần lớn "trả giá" của các bạn là vì không chịu đọc kỹ datasheet! (Điều này cũng vẫn đúng với cả dân Coder)
Nếu bạn chịu đọc datasheet của con 494 (con này tôi còn thuộc hơn vân tay của tôi), thì bạn sẽ có cách kiểm tra rất đơn giản, sau khi xem kỹ phần TEST của nó! Và, sau khi thuộc datasheet, bạn sẽ nhắm mắt cũng có cách bắt nó "phải" chạy theo ý mình...
Tôi hoàn toàn có thể hướng cho bạn cách làm, nhưng tôi không muốn thế, tôi muốn bạn "nhớ thật lâu, hiểu thật sâu"... nên tôi chỉ khuyên bạn một câu đơn giản: Hãy hiểu cách hoạt động của nó đã!
Nếu bạn không chịu hiểu, và chỉ muốn "ăn sẵn",thì tôi cũng xin bái biệt! Nhưng nếu bạn muốn tìm hiểu sâu về nó, để hiểu nó, thì tôi cũng chẳng tiếc gì mà không nói với bạn.
Hy vọng bạn hiểu, và hẹn gặp lại bạn sau khi bạn làm đủ "bài TEST" theo datasheet.Đêm nay tớ không ngủ - ngày mai tớ ngủ bù
Comment
Bài viết mới nhất
Collapse
-
bởi bqvietMạch cồng kềnh nhưng khá bài bản. Nếu tự làm để học thì cũng đáng để bắt tay nghịch chơi. Nếu chỉ cần sản phẩm thì các sàn thương mại điện tử có sẵn UPS DC này ra 5V hoặc 12V rất sẵn, chạy pin, giá cũng không đắt.
-
Channel: Điện tử sáng tạo
hôm nay, 18:28 -
-
bởi mylinhattTrong vận hành thực tế, nhiều xưởng gia công gặp tình trạng máy phay CNC bắt đầu sai kích thước, bề mặt rung nhẹ hoặc phát sinh lỗi thay dao dù chương trình và dao cắt không thay đổi. Phần lớn các vấn đề này không xuất phát từ lập trình mà đến từ việc bảo dưỡng máy chưa được thực hiện đúng và đủ....
-
Channel: Máy công cụ
Hôm qua, 11:27 -
-
bởi ittcHì, em tính đi mua 1 cái máy Khoan và máy Mài (cắt), em đã chính thức gạt thằng BOSCH sang 1 bên vì giá cao hơn Dewalt và Makita, hơn nữa xem Cataloge của nó thì hàng ít model mẫu mã hơn.
Giá Dewalt và Makita thấy ngang ngửa nhau, thôi thì nhu...-
Channel: Điện tử gia dụng
Hôm qua, 07:20 -
-
bởi DaoVanTrongChào Anh Em. Nay em có tạo 1 sơ đồ mạch UPS sau, xin Ae cho ý kiến.
Và nếu biết sản phẩm này nếu có sẵn thì em xin link để mua (nếu giá phù hợp) thì em đỡ phải làm ạ, vì em tìm nhưng không thấy:
╔═══════════════════[ĐIỆN_LƯỚI_220V]════════════════╗...-
Channel: Điện tử sáng tạo
21-12-2025, 23:32 -
-
Trả lời cho Nên mua máy phay CNC cũ, máy mới phổ thông hay máy chất lượng cao? Góc nhìn từ bài toán sản xuất thực tếbởi nguyendinhvanNgày trước, khi KT đang tăng trưởng, một cái máy tự động cũ tầm trung, thì khoảng 5 năm là hoàn vốn. Nhưng hiện tại, mọi việc đều chậm trễ, cạnh tranh, nên theo các xếp tính thì phải hơn 10 năm làm việc ngon lành thì mới hoàn vốn....
-
Channel: Máy công cụ
20-12-2025, 20:23 -
-
Trả lời cho cách làm led Hao Quang.có pro nào biết k nhỉ ???bởi StatusHello! I'm from Kazakhstan. Can anyone share the HEX file with me? The download link in post 50 doesn't work.
-
Channel: Vi điều khiển họ 8051
18-12-2025, 00:05 -
-
bởi mylinhattChào anh em cơ khí,
Trong quá trình tư vấn đầu tư thiết bị cho xưởng, mình gặp rất nhiều câu hỏi kiểu: “Nên mua máy phay CNC cũ để tiết kiệm, chọn máy mới phổ thông cho yên tâm, hay cố gắng lên máy chất lượng cao để làm hàng khó?”. Thực tế, đây không phải câu hỏi chỉ về...-
Channel: Máy công cụ
17-12-2025, 13:38 -
-
Trả lời cho Vấn đề về tốc độ quaybởi nguyendinhvanSử dụng động cơ servor, hoặc lắp thêm một cái encoder vào động cơ bước. Encoder sẽ kiểm soát động cơ có quay hoặc đứng im.
-
Channel: Điện tử truyền hình
14-12-2025, 19:50 -

Comment