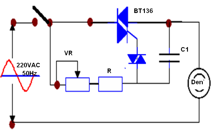
các huynh giúp em giải thích mạch này với. em đang cần để bảo vệ đồ án
cách xác định các giá trị VR,R,C1 để cho mạch có thể điều chình đc đèn sáng từ min-->max
cảm ơn các huynh nhiều!!!
cách xác định các giá trị VR,R,C1 để cho mạch có thể điều chình đc đèn sáng từ min-->max
cảm ơn các huynh nhiều!!!

Comment