Chào các sư phụ, mình là fan mới, là dân Y Khoa nhưng đam mê điện tử. Mình có mạch đèn chớp chạy 4017 kết hợp diode định làm tặng "người iu" nhưng không biết tại mấy con diode đen thui xấu quá hay sao mà con 4017 nó không thèm liếc mắt tới, chỉ lo nhìn Led siêu sáng thôi. Mình chỉ học điện tử qua sách & internet nên hạn chế lắm, mong các bạn tìm giúp mình sai chỗ nào? linh kiện có phù hợp không? Xin vô cùng đa tạ
(Mạch này khi chưa có diode thì chạy đuổi không biết mỏi cẳng, mình chỉ post 1 phần mạch)
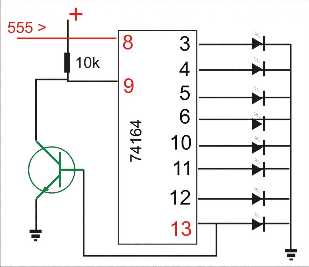
Ý đồ của mình là : khi 555 cấp xung, theo thứ tự L > LO > LOV > LOVE > tắt hết > sáng hết > tắt > trở lại chu kỳ đầu. Cậm cụi hàn hàn chấm chấm xong nó vẫn chạy đuổi như chưa hề có diode
Rất mong ý kiến của các bạn
(Mạch này khi chưa có diode thì chạy đuổi không biết mỏi cẳng, mình chỉ post 1 phần mạch)
Ý đồ của mình là : khi 555 cấp xung, theo thứ tự L > LO > LOV > LOVE > tắt hết > sáng hết > tắt > trở lại chu kỳ đầu. Cậm cụi hàn hàn chấm chấm xong nó vẫn chạy đuổi như chưa hề có diode
Rất mong ý kiến của các bạn
? hay là công suất nhỏ quá? với lại mình chỉ cho thử có 1 led mỗi ngõ ra thôi, chưa nối vô nhiều led , bạn vui lòng xem dùm mấy con diode mắc vậy có ổn không bạn?
!!) cái mạch 4017 của mình "40 năm vẫn chạy đuổi" như xưa (váy trời tại mua nhầm diode dỏm) .
. tức quá , mình nghĩ các bạn post để trợ giúp tất nhiên đã suy nghĩ thấy đúng mới post nên mình ráng ngâm cứu kỷ hình của bạn FireMan và Tuanhonglac mới biết đúng là mình Gà hơn con Gà . Giờ nó chạy đúng như ý rồi và phát hiện ra rằng "việc học tập ở các bạn còn tuyệt vời hơn cái mạch vừa ráp thành công
"

Comment