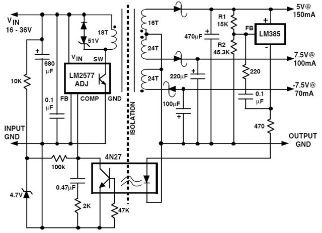
Em đang mô phỏng mạch tạo xung này bằng PSpice trong Orcad 9.2

Trong thư viện PSpice không có những linh kiện sau:
1. Diode zener 1N4757
2. LM2577
3. 4N27
4. Biến áp có dấu cùng tên
Anh nào có thể tạo giúp em những linh kiện này được không ạ.
P/S: cho em hỏi thêm cái linh kiện em đánh dấu chấm đỏ là linh kiện gì vậy ạ.
Em xin cảm ơn.
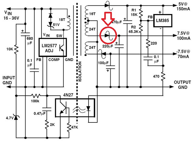
Trong thư viện PSpice không có những linh kiện sau:
1. Diode zener 1N4757
2. LM2577
3. 4N27
4. Biến áp có dấu cùng tên
Anh nào có thể tạo giúp em những linh kiện này được không ạ.
P/S: cho em hỏi thêm cái linh kiện em đánh dấu chấm đỏ là linh kiện gì vậy ạ.
Em xin cảm ơn.
