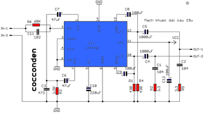
như trên đã nói các bác vẽ hộ em cái mạch la4440, do em ko có ocard.
Thông báo
Collapse
No announcement yet.
Giúp em vẽ cái mạch này với
Collapse
X
-
có thể giải đáp thắc mắc, chứ vẽ hộ thì....Nguyên văn bởi ngoctu12345 Xem bài viếtVe ho em voj dj.
Học Điện Tử - Learn Electronic
Comment
-
ra mua. có bán mà đầyNguyên văn bởi ngoctu12345 Xem bài viếtnhư trên đã nói các bác vẽ hộ em cái mạch la4440, do em ko có ocard.
facebook:
Comment
-
lần trước em có mua nhưng ráp xong nó ko chạy.?!/ không hiểu tại sao, em nghĩ mạch nó làm sai?Nguyên văn bởi THSANG AUTO Xem bài viếtra mua. có bán mà đầy
em ở PHÚ THỌ ko bít chỗ nào bán ???
Comment
-
nó ko chạy thì dò mạch theo datasheet, vì thỉnh thoảng hàng chợ chân cẳng lộn hết cả lênNguyên văn bởi ngoctu12345 Xem bài viếtlần trước em có mua nhưng ráp xong nó ko chạy.?!/ không hiểu tại sao, em nghĩ mạch nó làm sai?
em ở PHÚ THỌ ko bít chỗ nào bán ???Học Điện Tử - Learn Electronic
Comment
Bài viết mới nhất
Collapse
-
bởi DaoVanTrongChào Anh Em. Nay em có tạo 1 sơ đồ mạch UPS sau, xin Ae cho ý kiến.
Và nếu biết sản phẩm này nếu có sẵn thì em xin link để mua (nếu giá phù hợp) thì em đỡ phải làm ạ, vì em tìm nhưng không thấy:
╔═══════════════════[ĐIỆN_LƯỚI_220V]════════════════╗...-
Channel: Điện tử sáng tạo
Hôm qua, 23:32 -
-
Trả lời cho Nên mua máy phay CNC cũ, máy mới phổ thông hay máy chất lượng cao? Góc nhìn từ bài toán sản xuất thực tếbởi nguyendinhvanNgày trước, khi KT đang tăng trưởng, một cái máy tự động cũ tầm trung, thì khoảng 5 năm là hoàn vốn. Nhưng hiện tại, mọi việc đều chậm trễ, cạnh tranh, nên theo các xếp tính thì phải hơn 10 năm làm việc ngon lành thì mới hoàn vốn....
-
Channel: Máy công cụ
20-12-2025, 20:23 -
-
Trả lời cho cách làm led Hao Quang.có pro nào biết k nhỉ ???bởi StatusHello! I'm from Kazakhstan. Can anyone share the HEX file with me? The download link in post 50 doesn't work.
-
Channel: Vi điều khiển họ 8051
18-12-2025, 00:05 -
-
bởi mylinhattChào anh em cơ khí,
Trong quá trình tư vấn đầu tư thiết bị cho xưởng, mình gặp rất nhiều câu hỏi kiểu: “Nên mua máy phay CNC cũ để tiết kiệm, chọn máy mới phổ thông cho yên tâm, hay cố gắng lên máy chất lượng cao để làm hàng khó?”. Thực tế, đây không phải câu hỏi chỉ về...-
Channel: Máy công cụ
17-12-2025, 13:38 -
-
Trả lời cho Vấn đề về tốc độ quaybởi nguyendinhvanSử dụng động cơ servor, hoặc lắp thêm một cái encoder vào động cơ bước. Encoder sẽ kiểm soát động cơ có quay hoặc đứng im.
-
Channel: Điện tử truyền hình
14-12-2025, 19:50 -
-
bởi Andrea14Chào mọi người,
Tôi muốn mô phỏng sự thay đổi các mùa bằng cách từ từ nghiêng một quả địa cầu 16 inch bằng một động cơ bước nhỏ. Một động cơ bước khác sẽ quay quả địa cầu theo thời gian thực. Hệ thống truyền động...-
Channel: Điện tử truyền hình
12-12-2025, 12:42 -

Comment