em đang học sữa chữa điện tử về bộ nguồn có 1 số vấn đề em kô hiểu mong các bác chỉ giúp
đầu tiên nếu gặp 1 bộ nguồn bị hư thì trình tự sữa chữa nên thế nào?
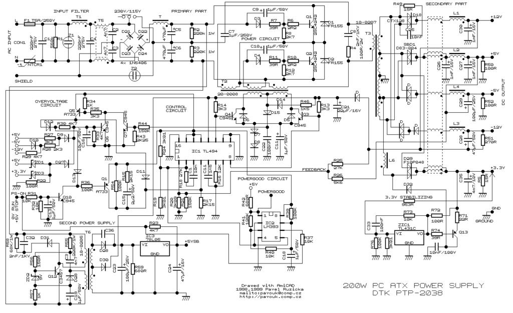
nếu bị đảo mạch nguồn AC thì sao? làm cách nào khắc phục vì dù bị đảo mạch vẫn có dòng điện 230V đi từ nguồn vào 4 con diode nhưng lại không có nguồn 300 đi ra ở 2 con tụ
em xin nêu 1 trình tự kiểm tra do em đo ở trong mạch in chứ không phải đo ngoài của bộ nguồn nếu còn thiếu sót gì mong các bác bổ sung giùm em
Đo bên sơ cấp
1 Đo điện trở cầu chì 2 chiều đều lên là tốt, kế đến đo điện trở nhiệt (kim lên là bị chạm)
2 kiểm tra 4 con diode chiều lên chiều không lên là diode tốt (lên khoảng 5 ôm).
3 kiểm tra nguồn +300 ở 2 con tụ (1 đầu dương 1 đầu âm của mỗi con tụ)
4 kiểm tra 2 transitor và con fet (các bác cho em hỏi ở mạch sơ cấp này mình thay con fet bằng transitor được không?).
Đo FET chân DS chiều lên chiều không lên là tốt chân G không lên kim trong 2 lần đo.
Đo transitor đo chân BE, BC kim lên 5V vậy que đen ở chân B và đo CE hoặc EC chiều lên chiều không lên là tốt.
5 Đo IC 4 chân chân 1 và 2 chiều lên chiều không lên tốt còn chân 3 và chân 4 em đo chiều thuận lên 400 ôm còn nghịch lên 180 ôm vậy nó có hư không?
Cho em hỏi là khi đo transitor theo lý thuyết thì chỉ có 2 lần kim lên để xác định chân B nhưng khi đo trong mạch thì ở mối CE chiều lên chiều không lên vậy em có sai sót gì không
Mong các bác bổ sung cho em trình tự bên nguồn thứ cấp và các thông tin liên quan đến con IC 494 nếu hư hỏng bên thứ cấp thì có thể hư hỏng những gì, cách đo các con diode đôi. Em có bộ nguồn mới mua khi đo trong mạch các con diode đôi bên phần thứ cấp nó cho thông số như sau:
BE lên 5 ôm BC lên 1,2 ôm đo CE lên 100 ôm còn EC lên 5 ôm tên con diode là LT 6228 SBL 1040 CT
BE lên 2,5 ôm BC lên 1,5 ôm đo CE lên 4 ôm đo EC 3 ôm tên con diode là MOSPEC F06C20C MABE
vậy các con diode trên còn tốt hay là hư rồi. Cho em hỏi bên phần thứ cấp có thể thay các con diode đôi bằng con transitor được không?
Mong các bác trả lời giùm em cám ơn nhiều thanks thanks
đầu tiên nếu gặp 1 bộ nguồn bị hư thì trình tự sữa chữa nên thế nào?
nếu bị đảo mạch nguồn AC thì sao? làm cách nào khắc phục vì dù bị đảo mạch vẫn có dòng điện 230V đi từ nguồn vào 4 con diode nhưng lại không có nguồn 300 đi ra ở 2 con tụ
em xin nêu 1 trình tự kiểm tra do em đo ở trong mạch in chứ không phải đo ngoài của bộ nguồn nếu còn thiếu sót gì mong các bác bổ sung giùm em
Đo bên sơ cấp
1 Đo điện trở cầu chì 2 chiều đều lên là tốt, kế đến đo điện trở nhiệt (kim lên là bị chạm)
2 kiểm tra 4 con diode chiều lên chiều không lên là diode tốt (lên khoảng 5 ôm).
3 kiểm tra nguồn +300 ở 2 con tụ (1 đầu dương 1 đầu âm của mỗi con tụ)
4 kiểm tra 2 transitor và con fet (các bác cho em hỏi ở mạch sơ cấp này mình thay con fet bằng transitor được không?).
Đo FET chân DS chiều lên chiều không lên là tốt chân G không lên kim trong 2 lần đo.
Đo transitor đo chân BE, BC kim lên 5V vậy que đen ở chân B và đo CE hoặc EC chiều lên chiều không lên là tốt.
5 Đo IC 4 chân chân 1 và 2 chiều lên chiều không lên tốt còn chân 3 và chân 4 em đo chiều thuận lên 400 ôm còn nghịch lên 180 ôm vậy nó có hư không?
Cho em hỏi là khi đo transitor theo lý thuyết thì chỉ có 2 lần kim lên để xác định chân B nhưng khi đo trong mạch thì ở mối CE chiều lên chiều không lên vậy em có sai sót gì không
Mong các bác bổ sung cho em trình tự bên nguồn thứ cấp và các thông tin liên quan đến con IC 494 nếu hư hỏng bên thứ cấp thì có thể hư hỏng những gì, cách đo các con diode đôi. Em có bộ nguồn mới mua khi đo trong mạch các con diode đôi bên phần thứ cấp nó cho thông số như sau:
BE lên 5 ôm BC lên 1,2 ôm đo CE lên 100 ôm còn EC lên 5 ôm tên con diode là LT 6228 SBL 1040 CT
BE lên 2,5 ôm BC lên 1,5 ôm đo CE lên 4 ôm đo EC 3 ôm tên con diode là MOSPEC F06C20C MABE
vậy các con diode trên còn tốt hay là hư rồi. Cho em hỏi bên phần thứ cấp có thể thay các con diode đôi bằng con transitor được không?
Mong các bác trả lời giùm em cám ơn nhiều thanks thanks

Comment