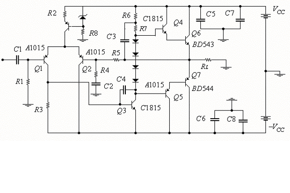
Hi,mình đang làm mạch tăng âm.Đã làm mạch in xong nhưng ko hiểu sao âm thanh ra nhỏ,tại sao vậy?(Các con công suất chưa gắn bộ tản nhiệt nên rất nóng).Đây là mạch mà mình thực hiện.À,cho mình hỏi là với mạch này,cách tính đáp ứng tần số như thế nào?(R4=1k,R5=50k,C2=10u,C4=100p,C3=220u)
.
.

Comment