Thông báo

Collapse
No announcement yet.

Hỏi về 1 mạch Logic !

Collapse
X
 
  • Lọc
  • Giờ
  • Show
Clear All
new posts

  • #16
    Mạch nầy dùng thêm con 4528 để tao ra xung kích 4013 ,
    để đáp ứng 7 chu kỳ hoạt động ,tự động reset khi A về 0 .
    Attached Files
    Last edited by nguyenmau; 22-01-2008, 01:04.

    Comment


    • #17
      lâu nay bận thi cuối kỳ, giời mới giúp đựoc bạn
      bạn xem thử mạch này xem thế nao nha.
      Attached Files

      Comment


      • #18
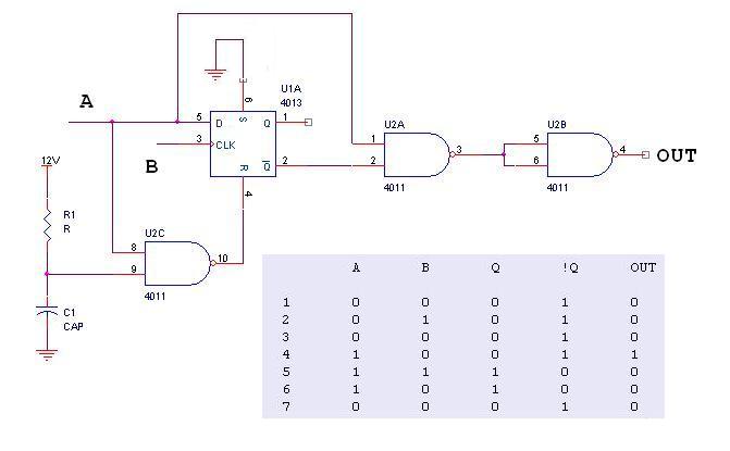
        Bạn test thử mạch này coi có khả thi không:
        Code:
             +-------------------+
             |                   |
             | +--------+        |
             | |        |        |     ------+
        A----+-|D      Q|--      +-----|      )
               |        |              |  AND  )----OUT
        B------|>clk  !Q|--------------|      )
               |        |              ------+
               +--------+
        
        	A	B	Q	!Q	OUT
        
        1	0	0	0	1	0
        2	0	1	0	1	0
        3	0	0	0	1	0
        4	1	0	0	1	1
        5	1	1	1	0	0
        6	1	0	1	0	0
        7	0	0	0	1	0
        Để ý là ở chu kỳ 5 D flip flop đã đổi trạng thái Q = 1 và !Q = 0 và sẽ giử nguyên trạng thái này cho đến khi có xung clock mới cho nên ở chu kỳ 6 cho dù A = 1 nhưng B = 0 nên Q = 1 và !Q = 0. Tuy nhiên bạn phải bấm B reset thêm một lần nữa để reset hệ thống về trạng thái ban đầu.

        Comment


        • #19
          Chào anh Trần và anh Lam,
          hai mạch này có vẻ gần giống nhau nhỉ, Boy sẽ ráp thử. Qua phân tích thì thấy OK rùi. Anh Lam cho hỏi " Tuy nhiên bạn phải bấm B reset thêm một lần nữa để reset hệ thống về trạng thái ban đầu." là sao, sang chu kỳ 7 đầu A chuyển về 0, công tắc B thả tay ra cũng chuyển về 0 toàn bộ mạch trở về trạng thái ban đầu rùi cần chi phải bấm B (reset) chuyển sang 1 rồi lại về 0 một lần nữa ?
          __________________

          Comment


          • #20
            vì khi A về 0 !Q vẫn ở 0 đúng ko nào? và khi ấy dù A có lên 1 chăng nữa thì OUT vẫn là 0. việc nhấn B 1 lần nữa khi A đã xuống 0 nhằm làm cho !Q lên 1.

            Comment


            • #21
              Vậy ngay ở chu kỳ 3 chuyển sang chu kỳ 4 thì sao?
              -Cám ơn anh Trần, Boy đang kiếm con 7474 ráp thử -mạch của các anh đơn giản thật ! Boy đang thử bằng con 4013 nối đất các chân R,S để điều khiền D bằng CL nhưng chưa chịu chạy...anh xem hộ với con 4013 mạch có thay đổi gì k?, ., tiện đây anh cho hỏi các anh dùng chương trình gì mà vẽ mạch đẹp thế? -có thể down ở đâu vậy??(boy không vẽ được mạch hoàn chỉnh trên máy để up lên cho các anh xem)
              -Mạch của anh Nguyên Mẫu em đang kiếm mấy con 45 ráp thử, hy vọng mấy hôm nữa có kết quả!! thank vẻy much !!
              Last edited by boyboy; 24-01-2008, 22:49.

              Comment


              • #22
                Mạch Bác TheLam hay thật ,tui xin góp thêm một chút để khỏi ấn thêm B lần nữa .
                Attached Files

                Comment


                • #23
                  Nguyên văn bởi boyboy Xem bài viết
                  Boy đang thử bằng con 4013 nối đất các chân R,S để điều khiền D bằng CL nhưng chưa chịu chạy...anh xem hộ với con 4013 mạch có thay đổi gì k?
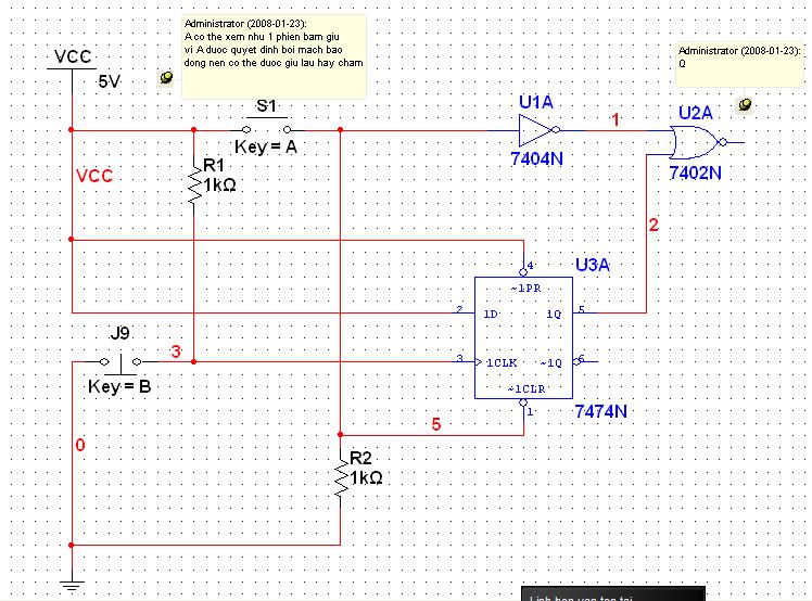
                  BoyBoy ráp mạch bác TheLam dùng 4013 và 4011 như sau ...
                  Attached Files

                  Comment


                  • #24
                    Anh Nguyên cho Boy hỏi: B là công tắc phím bấm (hoặc 0 hoặc 1) đưa vào đầu clock (trong trường hợp này tác động bởi cạnh trước của xung dương) - liệu có cần phải thiết kế một bộ tạo xung không hay cứ đưa trực tiếp phím bấm (0 hoặc 1) vào, nó có chạy giống như clock không nhỉ ???, có cái gì không ổn không, vì clock chỉ tác động ở cạnh trước???

                    Comment


                    • #25
                      đưa trực tiếp vào luôn ko cần qua bộ tạo clock, vì thời gian trễ của IC và nano giây mà việc bấm phiến của mình thì cao lắm khoảng 100 cái trong 1s. việc lấy cạnh trước hay sau nhằm loại bỏ trường hợp thả ra của phiến bấm.

                      Comment


                      • #26
                        Theo anh thấy ,mạch nầy nếu nút nhấn B có dội ,tạo ra nhiều xung lúc nhấn ,mạch vẫn hoạt động tốt .
                        Làm thêm phần tạo xung như anh đã làm thì rườm rà quá .

                        Comment


                        • #27
                          Không được các anh ơi !!!! boy đã ráp mạch test thử rùi !!!!

                          Đầu vào CLOCK chỉ bị tác động bởi sườn lên của xung, vậy nên khi B=0 nó không tác động gì cả. Theo Boy kiểu làm việc này chỉ đúng cho các đầu vào R,S, không thể áp dụng cho đầu vào Clock được.Các anh cho lại mạch đầu vào B đưa tới R hoặc S đi !!! như vậy thì dễ đ/k nhất, còn nếu thiết kế thêm 1 bộ tạo xung cũng phức tạp vì khi B=1 đầu ra tạo 1 xung, khi B=0 đầu ra cũng tạo 1 xung......

                          Comment


                          • #28
                            trạng thái bình thường của công tắc là hở, mà với đa số IC hở là tương ướng với 1. vì vậy cần một điện trở kéo xuống mas để làm trạng thái bình thường là 0.
                            rõ hơn bạn coi lại mạch của mình ấy.

                            Comment


                            • #29
                              Thử làm như vậy xem sao
                              Code:
                              	            +-------------------------------------+
                              	            |                                     |
                              	            |                                     |   
                              		    |     +-------------------+           |
                              		    |     |                   |           |
                                 A----------------+-----| D               Q |----       | 
                              		    |     |                   |           |
                                       	    \     |                   |           |
                                       	    / 5K  |                   |           |
                                                  \     |                   |           |
                                \ / Vcc      	    |     |                   |           |   +------
                                 |      ___SW	   ---    |                   |           +---|       }
                                 |     __|__	 10uf     |                   |               |        }
                                 |   +--   --+--||---+  |                   |               |   AND   }-----OUT
                                 |   |               |  |                   |               |        }
                               B-+---+--| |--+---+---+--|> CLK           !Q |---------------|       }
                                        10uf |   |      |                   |               +------
                              	      ---  /      |                   |
                                     1N4007 / \  \ 5K   |                   |
                              	       |   /      +-------------------+
                              	       |   |
                                            -------

                              Comment


                              • #30
                                Nguyên văn bởi anh_tran Xem bài viết
                                trạng thái bình thường của công tắc là hở, mà với đa số IC hở là tương ướng với 1. vì vậy cần một điện trở kéo xuống mas để làm trạng thái bình thường là 0.
                                rõ hơn bạn coi lại mạch của mình ấy.
                                Anh Trần!:
                                Vấn đề không phải là đầu vào công tắc có đưa ra được mức 0 hay 1 mà là đấu váo Cock chỉ tác động ở sườn trước của xung, vậy nên khi công tắc chuyển từ 1 sang 0 thì không có tác dụng gì với đầu vào Clock cả. Theo boy nghĩ phải có thêm 1 mạch bổ sung: khi phím bấm B bấm xuống 1 nó sẽ tạo nên 1 xung, khi nhả tay ra (B=0) nó cũng tạo 1 xung, xung này mới tác động vào Clock được. Nói tóm lại Clock chỉ bị tác đỗng ở sườn trước của xung mà không bị tác động ở mức logic 0 hay 1. Anh xem lại hộ boy nhé !

                                Anh Thelam, anh Nguyênmẫu !: Boy đang xem mạch của anh, bây giờ chỉ còn mấu chốt là làm sao cho đầu vào Clock được điều khiển bởi mức logic chứ không phải sườn xung, trong trường hợp bất khả kháng thì phải làm sao tạo được một sườn xung lên (tăng) từ hai mức 0 và 1 và như vậy thì làm sao phân biêt được đâu là xung của mức 0 tạo ra, đâu là xung của mức 1 tạo ra bởi vì theo như sơ đồ cuối của anh Nguyênmẫu: Bảng sự thật đầu vào B phân biệt bởi 0 và 1, nay thực tế nó phải đưa xung vào, vậy làm sao phân biệt được xung nào có xuất xứ từ 0, xung náo có xuất xứ từ 1 ??
                                Thank các anh!
                                Last edited by boyboy; 27-01-2008, 10:59.

                                Comment

                                Về tác giả

                                Collapse

                                boyboy Tìm hiểu thêm về boyboy

                                Bài viết mới nhất

                                Collapse

                                Đang tải...
                                X