Thông báo

Collapse
No announcement yet.

Xung chuan 1s.

Collapse
X
 
  • Lọc
  • Giờ
  • Show
Clear All
new posts

  • Xung chuan 1s.

    Luồng này được mở mới, thực ra xuất phát từ luồng đã có (http://dientuvietnam.net/forums/showthread.php?t=4836) nhưng đã không có giải pháp cụ thể và luồng đã bị phân tán, và không có một "đại ca" nào giải đáp ở đây.

    Nhận thấy đây là một vấn đề cơ bản, bản thân tôi cũng đã từng vấp phải khi mới vào nghề, nên tôi tham gia thế này:

    - Việc muốn có xung chuẩn 1s phải dùng thạch anh, là bạn vucuong đã đặt vấn đề đúng.
    - NE555 có thể dùng với thạch anh, nhưng không tối ưu bởi nó không được thiết kế để làm việc với chế độ như vậy.
    - Dao động NE555 với RC, và chia tần như bạn vovanphuoc đề xuất, rất rườm rà, phức tạp, trong khi không tạo được xung chuẩn.
    - Dùng vi điều khiển để tạo xung chuẩn, cũng theo ban vovanphuoc đề xuất, chẳng khác nào dùng dao mổ voi để mổ gà. Vả lại, việc dùng VĐK để tạo xung chuẩn hoàn toàn không đơn giản, nếu bạn không có kỹ năng lập trình tốt, và không có tần số kế để kiểm tra kết quả.

    Giải pháp đơn giản nhất vẫn là dùng IC logic. Bạn đã không tìm ra giải pháp bởi vì bạn chưa hiểu nhiều về linh kiện, và không tìm hiểu các linh kiện hiện có trên thị trường, cụ thể là linh kiện của các nhà cung cấp quảng cáo ngay trên diễn đàn này.

    Sơ đồ khối của 1 mạch phát xung chuẩn thạch anh là: mạch dao động thạch anh => mạch chia tần số (thập phân hoặc cơ số 2).

    Có một số IC đã tích hợp ngay mạch dao động và mạch chia trong cùng một vỏ, ví dụ CD4060, CD4541.

    Tôi không đưa ra sơ đồ cụ thể, chỉ gợi ý (cũng đã "sát rạt" rồi, việc của bạn còn lại chỉ là vẽ sơ đồ và thực hiện thôi) như sau:

    Chọn mua CD4060, thạch anh 32.768Hz, CD4013, bạn sẽ tạo được xung thạch anh chuẩn 1s với độ rộng xung 50% hoàn hảo. Giá thành linh kiện, kể cả linh tinh, có lẽ không đến 15k.

    Các bạn thực hiện tiếp nhé, và chúc thành công. Sẽ rất vui nếu như các bạn đưa ra được những giải pháp khác.

    NamVN

  • #2
    Tôi thấy những gì được trình bày trên đây là đã rất tốt, đảm bảo cho nhu cầu tạo xung 1Hz chuẩn của tấc cả mọi người trong điều kiện hiện nay (đáp ứng được nhu cầu, độ chính xác chấp nhận được, và quan trọng rất rẻ tiền!).

    Nhưng theo tôi tìm hiểu thì hiện nay trong một số thiết bị điện tử có độ chính xác cao (mấy cái timer của Đức bán ngoài chợ Dân Sinh - Sài Gòn) có luôn một CHIP chuyên dụng dùng tạo ra xung 1Hz chuẩn. Tuy không có thông tin về nó nhưng tôi thấy con CHIP này rất lạ, to hơn CHIP thường thấy rất nhiều, và lạ hơn nửa là là nó không có cấp nguồn! Cũng được hàn lên board như bao CHIP khác nhưng không thấy có nguồn cấp (không biết tôi có nhằm không chứ điều này thì lạ thất, vì cái timer này tôi mượn nên không có điều kiện xem lâu). Khi cấp nguồn cho cái timer này hoạt động thì thấy có xung 1Hz chuẩn xuất hiện. Cái timer này rất hay vì mình có thể lập trình ON/OFF cho nó cả một tuần liền hoặc theo ngày nào đó.

    Vậy đây có phải một cách tạo xung chuẩn mới không và bí mật của con CHIP này là gì vậy?

    Mong được các bạn chia sẻ với tôi cái vấn đề này! Thanks

    Comment


    • #3
      Trong đồng hồ treo tường có một con chip tạo ra xung chuẩn 1Hz , nguồn 1,5V .
      Tôi cho nó chạy 5V và thấy nó tương thích TTL .

      Các bác kiểm tra thử tui làm có đúng hông ?
      Attached Files

      Comment


      • #4
        Đúng rồi ở đồng hồ có bộ tạo xung 1 Hz tuy nhiên để nó chạy đúng cứ nên cấp nguồn 1.5V
        Dùng cái này làm đồng hồ kĩ thuật số cũng được tần số chính xác hơn mạch dao động lắp bằng NAND

        Comment


        • #5
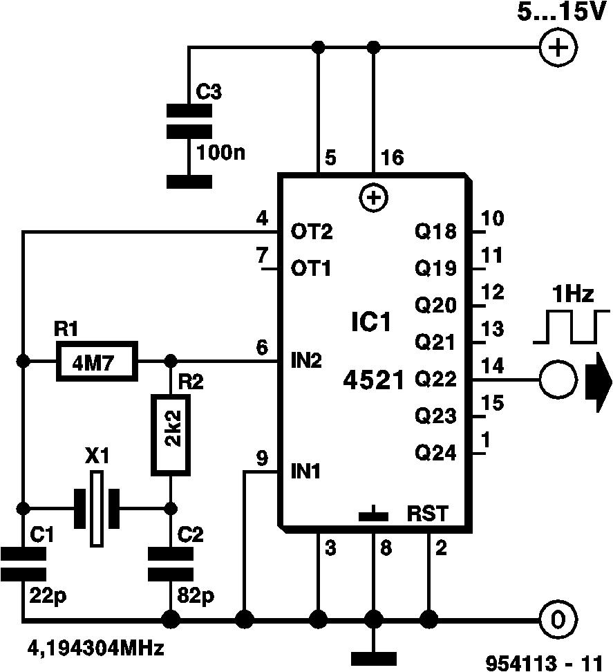
          CD4521 và Crystal 4.194304 MHz --> xung chuẩn 1Hz
          Các bác có ai biết 2 con nầy bán ở đâu và bi nhiêu hông ?
          Attached Files

          Comment


          • #6
            to NamVN :" Xung chuẩn 1s " chờ bài viết của bạn đó ! Mấy sơ đồ của tui
            xưa rùi , không biết bây giờ mạch thế nào ?

            Nếu muốn chính xác hơn ,các bác chia từ 16MHz xuống 1HZ ...
            Attached Files
            Last edited by nguyenmau; 08-08-2007, 10:06.

            Comment


            • #7
              Nguyên văn bởi NamVN Xem bài viết
              Luồng này được mở mới, thực ra xuất phát từ luồng đã có (http://dientuvietnam.net/forums/showthread.php?t=4836) nhưng đã không có giải pháp cụ thể và luồng đã bị phân tán, và không có một "đại ca" nào giải đáp ở đây.

              Nhận thấy đây là một vấn đề cơ bản, bản thân tôi cũng đã từng vấp phải khi mới vào nghề, nên tôi tham gia thế này:

              - Việc muốn có xung chuẩn 1s phải dùng thạch anh, là bạn vucuong đã đặt vấn đề đúng.
              - NE555 có thể dùng với thạch anh, nhưng không tối ưu bởi nó không được thiết kế để làm việc với chế độ như vậy.
              - Dao động NE555 với RC, và chia tần như bạn vovanphuoc đề xuất, rất rườm rà, phức tạp, trong khi không tạo được xung chuẩn.
              - Dùng vi điều khiển để tạo xung chuẩn, cũng theo ban vovanphuoc đề xuất, chẳng khác nào dùng dao mổ voi để mổ gà. Vả lại, việc dùng VĐK để tạo xung chuẩn hoàn toàn không đơn giản, nếu bạn không có kỹ năng lập trình tốt, và không có tần số kế để kiểm tra kết quả.

              Giải pháp đơn giản nhất vẫn là dùng IC logic. Bạn đã không tìm ra giải pháp bởi vì bạn chưa hiểu nhiều về linh kiện, và không tìm hiểu các linh kiện hiện có trên thị trường, cụ thể là linh kiện của các nhà cung cấp quảng cáo ngay trên diễn đàn này.

              Sơ đồ khối của 1 mạch phát xung chuẩn thạch anh là: mạch dao động thạch anh => mạch chia tần số (thập phân hoặc cơ số 2).

              Có một số IC đã tích hợp ngay mạch dao động và mạch chia trong cùng một vỏ, ví dụ CD4060, CD4541.

              Tôi không đưa ra sơ đồ cụ thể, chỉ gợi ý (cũng đã "sát rạt" rồi, việc của bạn còn lại chỉ là vẽ sơ đồ và thực hiện thôi) như sau:

              Chọn mua CD4060, thạch anh 32.768Hz, CD4013, bạn sẽ tạo được xung thạch anh chuẩn 1s với độ rộng xung 50% hoàn hảo. Giá thành linh kiện, kể cả linh tinh, có lẽ không đến 15k.



              NamVN
              Ủa vậy những IC của tui đưa ra là không hợp lý à??? sao bạn biết xung tôi dao động ra không chuẩn và sao bạn bạn là duty cycle không là 50%???

              Giải pháp hoàn toàn khônhg rườm rà, cũng không phức tạp. chỉ những người đơn giản nhất biết KTS là có thể hiểu và làm được.

              ------
              Thạch anh bạn yêu cầu là 32,768Hz trên thực tế có không? hay chỉ trên lý thuyết.???
              -------
              Chúc các bạn vui vẻ
              Yahoo:

              Comment


              • #8
                Nguyên văn bởi Co_processor Xem bài viết
                Tôi thấy những gì được trình bày trên đây là đã rất tốt, đảm bảo cho nhu cầu tạo xung 1Hz chuẩn của tấc cả mọi người trong điều kiện hiện nay (đáp ứng được nhu cầu, độ chính xác chấp nhận được, và quan trọng rất rẻ tiền!).

                Nhưng theo tôi tìm hiểu thì hiện nay trong một số thiết bị điện tử có độ chính xác cao (mấy cái timer của Đức bán ngoài chợ Dân Sinh - Sài Gòn) có luôn một CHIP chuyên dụng dùng tạo ra xung 1Hz chuẩn. Tuy không có thông tin về nó nhưng tôi thấy con CHIP này rất lạ, to hơn CHIP thường thấy rất nhiều, và lạ hơn nửa là là nó không có cấp nguồn! Cũng được hàn lên board như bao CHIP khác nhưng không thấy có nguồn cấp (không biết tôi có nhằm không chứ điều này thì lạ thất, vì cái timer này tôi mượn nên không có điều kiện xem lâu). Khi cấp nguồn cho cái timer này hoạt động thì thấy có xung 1Hz chuẩn xuất hiện. Cái timer này rất hay vì mình có thể lập trình ON/OFF cho nó cả một tuần liền hoặc theo ngày nào đó.

                Vậy đây có phải một cách tạo xung chuẩn mới không và bí mật của con CHIP này là gì vậy?

                Mong được các bạn chia sẻ với tôi cái vấn đề này! Thanks
                Ồ, cái timer này tôi cũng đang muốn kiếm mà không thấy. Nó tầm cỡ bn K vậy? Vậy mà tuần trươc vô đó không biết đi tìm. Có bác nào thấy loại tương tự bán đâu ngoài HN không? Chỉ giùm tôi với!

                PT.
                Núi cao bởi có đất bồi
                Núi chê đất thấp, núi ngồi ở đâu?
                Muôn dòng sông đổ biển sâu
                Biển chê sông nhỏ, biển đâu nước còn?

                Comment


                • #9
                  Tớ nghĩ xung chuẩn bắt buộc phải dùng thạch anh rồi chia tần. Con tối thiểu là 32.768k nhưng mà không thấy đâu bán cả, chỉ có cách tháo cái đồng hồ điện tử mươi ngàn ra mà lấy thôi.

                  Comment


                  • #10
                    Nguyên văn bởi phanta Xem bài viết
                    Ồ, cái timer này tôi cũng đang muốn kiếm mà không thấy. Nó tầm cỡ bn K vậy? Vậy mà tuần trươc vô đó không biết đi tìm. Có bác nào thấy loại tương tự bán đâu ngoài HN không? Chỉ giùm tôi với!

                    PT.
                    Này bác ơi, nó tầm 400k VNĐ đấy! Nếu có điều kiện vào Sài Gòn bác ra chợ Dân Sinh là có ngay. Thằng này của Đức, Hoạt động chuẩn lắm.

                    Comment


                    • #11
                      Nguyên văn bởi vovanphuoc Xem bài viết
                      Ủa vậy những IC của tui đưa ra là không hợp lý à??? sao bạn biết xung tôi dao động ra không chuẩn và sao bạn bạn là duty cycle không là 50%???

                      Giải pháp hoàn toàn khônhg rườm rà, cũng không phức tạp. chỉ những người đơn giản nhất biết KTS là có thể hiểu và làm được.

                      ------
                      Thạch anh bạn yêu cầu là 32,768Hz trên thực tế có không? hay chỉ trên lý thuyết.???
                      -------
                      Chúc các bạn vui vẻ
                      Thạch anh 32.768 Khz bán rất nhiều bác à, 1.5K/1con, quá rẻ!

                      Comment


                      • #12
                        Mấy sư huynh ơi, trên thực tế thì CMOS không tương thích với TTL phải không?Vậy mà khi em mô phỏng bằng proteus thì lại được. Cụ thể là ở phần tạo xung 1hz, em sử dụng xtal 32,768k, qua 4060 rồi qua 4013 (4060, 4013 thuộc họ CMOS)để tạo xung chuẩn 1hz, rồi cấp vào mạch đồng hồ dùng IC 74LS90 (thuộc họ TTL), mô phỏng trên proteus thì chương trình này vẫn mô phỏng được. Vậy chương trình proteus có nhận biết được sự khác nhau về chủng loại IC không ạ?

                        Comment


                        • #13
                          Các pác cố gắng sử dụng vi khiển đi, rẻ lắm 89C2051 = 10K + TAnh 12MHz = 5K, các LK chung quanh gồm 1 tụ reset 1uF, 1 tụ bypass 104. Tất cả 16K, viết 1 đoạn mã sử dụng ngắt timer0, các pác có nhu cầu em viết hộ cho là chạy thoải con gà mái.

                          Comment


                          • #14
                            Cmos có chữ B ,ví dụ CD4013BE ,tương thích với TTL vì nó có thể cấp dòng ra lớn cho TTL.
                            Như anh đang ráp nề ,CD4017BE --> 74LS132 ,74LS90 -->CD4511BE chạy được mà
                            bởi vì có sẵn nếu như đi mua thì sẽ mua CMOS thôi cho nhẹ nguồn .
                            À quên ,CMOS phải chạy 5V nghen để tương thích TTL .

                            *C/t Protues thì anh không biết chứ còn Multisim thì CMOS và TTL tương thích với nhau
                            Last edited by nguyenmau; 08-11-2007, 23:37.

                            Comment


                            • #15
                              Nguyên văn bởi Wab Xem bài viết
                              Mấy sư huynh ơi, trên thực tế thì CMOS không tương thích với TTL phải không?Vậy mà khi em mô phỏng bằng proteus thì lại được. Cụ thể là ở phần tạo xung 1hz, em sử dụng xtal 32,768k, qua 4060 rồi qua 4013 (4060, 4013 thuộc họ CMOS)để tạo xung chuẩn 1hz, rồi cấp vào mạch đồng hồ dùng IC 74LS90 (thuộc họ TTL), mô phỏng trên proteus thì chương trình này vẫn mô phỏng được. Vậy chương trình proteus có nhận biết được sự khác nhau về chủng loại IC không ạ?
                              trong proteus hình nhw ko coi trọng vấn đề này lắm,CMOS và TTL lắp lẫn cũng đc,thậm chí cho 1 con LED dòng max 10mA vào nguồn 1A nó vẫn cứ sáng(lắp thật là cháy rồi)
                              Trở lại với vấn đề xung vuông 1s,theo tui ko nên dùng 555 để tạo xung 1s(one-shot thì đc) lí do là nếu chọn 555 thì sai số lớn (có thể đến 50%,và duty cycle ko đc 50%),555 tốt nhất chỉ nên dùng vào mạch phát xung từ 1kHz trở lên.Để tạo đc xung 1s tốt nhất là dùng thạch anh như bác NAmVn đã nói,đơn giản+rẻ tiền.Còn dùng VDK thì đúng là hơi quan trọng hóa vấn đề rồi

                              Comment

                              Về tác giả

                              Collapse

                              NamVN Tìm hiểu thêm về NamVN

                              Bài viết mới nhất

                              Collapse

                              Đang tải...
                              X