Thông báo

Collapse
No announcement yet.

Mắc DIOD ZENER

Collapse
X
 
  • Lọc
  • Giờ
  • Show
Clear All
new posts

  • Mắc DIOD ZENER

    Mọi người cho mình hòi xíu về Diod Zener. Ta có thể mắc nối tiếp hai hay nhiều DZ với nhau và xem như một DZ mới bằng tổng các giá trị các DZ không? ( Vi dụ như 2 con DZ 12V nối tiếp thành DZ 24V) hay là có các nào khác?

  • #2
    Mắc được nhưng không tốt bằng 1 con nên hạn chế không mắc nhiều hơn 2 con , cách khác là mắc nối tiếp thêm 1 điện trỏ vào zener .

    Comment


    • #3
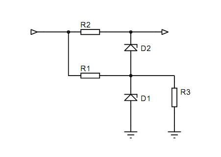
      Mình nghĩ chắc có thể mắc như thế này. R3 có thể ko cần
      Attached Files

      Comment


      • #4
        R 2 như trở tải nếu trở nhỏ tải lớn sẻ cháy , R 3 là trở quan trọng nếu không có nó rất khó chỉnh áp qua các mắt nối các cầu phân áp đều phải có trở nối mass , cách này hơi hao dòng nối tiếp trở sau zener tốt hơn .

        Comment


        • #5
          Dùng DZ thì tât nhiên là tải nhỏ rồi. D1 thì ghim áp tốt rồi. Mình nghĩ lại rồi, R3 là cần thiết. R2 sẽ tạo sụt áp khi D2 ghim áp giữa hai đầu D2. Ví dụ: nguồn 30V, 2 DZ đều 12V thì điện áp giữa D1 và D2 là 12V, khi đó D2 làm nhiệm vụ ổn áp nguồn từ 18V thành 12V. Như vậy đầu ra là 24V, điện áp rơi trên R2 là 6V nhỏ hơn điện áp rơi trên R3 lun

          Comment


          • #6
            Nguyên văn bởi tuyennhan Xem bài viết
            Mắc được nhưng không tốt bằng 1 con nên hạn chế không mắc nhiều hơn 2 con , cách khác là mắc nối tiếp thêm 1 điện trỏ vào zener .
            Cách mắc nối tiếp Dz là cách đựoc sử dụng để tạo ra các Uz mà không có sẵn Dz cùng giá trị.

            Cách mắc thêm trở nối tiếp với Dz, không phải là cách khác mà là cách mắc cơ bản của mạch Dz.

            Người ta phải tính toán sao cho với dòng max của mạch thì toàn bộ áp dư rơi trên trở. Khi mahcj ăn ít dòng hơn thì Dz ăn giùm để đảm bảo áp trên tải không đổi.

            PT.
            Núi cao bởi có đất bồi
            Núi chê đất thấp, núi ngồi ở đâu?
            Muôn dòng sông đổ biển sâu
            Biển chê sông nhỏ, biển đâu nước còn?

            Comment


            • #7
              Nguyên văn bởi nquoccdt Xem bài viết
              Mình nghĩ chắc có thể mắc như thế này. R3 có thể ko cần


              Theo PT thì cả R1 và R3 để không cần. Quan trọng là dòng chịu của 2 con Dz là tuơng đuơng (hoặc dòng của hệ chỉ bằng dòng con nhỏ nhất hệ) và công suất mỗi con chịu tuơng ứng với điện áp rơi trên nó.

              PT.
              Núi cao bởi có đất bồi
              Núi chê đất thấp, núi ngồi ở đâu?
              Muôn dòng sông đổ biển sâu
              Biển chê sông nhỏ, biển đâu nước còn?

              Comment


              • #8
                Ai có ý kiến gì nữa không?

                Comment


                • #9
                  Ráp kèm 1 trans không tốn thêm bao nhiêu lại được dòng tải lớn mà dòng qua zener lại nhỏ an toàn hơn ổn áp chỉ có trở và zener .

                  Comment


                  • #10
                    Nguyên văn bởi tuyennhan Xem bài viết
                    Ráp kèm 1 trans không tốn thêm bao nhiêu lại được dòng tải lớn mà dòng qua zener lại nhỏ an toàn hơn ổn áp chỉ có trở và zener .
                    Ý bạn nói là mắc theo kiểu như cấu tạo của con 78/79xx hả. Cái đó thì được rồi nhưng mình muốn hòi là mắc DZ thế nào cho chính xác thôi

                    Comment


                    • #11
                      Nguyên văn bởi tuyennhan Xem bài viết
                      Mắc được nhưng không tốt bằng 1 con nên hạn chế không mắc nhiều hơn 2 con , cách khác là mắc nối tiếp thêm 1 điện trỏ vào zener .
                      Điện trở mắc ntiếp với zener là để định dòng cho zener mà thôi .,không thay thế cho cách mắc 2 zener ntiếp .

                      Comment


                      • #12
                        Nguyên văn bởi tuyennhan Xem bài viết
                        Ráp kèm 1 trans không tốn thêm bao nhiêu lại được dòng tải lớn mà dòng qua zener lại nhỏ an toàn hơn ổn áp chỉ có trở và zener .
                        Bác này lạc đề. Ngừoi ta cần cộng áp chứ có cần cộng dòng đâu mà mắc thế này.

                        PT.
                        Núi cao bởi có đất bồi
                        Núi chê đất thấp, núi ngồi ở đâu?
                        Muôn dòng sông đổ biển sâu
                        Biển chê sông nhỏ, biển đâu nước còn?

                        Comment


                        • #13
                          Đúng là lạc đề nhưng đó là cách để hạn chế khuyết điểm do mắc nối tiếp diod zener , chỉ vì chủ topic hỏi có còn ý kiến gì nửa không .

                          Comment


                          • #14
                            Nguyên văn bởi nquoccdt Xem bài viết
                            Ý bạn nói là mắc theo kiểu như cấu tạo của con 78/79xx hả. Cái đó thì được rồi nhưng mình muốn hòi là mắc DZ thế nào cho chính xác thôi
                            vậy mình có thể mắt // nhiều zenerer phân cực cho transitor để lấy ra dòng cao lên được không hả các bác .cảm ơn

                            Comment


                            • #15
                              Nếu không muốn mắc nhiều Diode zener, anh có thể sử dùng sơ đồ sau:

                              Click image for larger version

Name:	zenner.gif
Views:	1
Size:	3.3 KB
ID:	1362366
                              Nhóc thích nghịch điện,
                              Nhóc thích xì păm,
                              Nhóc thích trêu mấy anh.
                              Hi hi.

                              Comment

                              Về tác giả

                              Collapse

                              nquoccdt Tìm hiểu thêm về nquoccdt

                              Bài viết mới nhất

                              Collapse

                              Đang tải...
                              X