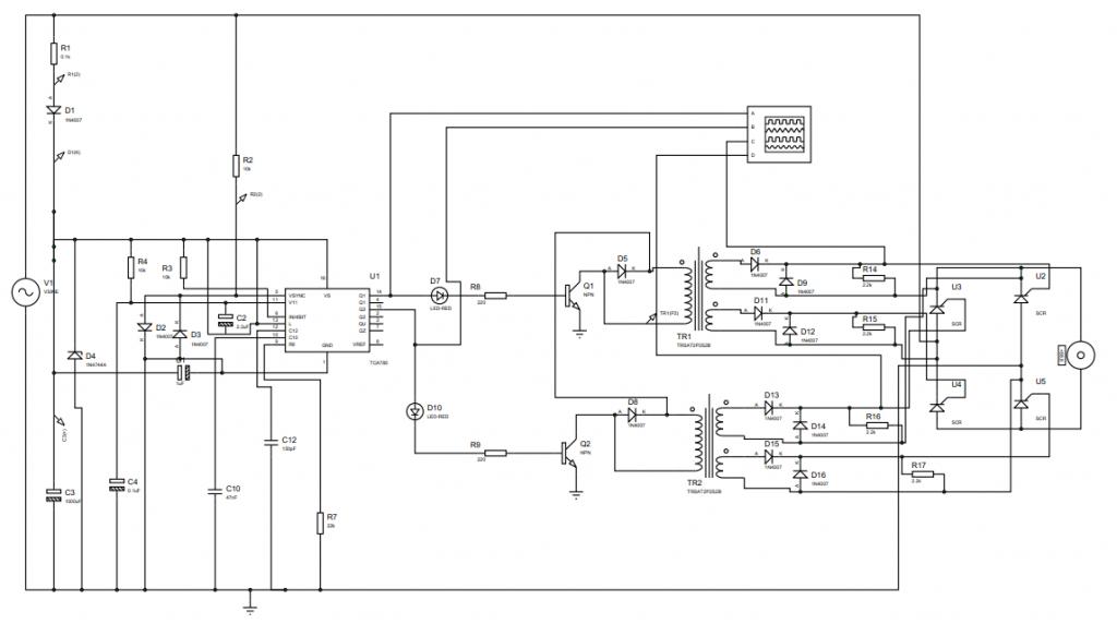
Mọi người xem giúp mình cái sơ đồ mình vẽ xem sai không, chỉnh giúp mình với. Lần đầu tiên mình làm về tca 785. đồ án rất gấp rồi mà thầy hướng dẫn cũng chẳng chỉ cho được. xung ra tại chân 14,15 là ok rùi, nhưng mình không biết phần đấu bax, cấp nguồn nuôi thế nào cả. Ai có kinh nghiệm, từng làm phần này giúp với. Có thể tính giúp mình con biến áp xung được không. thanks các bác! Đây là file mình vẽ. 
còn đây là link mình mô phỏng: Bai tap do an1.rar
còn đây là link mình mô phỏng: Bai tap do an1.rar
