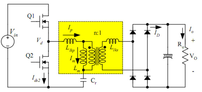
Em đang phải làm đồ án về bộ biến đổi cộng hưởng LLC,đã tham khảo được một số bài viết nhưng mà e không hiểu Llkp,với Llks là viết tắt của cái gì đấy ạ,bác nào biết giải thích giùm e với ạ,e đang cần rất gấp
.Bác nào có tài liệu nói chi tiết về hoạt động của mạch này thì chia sẻ cho e với.
Cảm ơn các bác đã quan tâm
!

Comment