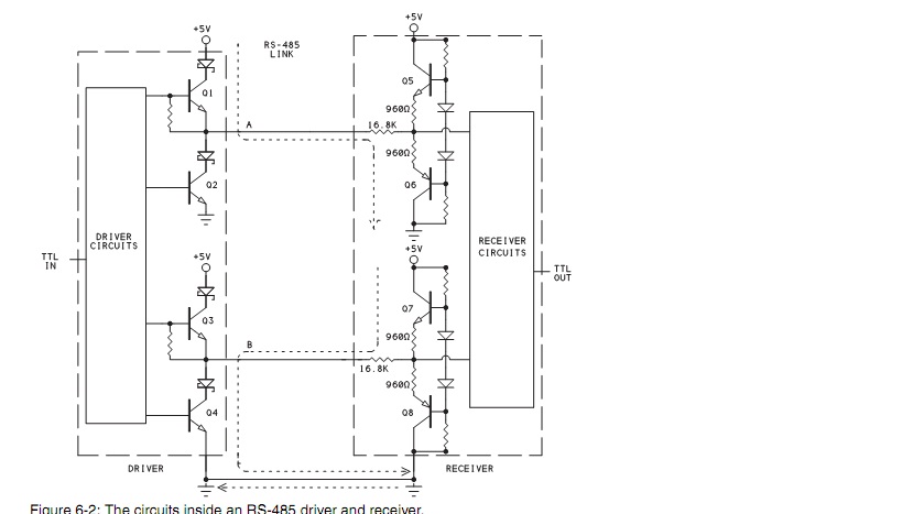
Chào mọi người! mình đang làm về mạng RS 485, đọc cuốn serial port complete 2nd edition có đoạn nói về hoạt động bên trong của các bộ thu/ nhận như hình đính kèm. Trong đó nói khi TTL in ở mức cao các tran Q1,4 thông, Q2,3 cấm... theo hình thì mình thấy các tran Q1,Q2 là tương đương, như vậy thì Q1, Q2 thông chứ ko phải Q1, Q4. Nhờ các bạn giải thích dùm !
Thông báo
Collapse
No announcement yet.
nguyên lý hoạt động transmiter Rs 485
Collapse
X
-
Nền tảng cơ bản của nó là RS232. TUy nhiên để có thể link nhiều node với nhau thì RS232 không làm được.
Khi đó cần 1 phuơng pháp khác dựa trên cơ sở Rs232 này, khi đó RS485 đã được dùng đến.
Khi đó nhiều node có thể link lại với nhau và nguyên lý phần cứng chính là những gì mà bạn đã post lên.
mohandien@gmail.com
Comment
-
- Chuẩn RS-232 dùng đường truyền không cân bằng vì các tín hiệu đều lấy điểm chuẩn là đường mass chung, do đó tốc độ truyền và khoảng cách truyền bị giới hạn. Khi cần tăng khoảng cách và tốc độ truyền phương pháp dùng hai dây trở nên hữu hiệu hơn vì hai dây có đặt tính giống nhau, tín hiệu truyền đi là hiệu số điện áp giữa hai dây. Do đó, loại trừ được nhiễu chung.
- Tín hiệu từ máy tính theo chuẩn RS-232 có mức điện áp là ±12V phải đổi
sang mức TTL 0 -> 5V dùng vi mạch MAX 232, sau đó tín hiệu đơn được đổi sang tín hiệu vi sai dùng vi mạch MAX 485. Điện áp vi sai phải lớn hơn 200mV. Nếu Vab > 200mV ta coi như logic 1 được truyền còn nếu Vab < -200mV thì logic0 đươc truyền.
- Truyền RS-485 là công nghệ truyền được sử dụng thường xuyên bởi
PROFIBUS. Các lĩnh vực ứng dụng bao gồm tất cả các lĩnh vực mà trong đó cần lắp đặt không đắt tiền, đơn giản và truyền tốc độ cao. Người ta dùng cáp đồng xoắn kép có bọc (STP).
- Công nghệ truyền RS-485 thì dễ xử lý. Lắp đặt cáp xoắn kép (TP) không
cần kiến thức chuyên gia. Kiến trúc Bus cho phép thêm và lấy đi các trạm mà không làm ảnh hưởng đến các trạm khác. Những mở rộng sau này không làm ảnh hưởng đến các trạm đang hoạt động.
- Giao tiếp EIA RS-485 là một cải tiến của chuẩn RS-422A. Đặc tính điện
của nó giống như chuẩn RS-422A. RS-485 là chuẩn truyền vi sai, sử dụng hai dây cân bằng. Với RS-485 tốc độ truyền có thể đạt đến 10Mbs và chiều dài cáp có thể lên đến 1.2km. Điện áp vi sai ngõ ra từ +1.5V -> +5V nếu là logic mức 0 và mức logic 1 sẽ là từ -1.5V -> -5V. Một đặc điểm quan trọng của RS-485 là có thể cung cấp đến 32 Drivers và Receivers trên cùng một đường truyền. Điều này cho phép tạo thành một mạng cục bộ. Để có khả năng như vậy, ngõ ra Driver RS-485 phải là ngõ ra 3 trạng thái. Và do đó một Slave sẽ ở trạng thái tổng trở cao khi nó không được chọn để giao tiếp cùng với Master.
- Chỉ có một trạm được chọn làm Master, các trạm còn lại đều là Slave.
Master được quyền truyền bất cứ lúc nào, nó sẽ chỉ định một Slave bất kì giao tiếp với nó. Slave chỉ có thể truyền sau khi nhận được lệnh của Master. Mọi Slave có một địa chỉ riêng trên đường truyền và sẽ không được phép truyền nếu không có yêu cầu từ Master..
+ Đặc điểm :
- P RS _485 là chuẩn giao tiếp nối tiếp bất đồng bộ cân bằng, sự truyền
thông tin trên.
- P dây xoắn đôi bán song công (Half _ Duplex), nghĩa là tại một thời điểm
bất kì trên dây truyền chỉ có thể là một thiết bị hoặc là truyền hoặc là nhận.
- RS_485 cho phép 32 bộ truyền trên bus.
- RS_485 có ngõ ra 3 trạng thái.
- RS_485 cho phép tốc độ truyền tối đa là 10Mbps.
Cách lắp đặt RS-485:
Tất cả các thiết bị được nối vào cấu trúc Bus tối đa 32 trạm (Master hay
Slave) có thể được nối vào một Sement (đoạn). Bus được kết thúc bằng Bus tích cực (Active Bus Terminator) ở đầu và cuối mỗi Segment. Để đảm bảo hoạt động không có lỗi thì cả đầu kết thúc Bus luôn luôn được có điện.
Ko biết cái này có phải cái bạn cần không. Nếu đúng thì mai mình sẽ viết tiếp phần mạng RS485 và mạch ứng dụng MAX485.
Comment
-
Thanks bạn! Thực ra mình chỉ muốn hỏi vể chi tiết bên trong con MAX 485 hoạt động như thế nào, sơ đồ nguyên lý của nó mình đã post trong file ảnh đính kèm ở trên. Rất mong sự góp ý của bạn.Nguyên văn bởi OpenDoor Xem bài viết- Chuẩn RS-232 dùng đường truyền không cân bằng vì các tín hiệu đều lấy điểm chuẩn là đường mass chung, do đó tốc độ truyền và khoảng cách truyền bị giới hạn. Khi cần tăng khoảng cách và tốc độ truyền phương pháp dùng hai dây trở nên hữu hiệu hơn vì hai dây có đặt tính giống nhau, tín hiệu truyền đi là hiệu số điện áp giữa hai dây. Do đó, loại trừ được nhiễu chung.
- Tín hiệu từ máy tính theo chuẩn RS-232 có mức điện áp là ±12V phải đổi
sang mức TTL 0 -> 5V dùng vi mạch MAX 232, sau đó tín hiệu đơn được đổi sang tín hiệu vi sai dùng vi mạch MAX 485. Điện áp vi sai phải lớn hơn 200mV. Nếu Vab > 200mV ta coi như logic 1 được truyền còn nếu Vab < -200mV thì logic0 đươc truyền.
- Truyền RS-485 là công nghệ truyền được sử dụng thường xuyên bởi
PROFIBUS. Các lĩnh vực ứng dụng bao gồm tất cả các lĩnh vực mà trong đó cần lắp đặt không đắt tiền, đơn giản và truyền tốc độ cao. Người ta dùng cáp đồng xoắn kép có bọc (STP).
- Công nghệ truyền RS-485 thì dễ xử lý. Lắp đặt cáp xoắn kép (TP) không
cần kiến thức chuyên gia. Kiến trúc Bus cho phép thêm và lấy đi các trạm mà không làm ảnh hưởng đến các trạm khác. Những mở rộng sau này không làm ảnh hưởng đến các trạm đang hoạt động.
- Giao tiếp EIA RS-485 là một cải tiến của chuẩn RS-422A. Đặc tính điện
của nó giống như chuẩn RS-422A. RS-485 là chuẩn truyền vi sai, sử dụng hai dây cân bằng. Với RS-485 tốc độ truyền có thể đạt đến 10Mbs và chiều dài cáp có thể lên đến 1.2km. Điện áp vi sai ngõ ra từ +1.5V -> +5V nếu là logic mức 0 và mức logic 1 sẽ là từ -1.5V -> -5V. Một đặc điểm quan trọng của RS-485 là có thể cung cấp đến 32 Drivers và Receivers trên cùng một đường truyền. Điều này cho phép tạo thành một mạng cục bộ. Để có khả năng như vậy, ngõ ra Driver RS-485 phải là ngõ ra 3 trạng thái. Và do đó một Slave sẽ ở trạng thái tổng trở cao khi nó không được chọn để giao tiếp cùng với Master.
- Chỉ có một trạm được chọn làm Master, các trạm còn lại đều là Slave.
Master được quyền truyền bất cứ lúc nào, nó sẽ chỉ định một Slave bất kì giao tiếp với nó. Slave chỉ có thể truyền sau khi nhận được lệnh của Master. Mọi Slave có một địa chỉ riêng trên đường truyền và sẽ không được phép truyền nếu không có yêu cầu từ Master..
+ Đặc điểm :
- P RS _485 là chuẩn giao tiếp nối tiếp bất đồng bộ cân bằng, sự truyền
thông tin trên.
- P dây xoắn đôi bán song công (Half _ Duplex), nghĩa là tại một thời điểm
bất kì trên dây truyền chỉ có thể là một thiết bị hoặc là truyền hoặc là nhận.
- RS_485 cho phép 32 bộ truyền trên bus.
- RS_485 có ngõ ra 3 trạng thái.
- RS_485 cho phép tốc độ truyền tối đa là 10Mbps.
Cách lắp đặt RS-485:
Tất cả các thiết bị được nối vào cấu trúc Bus tối đa 32 trạm (Master hay
Slave) có thể được nối vào một Sement (đoạn). Bus được kết thúc bằng Bus tích cực (Active Bus Terminator) ở đầu và cuối mỗi Segment. Để đảm bảo hoạt động không có lỗi thì cả đầu kết thúc Bus luôn luôn được có điện.
Ko biết cái này có phải cái bạn cần không. Nếu đúng thì mai mình sẽ viết tiếp phần mạng RS485 và mạch ứng dụng MAX485.
Comment
-
Mình đã gửi rồi nhé!Nguyên văn bởi fool_11 Xem bài viếtemail :tech_stupid11@yahoo.com
Cám ơn bạn nhiều nhé !
Comment
-
Bạn có thể gửi cho mình cuốn serial port complete edition được không? MÌnh đang tìm hiểu về hai vi điều khiển giao tiếp RS485? Bạn có cấu hình phần cứng của con MASTER và SLAVE? Cảm ơn bạn trước. Email: average_1986@yahoo.comLast edited by average_1986; 04-11-2011, 14:43.
Comment
-
Bạn ơi mình cũng đang cần cuốn:" Serial port complete edition", bạn gửi cho mình được không? Xin chân thành cảm ơn!
Gmail: dda.vielina@gmail.com
Comment
Bài viết mới nhất
Collapse
-
Trả lời cho Yêu thơ mê nhạc, mời các bác vào đây!bởi vi van phamSuno hát sai toàn bộ nốt nhạc và điệu valse cháu ạ . Khi chép lới nó toàn bộ hát như thế, viết vào style không sửa nốt nhạc và lời khi chưa cho phép thì nó không hát hiện thông báo chưa được cho phép hát.
-
Channel: Tâm tình dân kỹ thuật
Hôm qua, 20:35 -
-
Trả lời cho Yêu thơ mê nhạc, mời các bác vào đây!bởi dinhthuong92Cháu không vào được để nghe thử. Mời bác nghe thử bản phối điệu Techno này xem thế nào nhé! Chúc bác vui.
( Cháu nhìn lyrics và cứ thế một mmạch hát demo rồi đưa vào suno. nó hát đạt 80% melody!)...-
Channel: Tâm tình dân kỹ thuật
27-04-2026, 17:00 -
-
Trả lời cho Yêu thơ mê nhạc, mời các bác vào đây!bởi vi van phamĐây là sheet nhạc và video bản nhạc tôi viết tán bà xã 50 năm trước, nay viết lại.
-
Channel: Tâm tình dân kỹ thuật
26-04-2026, 19:54 -
-
Trả lời cho Yêu thơ mê nhạc, mời các bác vào đây!bởi vi van pham
...-
Channel: Tâm tình dân kỹ thuật
26-04-2026, 19:49 -
-
Trả lời cho Yêu thơ mê nhạc, mời các bác vào đây!bởi dinhthuong92Bài này cháu phải "Creat" trên 30 lần rồi cắt ghép mới tạm có hồn tí đó bác. Quá nản luôn!!!
HẸN ƯỚC XUÂN SANG
Sáng tác: Hoàng Đình Thường
Hòa âm & hát: Suno AI
---25/04/2026----
[Verse 1]
Gió...-
Channel: Tâm tình dân kỹ thuật
25-04-2026, 11:05 -
-
Trả lời cho Yêu thơ mê nhạc, mời các bác vào đây!bởi vi van phamSuno là phần mềm dành cho người không biết nhạc lý, chỉ cần viết lời là nó tự biên tự diễn.Khi cháu sáng tác 1 bản nhạc với chủ âm, phụ âm điệu nhạc cháu gởi lên SUNO nó chỉ chơi đúng vài dòng đầu của nhạc, nhiều người dạy...
-
Channel: Tâm tình dân kỹ thuật
22-04-2026, 13:45 -
-
bởi dinhthuong92Vậy là Mạch PPT không cần dùng tới cuộn cảm luôn nhỉ!...
-
Channel: Nguồn!
22-04-2026, 11:19 -
-
Trả lời cho Yêu thơ mê nhạc, mời các bác vào đây!bởi dinhthuong92Hiện nó còn chưa phân biệt được giọng nam giọng nữ trong song ca nữa. Hát mono một giọng thì ok.
Ở bài MỎI CÁNH CHIM BẰNG nó hát lệch: khúc bi ca, từng ngày, mịt mù, địa chỉ, cát bụi, mỏi mòn, hoàng hôn, nơi ấy, dại khờ.-
Channel: Tâm tình dân kỹ thuật
22-04-2026, 11:07 -
-
Trả lời cho Công nghệ TSMC cho thiết kế Digital ICbởi gfasdfa234ai còn cái này không nhỉ , upload lại cho mọi người đi , vì một cộng đồng điện tử việt nam...
-
Channel: Công nghệ ASIC & Advance Techno
22-04-2026, 11:06 -
-
Trả lời cho Yêu thơ mê nhạc, mời các bác vào đây!bởi dinhthuong92Vâng bác, hiện tại mình phải chấp nhận SUNO như vậy thôi, vì ít ra nó hát đa phần đúng hay hơn mình, đỡ tốn tiền thuê ca sĩ thể hiện.
Cháu nghĩ, có thể nhà phát triển cố tình bảo vệ giới ca sĩ đấy, chứ mà mình nói sao...-
Channel: Tâm tình dân kỹ thuật
22-04-2026, 11:05 -

Comment