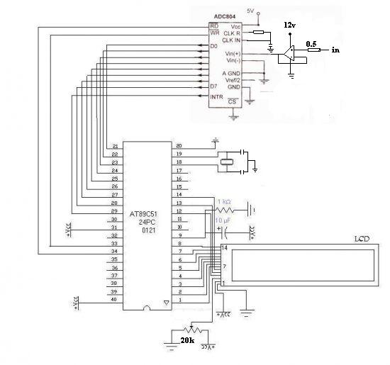
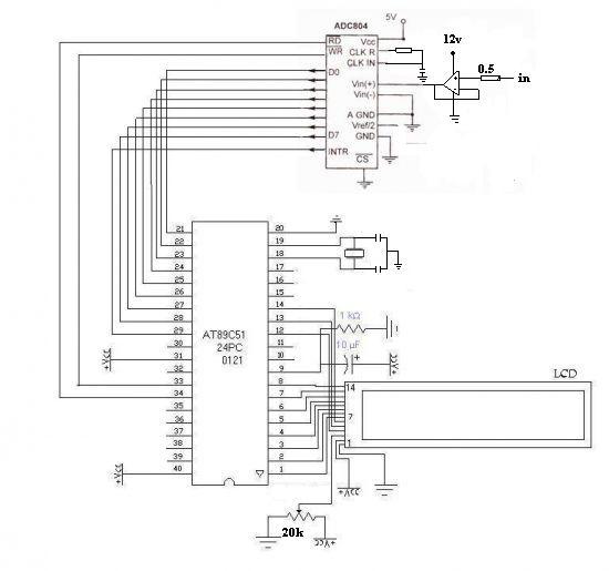
anh chị à. Em đang làm bài tập lớn môn vi điều khiển. bài của em là thiết kế ampemet dải từ 0A đến 10A sử dụng ADC0804,AT89C51 hiển thị bằng LCD 16*2. Em đã thiết hế song phần cứng rùi. Em xin up mạch lên đây nhờ các anh test hộ với. Em đang không biết viết phần lập trình thế nào. Anh chị nào biết giúp em code với. EM cám ơn anh chị. thày em yêu cầu viết bằng C anh chị à.
Thông báo
Collapse
No announcement yet.
Anh chị giúp em "code" bài lập trình này với
Collapse
X
-
thằng nhỏ này, em muốn làm tốt, hiểu nhiều thì phải xả thân ra mà nghiên cứu, tìm tòi. Nếu khi đó có chỗ nào vướng mắc không gỡ nổi thì mấy anh mới giúp chứ. Nếu em không chịu nghiên cứu, bây giờ các anh có post code lên thì cũng vậy mà thôi.Nguyên văn bởi wide_sky Xem bài viếtcác anh giúp em code với.thanks!
Cố gắng lên nhé!Kiếm tiền cưới vợ!!!
Comment
Bài viết mới nhất
Collapse
-
bởi mylinhattChào anh em cơ khí,
Trong quá trình tư vấn đầu tư thiết bị cho xưởng, mình gặp rất nhiều câu hỏi kiểu: “Nên mua máy phay CNC cũ để tiết kiệm, chọn máy mới phổ thông cho yên tâm, hay cố gắng lên máy chất lượng cao để làm hàng khó?”. Thực tế, đây không phải câu hỏi chỉ về...-
Channel: Máy công cụ
hôm nay, 13:38 -
-
bởi torasungChào anh em,
Mình đang tìm hiểu và cấu hình một con biến tần Delta model VFD037E43A dùng cho động cơ công suất nhỏ, ứng dụng băng tải và quạt. Trước đây mình chủ yếu làm với vài dòng khác của Delta nhưng chưa dùng nhiều model này, nên muốn...-
Channel: Điện tử công nghiệp
Hôm qua, 09:13 -
-
Trả lời cho Vấn đề về tốc độ quaybởi nguyendinhvanSử dụng động cơ servor, hoặc lắp thêm một cái encoder vào động cơ bước. Encoder sẽ kiểm soát động cơ có quay hoặc đứng im.
-
Channel: Điện tử truyền hình
14-12-2025, 19:50 -
-
bởi Andrea14Chào mọi người,
Tôi muốn mô phỏng sự thay đổi các mùa bằng cách từ từ nghiêng một quả địa cầu 16 inch bằng một động cơ bước nhỏ. Một động cơ bước khác sẽ quay quả địa cầu theo thời gian thực. Hệ thống truyền động...-
Channel: Điện tử truyền hình
12-12-2025, 12:42 -

Comment