Các bác ơi, Có bộ biến đổi DAC nào giá hợp lý không nhỉ?. Tớ cần mấy con ví dụ : ZN426. vào IC ổn áp L723. Bác nào biết xin chỉ giúp chỗ với. Xin cảm ơn
Thông báo
Collapse
No announcement yet.
Bộ biến đổi DAC - Giúp với
Collapse
X
-
Bạn cần DAC? rõ rồi
Vấn đề là thông số. Bạn muốn DAC bao nhiêu bit? tốc độ bao nhiêu sps? Giao tiếp Serial hay Parallel? 1 hay nhiều kênh ra?
Hãy xác định rõ yêu cầu của mình rồi hẵng nêu câu hỏi
PNLab
Mạch nạp/debug ULink2, Jlink ARM USB
Mạch nạp AVR, PIC, 8051, MSP430 USB
Mạch phát triển STM32, ARM9, ARM11
more...www.pnlabvn.com
-
Re:
Không biết bạn cần chính xác không. Nếu không cần chính xác thì có thể dùng AVR ở chế độ PWM có thể sử dụng như một DAC. Tại ngõ ra cần kết hợp một mạch lọc thông thấp để bỏ đi tần số lấy mẫu của PWM.Nguyên văn bởi mainboard Xem bài viếtTớ cần con DAC đầu vào 8 bít , giao tiếp song song và bộ khuyếc đại vi phân kiểu như LM723 và một con IC nguồn 5V ( nguồn + - ). tớ kiếm mấy thứ đó ở đâu hả cậu, chỉ cho tớ với. Thêm giá cả thì càng tốt. Cảm ơn
Comment
-
Bác có thể send cho em một ví dụ mẫu về cách sử dung PWM trong AVR được không em đang không biết làm thế nào cả . Em đã đọc hướng dẫn của ATMEL và cả datasheet nhưng vẫn chưa biết viết chương trình cho nó như thế nào cả ! cụ thể là chỉ cần dùng PWM kết hợp mạch lọc thông thấp RC ngoài để mở 1 cái ledNguyên văn bởi tam1234 Xem bài viếtKhông biết bạn cần chính xác không. Nếu không cần chính xác thì có thể dùng AVR ở chế độ PWM có thể sử dụng như một DAC. Tại ngõ ra cần kết hợp một mạch lọc thông thấp để bỏ đi tần số lấy mẫu của PWM.
Comment
-
bác có thể hướng dẫn cụ thể ko? nếu có viết chương trình này rồi thì up lên cho anh em học hỏi với! mình cũng đang nghiên cứu về cái này.Nguyên văn bởi tam1234 Xem bài viếtKhông biết bạn cần chính xác không. Nếu không cần chính xác thì có thể dùng AVR ở chế độ PWM có thể sử dụng như một DAC. Tại ngõ ra cần kết hợp một mạch lọc thông thấp để bỏ đi tần số lấy mẫu của PWM.hãy cố gắng dù vướn phải thất bại!!!!!!!!
Comment
-
bạn nào biết con DAC ZN426 bán ở đâu không? giá bn? mình đi khắp chợ nhật tảo mà ko thấy.hay chỉ mình một con DAC 8 bit cùng nguồn đơn nào khác...ở vn có bán đó.
cách điều xung trong vxl? mình định là nếu ko tìm ra con DAC dùng nguồn đơn sẽ phải thay đổi tần số của xung để lấy điện áp từ 0-5v ứng với 255 bước.mong nhận được sự giúp đỡ của các bạn
Comment
-
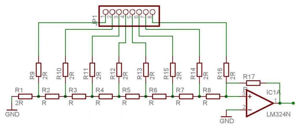
Bạn xem phương pháp dùng thang điện trở này thế nào? Tôi đã sử dụng và thấy cũng rất tốt.
Xin lỗi tôi không biết làm cách nào để up hình vẽ lên được, chỉ biết cách làm file đính kèm!Attached Files
Comment
-
bạn cho minh hoi .sau khi qua OP-AMP minh dung VOM đo điện áp ra giá trị đo chỉ là 4v. dù thay đổi điện áp ở các chân điện trở ??? cho mình hỏi thêm câu nữa sự khác nhau giữa một con DAC với thang điện trở trên ?Nguyên văn bởi pvkhai Xem bài viếtBạn xem phương pháp dùng thang điện trở này thế nào? Tôi đã sử dụng và thấy cũng rất tốt.
Xin lỗi tôi không biết làm cách nào để up hình vẽ lên được, chỉ biết cách làm file đính kèm!
Comment
-
Mạch này có 2 vấn đề:Nguyên văn bởi vitamin_3d Xem bài viếtbạn cho minh hoi .sau khi qua OP-AMP minh dung VOM đo điện áp ra giá trị đo chỉ là 4v. dù thay đổi điện áp ở các chân điện trở ??? cho mình hỏi thêm câu nữa sự khác nhau giữa một con DAC với thang điện trở trên ?
1. Sẽ có dòng điện chạy giữa các đường vào khi có chênh lệch điện áp (bit 0 và 1)
2. Không tuyến tính
Muốn có một con DAC tuyến tính, thay đổi mạch trên một chút:
bit 0 (thấp nhất), nối với điện trở 256X
bit 1, nối với điện trở 128X
...
bit 7 nối với điện trở 1X
Các điện trở này đấu vào nhau, nối vào chân của OP amp. Khi đó sẽ giải quyết được 2 vấn đề ở trên.
Vì không thể kiếm được điện trở theo kiểu 1X, 2X ... nên cần dùng nhiều điện trở ghép lại.
Comment
Bài viết mới nhất
Collapse
-
Trả lời cho cách làm led Hao Quang.có pro nào biết k nhỉ ???bởi StatusHello! I'm from Kazakhstan. Can anyone share the HEX file with me? The download link in post 50 doesn't work.
-
Channel: Vi điều khiển họ 8051
18-12-2025, 00:05 -
-
bởi mylinhattChào anh em cơ khí,
Trong quá trình tư vấn đầu tư thiết bị cho xưởng, mình gặp rất nhiều câu hỏi kiểu: “Nên mua máy phay CNC cũ để tiết kiệm, chọn máy mới phổ thông cho yên tâm, hay cố gắng lên máy chất lượng cao để làm hàng khó?”. Thực tế, đây không phải câu hỏi chỉ về...-
Channel: Máy công cụ
17-12-2025, 13:38 -
-
Trả lời cho Vấn đề về tốc độ quaybởi nguyendinhvanSử dụng động cơ servor, hoặc lắp thêm một cái encoder vào động cơ bước. Encoder sẽ kiểm soát động cơ có quay hoặc đứng im.
-
Channel: Điện tử truyền hình
14-12-2025, 19:50 -
-
bởi Andrea14Chào mọi người,
Tôi muốn mô phỏng sự thay đổi các mùa bằng cách từ từ nghiêng một quả địa cầu 16 inch bằng một động cơ bước nhỏ. Một động cơ bước khác sẽ quay quả địa cầu theo thời gian thực. Hệ thống truyền động...-
Channel: Điện tử truyền hình
12-12-2025, 12:42 -

Comment