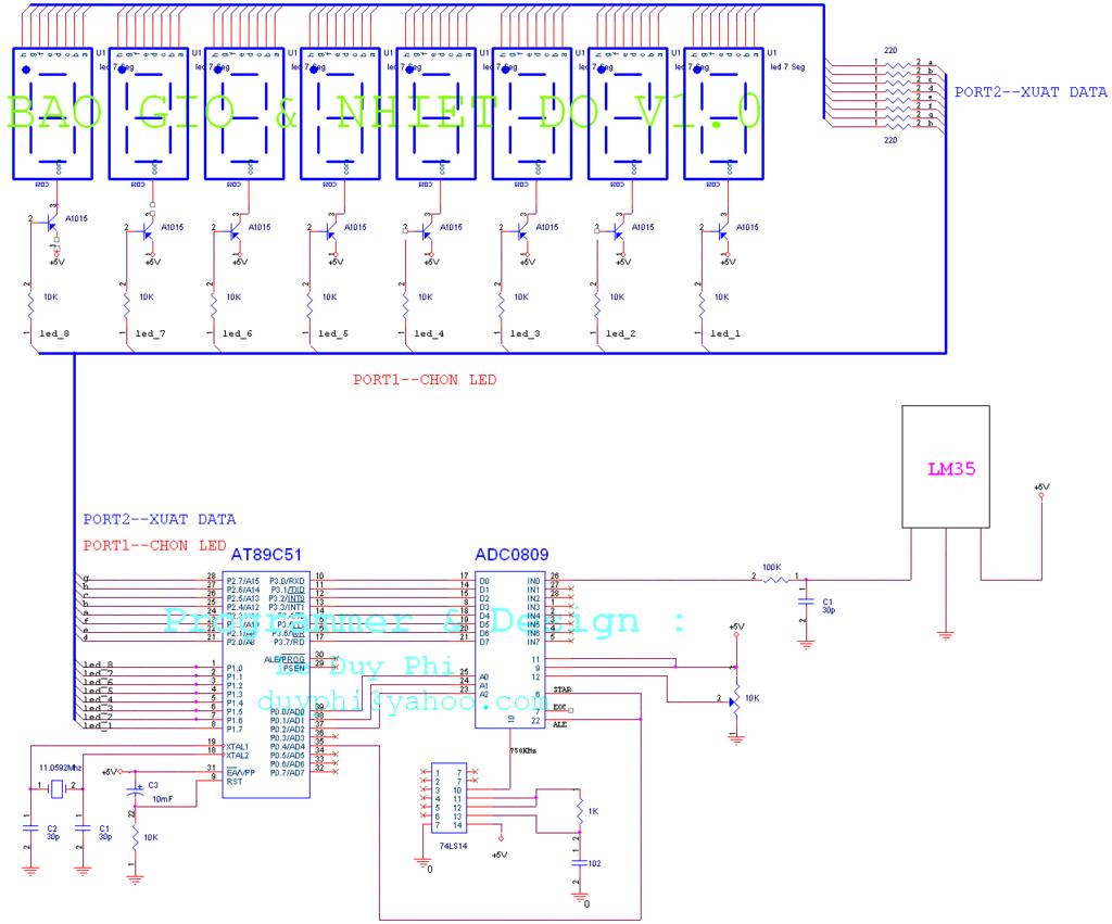
Mình có search được 1 số mạch của anh Duy Phi , cụ thể là mạch báo giờ và nhiệt độ của anh phi .Mình định làm thử mạch này để gắn ở nhà chơi , nhưng mà mình thắc mắc là ko biết nút nhấn để set giờ kết nối ở port nào , theo như chương trình là port 3 , nhưng các chân ở port này đã nối với ADC rồi .Các bạn nào đã làm qua chỉ mình với nhé .
TEST_PHIM:
.......
........
.......
JB P3.3,PHIM2
CALL NGAT_PHUT
LJMP THOAT_PHIM1
;************************************************* ******
PHIM2:
JB P3.2,THOAT_TEST_PHIM
CALL NGAT_GIO
LJMP THOAT_PHIM2
;--------------------------------------
THOAT_PHIM1:
TT_KT1:
JNB P3.3,HIEN_THI_T1
LJMP THOAT_TEST_PHIM
HIEN_THI_T1:
CALL HIEN_THI
LJMP TT_KT1
THOAT_PHIM2:
TT_KT2:
JNB P3.2,HIEN_THI_T2
LJMP THOAT_TEST_PHIM
HIEN_THI_T2:
CALL HIEN_THI
LJMP TT_KT2
THOAT_TEST_PHIM:
RET
...............
................
...............
TEST_PHIM:
.......
........
.......
JB P3.3,PHIM2
CALL NGAT_PHUT
LJMP THOAT_PHIM1
;************************************************* ******
PHIM2:
JB P3.2,THOAT_TEST_PHIM
CALL NGAT_GIO
LJMP THOAT_PHIM2
;--------------------------------------
THOAT_PHIM1:
TT_KT1:
JNB P3.3,HIEN_THI_T1
LJMP THOAT_TEST_PHIM
HIEN_THI_T1:
CALL HIEN_THI
LJMP TT_KT1
THOAT_PHIM2:
TT_KT2:
JNB P3.2,HIEN_THI_T2
LJMP THOAT_TEST_PHIM
HIEN_THI_T2:
CALL HIEN_THI
LJMP TT_KT2
THOAT_TEST_PHIM:
RET
...............
................
...............

Comment