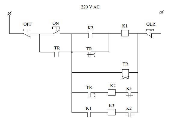
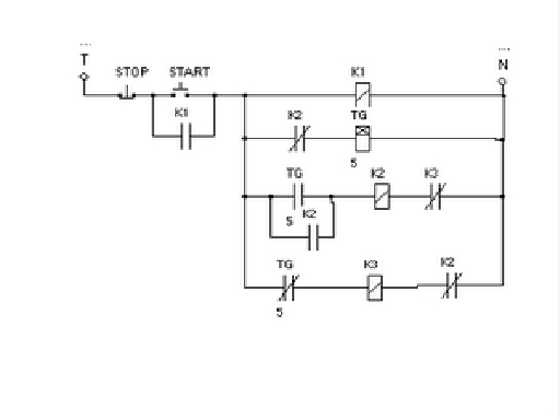
Hôm qua em có đấu khởi động sao - tam giác cho 1 động cơ có thông số như sau :
+ tamgiác/ sao : 380/660
+ công suất 22 kw
+ dòng điện 41.4/23.5 A
Em đấu xong chạy bằng điện lưới thì ok.Tuy nhiên khi em chuyển sang chạy điện máy phát có các thông số :
+ 220/380 V
+ 300/150 A
+125 kvA
thì khi chạy sao xong , chuyển sang tam giác thì không chạy được (đánh lửa tại các má tiếp điểm khởi động từ, đứt 1 dây chiếu sáng).
Mong các anh giúp đỡ
+ tamgiác/ sao : 380/660
+ công suất 22 kw
+ dòng điện 41.4/23.5 A
Em đấu xong chạy bằng điện lưới thì ok.Tuy nhiên khi em chuyển sang chạy điện máy phát có các thông số :
+ 220/380 V
+ 300/150 A
+125 kvA
thì khi chạy sao xong , chuyển sang tam giác thì không chạy được (đánh lửa tại các má tiếp điểm khởi động từ, đứt 1 dây chiếu sáng).
Mong các anh giúp đỡ

Comment