em có cả hai loại dung tl 494 và ka7500. nếu bác có thể thì cho cả hai càng tốt.em cũng tìm hiểu được một chút rồi nhưng mấy cái em đọc nó mang tính lý thuyết cao quá đọc không hiểu nổi vả lại trình độ tiêng anh cũng cao nữa nên.... mà không có cả từ điên chuyên ngành hix. thank bác đã quan tâm. hi vọng bác còn vào room này. mấy hôm vừa rồi em bận thi lại quá nên không vô được
Thông báo
Collapse
No announcement yet.
Biến áp xung !
Collapse
X
-
Đây là 2 sơ đố bộ nguồn AT và ATX thông dụng ,tương tự với các bộ nguồn trên thị trường ,có kèm theo sơ đồ hướng dẫn .
Bạn xem ,có gì góp ý thêm .Attached Files
Comment
-
Muốn chế biến lại nguồn ATX ,chúng ta phải tìm hiểu nguyên lý hoạt động của nó .Nguyên văn bởi ncb173 Xem bài viếtnhưng mấy cái em đọc nó mang tính lý thuyết cao quá đọc không hiểu nổi ...
Thanks http://www.pavouk.org/hw/en_atxps.html
đã giúp điều đó.
Ở đây tui edit lại để dễ nhìn ,tui sai chổ nào các bác chỉ dùm nghen ...
Hế hê ,đường xa có đi thì có tới (câu nầy tui cóp của bác ...)
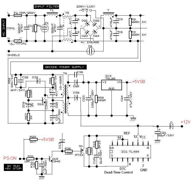
1-SECOND POWER SUPPLY
-Z1,Z2:varistor để bảo vệ khi AC input tăng cao quá (làm đứt cầu chì, có khi nổ )
-NTCR1:Thermistor giới hạn dòng điện nạp vào C5,C6
-R2,R3 :xã tu C5,C6 khi tắt điện .
-Khi bật điện ,C5 và C6 nạp đến khoãng 300VDC,mạch" second power supply " hoạt động,
có +5VSB đi vào mainboard làm mainboard turn on
D30 cấp nguồn cho IC1(TL494)-->Q3,Q4 dẫn
-->main power supply hoạt đông
-->+12V output cấp nguồn cho IC1
2-STAND-BY MODE
là khi tắt máy tính mà không tắt điện .
-->có +5VSB và IC1 được cấp nguồn qua D30
-->PS-ON nối với +5VSB bởi R23-->Q10 và Q1 dẫn
-->chân 14 của IC1 (Vref=5V) nối với chân 4 của IC1(DTC)
-->nguồn ở trạng thái standby
(thanks nhathung :có chuyên gia đây rồi ,nhìn là thấy ngay !
VCC của IC1 là chân 12 nha các bác )Last edited by nguyenmau; 01-09-2007, 05:06.
Comment
-
sao bác không post cả cái sơ đồ lên cho no dễ nói chuyện nhỉ?bác cho em hỏi mấy chỗ em đánh dấu nhé, nhân tiện cho em hỏi thêm mấy câu:
cuộn cao áp của biến áp chính sao lại quấn qua cái biến áp xung dùng để đóng mở mấy con switch?
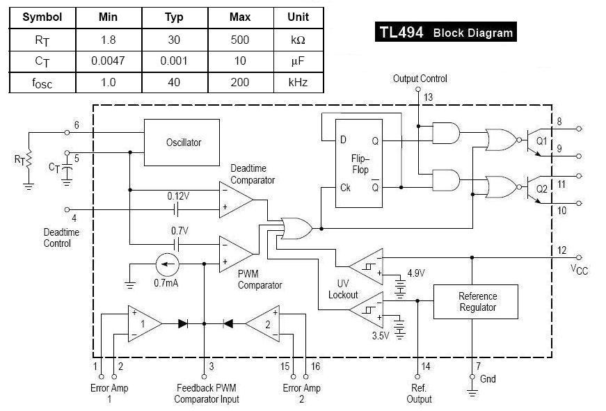
Con TL494 hình như được nuôi bởi nguồn 12volt?vậy khi chưa có Ura nó được nuôi bằng nguồn nào, có phải nó được nuôi bởi biến áp 5V VSB không? Theo mình nghĩ thì cái đường màu xanh ấy chỉ có 4-5 volt là cùng???
với mấy mạch nguồn bây giờ nó dùng thêm con opto nối với second tranformer
mà em nghĩ nó để điều khiển cái tranf đó, vậy thì nó lấy đâu ra nguồn để hoạt động nhỉ?
giải thích hộ nguyên lý của cái cụm to to mà mình đánh dấu, nó được nối với chân 4 DTC và cả chân 14 REF, không biết cái chân REF có tác dụng gì nhỉ? Có phải là để tạo điện áp chuẩn không? Và cho hỏi luôn nhé điện áp chuẩn được dùng như thế nào?
cảm ơn nhiều!
Comment
-
Khi bạn post reply, bạn sẽ soạn thảo nội dung trong 1 khung soạn thảo. Phía dưới khung đó sẽ có một số tùy chọn khác (nằm dưới các nút 'Gửi trả lời' và 'Xem trước'). Tùy chọn thứ hai là 'Gửi kèm file', bạn nhấn vào nút 'Tải file từ máy' để mở hộp thoại chọn file để upload lên diễn đàn. Tôi nghĩ từ điểm này bạn có thể tự mình làm tiếp.Nguyên văn bởi ncb173 Xem bài viếtquái quỉ! bác nào hướng dẫn em cách post hình lên cái
Thân,Biển học mênh mông, sức người có hạn
Comment
-
Mạch của Nguyenmau sai ở chân cấp nguồn! TL494 cấp nguồn ở chân 12. Chân 11 là Cout.Nguyên văn bởi nguyenmau Xem bài viếtMuốn chế biến lại nguồn ATX ,chúng ta phải tìm hiểu nguyên lý hoạt động của nó .
Thanks http://www.pavouk.org/hw/en_atxps.html
đã giúp điều đó.
Ở đây tui edit lại để dễ nhìn ,tui sai chổ nào các bác chỉ dùm nghen ...
Hế hê ,đường xa có đi thì có tới (câu nầy tui cóp của bác ...)
1-SECOND POWER SUPPLY
-Z1,Z2:varistor để bảo vệ khi AC input tăng cao quá (làm đứt cầu chì, có khi nổ )
-NTCR1:Thermistor giới hạn dòng điện nạp vào C5,C6
-R2,R3 :xã tu C5,C6 khi tắt điện .
-Khi bật điện ,C5 và C6 nạp đến khoãng 300VDC,mạch" second power supply " hoạt động,
có +5VSB đi vào mainboard làm mainboard turn on
D30 cấp điện cho IC1(TL494)-->Q3,Q4 chạy
-->main power supply hoạt đông
-->+12V output cấp nguồn cho IC1
2-STAND-BY MODE
là khi tắt máy tính mà không tắt điện .
-->có +5VSB và IC1 được cấp nguồn qua D30
-->PS-ON nối với +5VSB bởi R23-->Q10 và Q1 dẫn
-->chân 14 của IC1 (Vref=5V) nối với chân 4 của IC1(DTC)
-->nguồn ở trạng thái standby
Nguồn cấp cho TL494 từ 8V->40V. Tuy nhiên, để hoạt động từ 60KHz (thường thấy trong các nguồn ATX hiện nay) trở lên, nguồn cấp phải trên 15V.
To Namqn:
Em định đưa lên một số nguồn mà em đã thực hiện (sửa chữa, sản xuất) theo những linh kiện phổ thông trên thị trường. Nhưng chuối quá, em thiếu học nên những công thức em dịch theo kiểu EVTRAN... Có gì bác giúp em một tay nhé?Last edited by nhathung1101; 01-09-2007, 02:28.Đêm nay tớ không ngủ - ngày mai tớ ngủ bù
Comment
-
Nguồn ATX Chạy Như Thế Nào?
*Nguồn đang ở standby (bật điện ,quạt không quay)
-có +5VSB ,
-second power supply cấp nguồn cho IC1,
-PS-ON ở mức cao (+5V)
*Nối dây xanh lá cây xuống mass (PS-ON=0V)-->quạt quay-->nguồn chạy
-Khi PS-ON=0V thì Q10 tằt ,Q1 tắt
-tụ C15 nạp điện từ Vref của IC1 ,qua R15 và R17,làm cho điện thế chân 4 IC1 giảm dần về 0V
-->IC1 phát ra xung push-pull ở chân 8 và chân 11 -->nguồn chạy
*IC1 TL494 điều khiển nguổn như thế nào ?
Điện thế +12V và Điện thế +5V ở ngỏ ra hồi tiếp trở về để điều khiển .
-điện thế hồi tiếp đưa vào chân 1 ,ngỏ + của Error Amp 1 qua R25 , R26 , R20 , R21
-chân 2 ,ngỏ - của Error Amp 1 ,nối với 1/2 Vref qua R19 và R24
(Error Amp 2 không sử dụng )
-hình 2 -timing diagram cho thấy:
khi điện áp ra tăng thì IC1 giãm độ rộng xung ,
khi điện áp ra giãm thì IC1 tăng độ rộng xung phát ra ở chân 8 và chân 11.
* thứ cấp bién áp T2 có 3 cuộn dây
-hai cuộn dây đảo pha nhau kích Q1,Q2
-cuộn thứ ba nối với sơ cấp của T3 -->hồi tiếp dương cho hai cuộn dây đảo pha nhau kích Q1,Q2
-bién áp T2 còn để cách ly điện áp ra với AC inputLast edited by nguyenmau; 02-09-2007, 01:36.
Comment
-
-
muốn gửi hình thì còn 1 cách khác là : up lên host(hoặc website) trung gian.VD: www.webshot.com, photobucket.com, .... nhìu lắm
Up hình xong --> copy link hình do website cung cấp --> paste vào forum bằng công cụ "insert image"
Em xin hết
Comment
-
Các bác cứ post đại cách tính và cuốn biến áp cho một mạch nguồn cụ thể nào đó, anh em xem xong sẽ tự tìm cách tính cho nhu cầu riêng, cái gì thắc mắc lại hỏi. Chứ cứ như này thì... khó quá!
Theo em ta nên cuốn biến áp Flyback trước, dùng 3842 hoặc 34063, mạch dùng TL494 còn có cuộn lọc đầu ra cũng chuối không kém. Nên dùng với điện áp thấp, công suất nhỏ trước, chơi ngay điện lưới dễ nổ cháy đầu lắm, và rất hao $.
Ngoài chợ Trời có bán một số loại khung Ferrit chất lượng thì !!! nhưng có thể ta cứ dùng cho thống nhất. Các bác thấy sao???
Comment
Bài viết mới nhất
Collapse
-
bởi bqvietMạch cồng kềnh nhưng khá bài bản. Nếu tự làm để học thì cũng đáng để bắt tay nghịch chơi. Nếu chỉ cần sản phẩm thì các sàn thương mại điện tử có sẵn UPS DC này ra 5V hoặc 12V rất sẵn, chạy pin, giá cũng không đắt.
-
Channel: Điện tử sáng tạo
Hôm qua, 18:28 -
-
bởi mylinhattTrong vận hành thực tế, nhiều xưởng gia công gặp tình trạng máy phay CNC bắt đầu sai kích thước, bề mặt rung nhẹ hoặc phát sinh lỗi thay dao dù chương trình và dao cắt không thay đổi. Phần lớn các vấn đề này không xuất phát từ lập trình mà đến từ việc bảo dưỡng máy chưa được thực hiện đúng và đủ....
-
Channel: Máy công cụ
22-12-2025, 11:27 -
-
bởi ittcHì, em tính đi mua 1 cái máy Khoan và máy Mài (cắt), em đã chính thức gạt thằng BOSCH sang 1 bên vì giá cao hơn Dewalt và Makita, hơn nữa xem Cataloge của nó thì hàng ít model mẫu mã hơn.
Giá Dewalt và Makita thấy ngang ngửa nhau, thôi thì nhu...-
Channel: Điện tử gia dụng
22-12-2025, 07:20 -
-
bởi DaoVanTrongChào Anh Em. Nay em có tạo 1 sơ đồ mạch UPS sau, xin Ae cho ý kiến.
Và nếu biết sản phẩm này nếu có sẵn thì em xin link để mua (nếu giá phù hợp) thì em đỡ phải làm ạ, vì em tìm nhưng không thấy:
╔═══════════════════[ĐIỆN_LƯỚI_220V]════════════════╗...-
Channel: Điện tử sáng tạo
21-12-2025, 23:32 -
-
Trả lời cho Nên mua máy phay CNC cũ, máy mới phổ thông hay máy chất lượng cao? Góc nhìn từ bài toán sản xuất thực tếbởi nguyendinhvanNgày trước, khi KT đang tăng trưởng, một cái máy tự động cũ tầm trung, thì khoảng 5 năm là hoàn vốn. Nhưng hiện tại, mọi việc đều chậm trễ, cạnh tranh, nên theo các xếp tính thì phải hơn 10 năm làm việc ngon lành thì mới hoàn vốn....
-
Channel: Máy công cụ
20-12-2025, 20:23 -
-
Trả lời cho cách làm led Hao Quang.có pro nào biết k nhỉ ???bởi StatusHello! I'm from Kazakhstan. Can anyone share the HEX file with me? The download link in post 50 doesn't work.
-
Channel: Vi điều khiển họ 8051
18-12-2025, 00:05 -
-
bởi mylinhattChào anh em cơ khí,
Trong quá trình tư vấn đầu tư thiết bị cho xưởng, mình gặp rất nhiều câu hỏi kiểu: “Nên mua máy phay CNC cũ để tiết kiệm, chọn máy mới phổ thông cho yên tâm, hay cố gắng lên máy chất lượng cao để làm hàng khó?”. Thực tế, đây không phải câu hỏi chỉ về...-
Channel: Máy công cụ
17-12-2025, 13:38 -
-
Trả lời cho Vấn đề về tốc độ quaybởi nguyendinhvanSử dụng động cơ servor, hoặc lắp thêm một cái encoder vào động cơ bước. Encoder sẽ kiểm soát động cơ có quay hoặc đứng im.
-
Channel: Điện tử truyền hình
14-12-2025, 19:50 -

Comment