chào các bác trong diễn đàn
( trinh độ đủ dể sủa nguôn ATX mà nguồn tổ ong bi thua thi quá mất mặt cac bac phụ tí ạ)
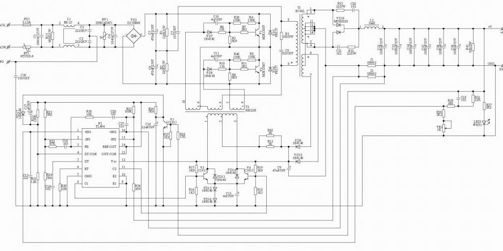
hình ảnh em nó như trên
vào vẫn đề luồn tình hình la thằng bạn làm quảng cáo đèn led có dua cho 2 cái tổ ong.
tôi đã kiển tra hết tranistor công xuất , ic dao động nó dùng con tl494 y trang nguồn atx noname và có name hề hề.
thằng tổ ong này nó không sài nguồn cấp trước cho mạch dao động như ATX .mà dùng chung biến áp với nguồn chính, nhưng quấn một cuộn riêng cho ra khoang 12v cấp cho mạch dao động.
nguyen lý thì tôi đoán sơ sơ thế này. khi cấp điện có dòng điện di qua trở mồi -> làm transito dẫn ( tran cs chính) dẫn -> có dòng điện đi ra thứ cấp( dòng diện này tồn tại rất ngắn) khi đã có điện thì ic giao động diều khiển hai transíto đóng ngắt _ thế là mạch chạy.
vẫn đề là tôi kiẻn tra khá kĩ rồi vãn chưa chạy các bac ạ?
bac nào co caokieenss gi không. co mạch cang tốt .
xim cảm ơn ạ
(
( trinh độ đủ dể sủa nguôn ATX mà nguồn tổ ong bi thua thi quá mất mặt cac bac phụ tí ạ)
hình ảnh em nó như trên
vào vẫn đề luồn tình hình la thằng bạn làm quảng cáo đèn led có dua cho 2 cái tổ ong.
tôi đã kiển tra hết tranistor công xuất , ic dao động nó dùng con tl494 y trang nguồn atx noname và có name hề hề.
thằng tổ ong này nó không sài nguồn cấp trước cho mạch dao động như ATX .mà dùng chung biến áp với nguồn chính, nhưng quấn một cuộn riêng cho ra khoang 12v cấp cho mạch dao động.
nguyen lý thì tôi đoán sơ sơ thế này. khi cấp điện có dòng điện di qua trở mồi -> làm transito dẫn ( tran cs chính) dẫn -> có dòng điện đi ra thứ cấp( dòng diện này tồn tại rất ngắn) khi đã có điện thì ic giao động diều khiển hai transíto đóng ngắt _ thế là mạch chạy.
vẫn đề là tôi kiẻn tra khá kĩ rồi vãn chưa chạy các bac ạ?
bac nào co caokieenss gi không. co mạch cang tốt .
xim cảm ơn ạ
(

Comment