Nguyên văn bởi Quocthaibmt
Xem bài viết
Thông báo
Collapse
No announcement yet.
Trợ giúp quấn máy bơm cá sấu thành 3 pha
Collapse
X
-
Đến hôm nay mình mới chợt nhớ ra cách đây gần 1 năm, có một khách đưa đến sửa cái máy bơm LX mà khi tháo ra thấy cách đấu dây lắt léo, sau đó mình thay đổi lại mối dây , nhưng không chạy được, để lại như cũ thì rất khó khởi động, nhìn kỹ mối dây và chiều quấn thì đúng là khác kiểu, thế là thêm cho cái tụ đề , rồi nó cũng chạy được, nhưng khó nhằn quá, thế là giao luôn cho khách, hẹn khi nào nó cháy thì quấn lại thôi, chắc là thợ trước đó quấn theo trường phái đó,nên mình nhìn không quen !Nguyên văn bởi vidoilathe Xem bài viếtnếu ko tin bác thử vẽ sơ đồ trải dây và đánh chiều dòng điện mà xem!
Comment
-
em thì chả hiểu sâu xa gì đâu.chỉ biết là anh động cơ ba phase thì các đầu dây phải cách nhau 120 độ điện,rồi có công thức quy ra cách nhau bao nhiêu rãnh.đối với động cơ 1 pha thì cách nhau 90 độ điện.dĩ nhiên nếu hạ dây đối nhau qua tâm động cơ thì hai đầu pha làm việc và khởi động mới cách đều nhau,hạ dây kiểu tự do như vậy số rãnh cách nhau không đều(dĩ nhiên dùng công thức tính ngược lại thì hai đầu hai pha sẽ không cách nhau 90 độ điện)dẫn đến nó khó khởi động đấy bác Thái ạ.đấy là suy nghĩ của em,chả biết đúng không ,các bác góp ý với ạ.em chả hiểu cao sâu lắm,chỉ biết dùng đột chặt béng dây cháy,làm khuôn quấn dây,hạ dây đấu nối cho nó chạy ve ve thôi ạ chứ nguyên nhân sâu xa thế nào thì em mù mờ lắm !Nguyên văn bởi Quocthaibmt Xem bài viếtĐến hôm nay mình mới chợt nhớ ra cách đây gần 1 năm, có một khách đưa đến sửa cái máy bơm LX mà khi tháo ra thấy cách đấu dây lắt léo, sau đó mình thay đổi lại mối dây , nhưng không chạy được, để lại như cũ thì rất khó khởi động, nhìn kỹ mối dây và chiều quấn thì đúng là khác kiểu, thế là thêm cho cái tụ đề , rồi nó cũng chạy được, nhưng khó nhằn quá, thế là giao luôn cho khách, hẹn khi nào nó cháy thì quấn lại thôi, chắc là thợ trước đó quấn theo trường phái đó,nên mình nhìn không quen !
Comment
-
đó là mình nói về cái máy 1 pha "kỳ lạ" thôi, còn 3 pha thì nó có kiểu riêng của nó, tùy theo mỗi người có cách quấn khác nhau về búi dây , kiểu lồng dây v.v, nhưng dĩ nhiên là phải đúng thì nó mới chạy được, còn suy nghĩ và lập luận vừa rồi của bạn chắc cũng đúng đó, vì hôm đó mình cũng chật vật với nó lắm , nhưng dây còn mới nên chủ máy không muốn bỏ, nên phải sửa. nói chung giỏi hay không thì mình cứ bản gốc mà làm là chắc ăn nhất, không phải mất thì giờ với những kiểu lạ .Nguyên văn bởi songpheo Xem bài viếtem thì chả hiểu sâu xa gì đâu.chỉ biết là anh động cơ ba phase thì các đầu dây phải cách nhau 120 độ điện,rồi có công thức quy ra cách nhau bao nhiêu rãnh.đối với động cơ 1 pha thì cách nhau 90 độ điện.dĩ nhiên nếu hạ dây đối nhau qua tâm động cơ thì hai đầu pha làm việc và khởi động mới cách đều nhau,hạ dây kiểu tự do như vậy số rãnh cách nhau không đều(dĩ nhiên dùng công thức tính ngược lại thì hai đầu hai pha sẽ không cách nhau 90 độ điện)dẫn đến nó khó khởi động đấy bác Thái ạ.đấy là suy nghĩ của em,chả biết đúng không ,các bác góp ý với ạ.em chả hiểu cao sâu lắm,chỉ biết dùng đột chặt béng dây cháy,làm khuôn quấn dây,hạ dây đấu nối cho nó chạy ve ve thôi ạ chứ nguyên nhân sâu xa thế nào thì em mù mờ lắm !
Comment
-
Sơ đồ này có 2p=4 sử dụng cho động cơ kéo chứ động cơ bơm nước có 2p=2 thì khác hơn nhiều. Bạn vẽ chiều từ trường thì thấy rõ liền.Nguyên văn bởi levantienanh Xem bài viếtÝ mình là nhờ cậu hướng dẫn cách đi dây vào máy bơm cá sấu và cách đấu dây 3 pha ấy,dẫu sao vẫn cám ơn cậu về ý kiến trên,về cách đi dây 1 pha mình biết rồi cậu ak,cậu có thể giúp mình sơ đồ quấn dây máy bơm cá sấu thành 3 pha được không,cách nói bối 2 bối dây 10-12 rãnh gì đó của bạn mình vẫn chưa hiểu lắm nếu có sơ đồ mình sẽ thực hành chạy thử xem sao
.chẳng hạn như sơ đồ mình post cậu [ATTACH=CONFIG]62296[/ATTACH]
Comment
-
ngày trước lúc tôi cũng thấy lạ và đặt câu hỏi tại sao.nhưng khi tôi vẽ chiều dòng điện thì thấy đúng và tôi đã thử làm nhiều lần và kiểm tra thấy rất binh thường.ko tin bác thử vẽ chiều dòng điện và thử nghiệm 1 con mà xem!Nguyên văn bởi Quocthaibmt Xem bài viếtđó là mình nói về cái máy 1 pha "kỳ lạ" thôi, còn 3 pha thì nó có kiểu riêng của nó, tùy theo mỗi người có cách quấn khác nhau về búi dây , kiểu lồng dây v.v, nhưng dĩ nhiên là phải đúng thì nó mới chạy được, còn suy nghĩ và lập luận vừa rồi của bạn chắc cũng đúng đó, vì hôm đó mình cũng chật vật với nó lắm , nhưng dây còn mới nên chủ máy không muốn bỏ, nên phải sửa. nói chung giỏi hay không thì mình cứ bản gốc mà làm là chắc ăn nhất, không phải mất thì giờ với những kiểu lạ .
tôi chỉ muốn góp ý những gì ma tôi đã biết với các bác thôi.các bác đừng nghĩ tôi cãi cùn!
Comment
-
Mình có nói gì đâu mà bác phải băn khoăn thế , cứ đúng thì nó chạy, còn quấn kiểu gì cũng được, điều này không có vấn đề gì cả bác à! mình thì cứ theo cách quấn mấy chục năm đã làm thì cứ thế mà làm thôi, bây giờ đâu còn thời gian đâu mà thử nữa, chẳng qua thấy có kiểu quấn và đấu dây lạ nên thắc mắc vậy thôi, Riêng mình thì lên diễn đàn không có dèm pha ai cả, phải thì bàn luận không thì thôi bác ơi, trừ những trường hợp quá đáng thì mới phê phán nhẹ nhàng thôi .Nguyên văn bởi vidoilathe Xem bài viếtngày trước lúc tôi cũng thấy lạ và đặt câu hỏi tại sao.nhưng khi tôi vẽ chiều dòng điện thì thấy đúng và tôi đã thử làm nhiều lần và kiểm tra thấy rất binh thường.ko tin bác thử vẽ chiều dòng điện và thử nghiệm 1 con mà xem!
tôi chỉ muốn góp ý những gì ma tôi đã biết với các bác thôi.các bác đừng nghĩ tôi cãi cùn!
Comment
-
chào các bác trên diễn đàn em dân quấn động cơ tuy không học lâu nhưng cũng biết đôi chút về cách quấn đọng cơ 3 pha em sin góp đôi lời các bác tham khảo. kinh nhiệm thầy giáo truyền lại kkhi quấn truyển điện áp 220 lên 380 thì số vòng (cuộn dây làm việc của đông cơ 1 pha . ví dụ , bơm cá sấu , tổng số vòng làm việc là 300v thì số vòng khi quấn lên 3pha vẫn là 300v trên 1pha , còn cỡ dây tính toán làm sao vào hết là được ,còn cách dấu dây với động cơ 2 cực thì làm sao cho đầu đầu hoặc đàu cuối chụm vào nhau thành tam giáp cân là được ,3 đầu còn lại là dây điện vào.
Comment
-
[QUOTE=levantienanh;688395]Giá như ở gần mấy cậu bái sư học nghệ thì tốt biết mấy
,đi học người ta họ toàn giấu nghề không,làm cho lòi con mắt mới học được đôi chút...mấy cậu có ai có số liệu của các máy bơm quấn thật chuẩn tốc độ hút mạnh không,ăn rồi quấn cho người ta được 2-3 tháng lại cháy thấy có lỗi quá
.
thật ra phải nói thế này:nếu là máy bơm của các công ty có tiếng:wilo,hanil,sena,selen,pedrollo...thì số liệu o rơ din là số liệu tốt nhất rồi,kể cả các máy trung quốc có tiếng như cá sấu,bảo long cũng vậy.mình pải tôn trọng số liệu gốc tháo ra thế nào thì quấn lại y nguyên.trừ những dòng máy nhái bán lừa khách thì khi quấn lại mìn phải điều chỉnh số liệu để nó tốt hơn(trong giói hạn) nhưng phải mặc cả với khách là nó được thế thôi vì là máy đểu hàng nhái mà.một điểm chú ý để khỏi bị đền tiền oan là phải hỏi rõ hoàn cảnh cháy của máy từ khách để phân tích tìm ra nguyên nhân cháy:điện áp,tải,tụ,bi,vị trí kê,...nhằm hóa giải riệt để nguyên nhân .máy quấn xong chưa được dăm bữa đã cháy lại là do mình chưa tìm hiểu hết nguyên nhân của nó đấy.chú ý phải ghi lại số liệu gốc các máy nhé.lỡ có máy phổ thông do ông thợ quấn nào quấn ăn cắp dây thì sao,mình phải có số liệu gốc để so sánh chứ.rồi khâu hạ dây nữa,phải bình tĩnh,hạ khéo léo tránh xây xước thì mới loại trừ được nguyên nhân chập cháy do mình gây ra
hihi ,vài lời nhắn cùng bạn,cứ tự tin lên!
Comment
-
cậu nói "những dòng máy nhái bán lừa khách thì khi quấn lại mình phải điều chỉnh số liệu để nó tốt hơn"nhưng mình có số liệu gốc sao quấn
.bởi vì mình thấy nhiều máy bơm y đúc nhau nhưng kiếu quấn lại khác nhau,có khi quấn cuộn đề 2 tổ bối bối 2,cuộn chạy 2 tổ bối bối 4,hình như quấn theo kiểu mẹ con cuộn đề cuộc chạy 2 tổi bối bối 5 thì tốt hơn phải không cậu.
Comment
-
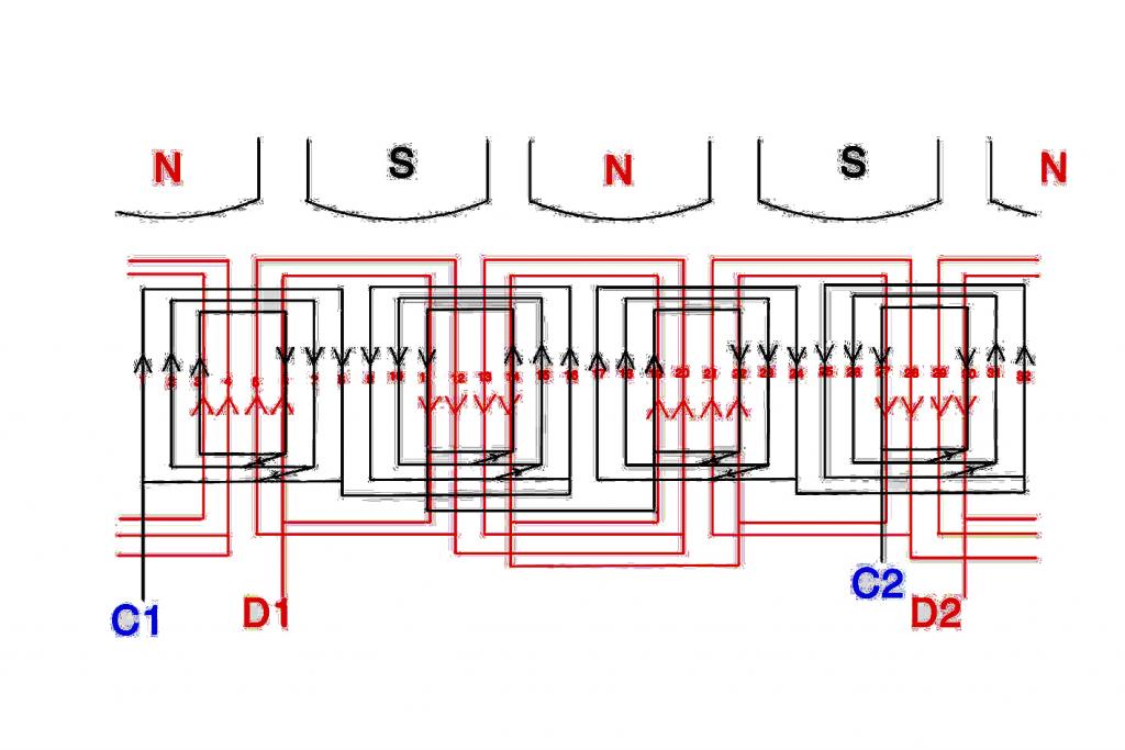
Có 2 cách bố trí dây quấn giữa cuộn đề và cuộn chạy :Nguyên văn bởi levantienanh Xem bài viếtcậu nói "những dòng máy nhái bán lừa khách thì khi quấn lại mình phải điều chỉnh số liệu để nó tốt hơn"nhưng mình có số liệu gốc sao quấn
.bởi vì mình thấy nhiều máy bơm y đúc nhau nhưng kiếu quấn lại khác nhau,có khi quấn cuộn đề 2 tổ bối bối 2,cuộn chạy 2 tổ bối bối 4,hình như quấn theo kiểu mẹ con cuộn đề cuộc chạy 2 tổi bối bối 5 thì tốt hơn phải không cậu.
- Cách 1 : Cuộn đề và cuộn chạy được quấn trên rảnh cách biệt nhau . Cuộn đề và chạy cách nhau 180 độ điện.
- Cách 2 : Cuộn đề và cuộn chạy được bố trí theo kiểu dây quấn hình sin. Trong lối quấn này thì sẽ có những rảnh cuộn đề và chạy nằm chồng lên nhau. Lối quấn này dùng để khử từ trường bậc cao.
Tùy theo ý đồ của nhà sản xuất mà có thể chọn cách 1 hoặc cách 2.
Đối với người thợ quấn dây thì có thể lấy đúng sơ đồ của nhà sản xuất hay quấn theo cách của mình cũng được miễn là phải biết cách tính số vòng dây quấn và biết cách bố trí dây quấn . Có thể tham khảo thêm quyển Một số kinh nghiệm về việc quấn dây động cơ điện 1 pha của GS Trần Khánh Hà.
Dưới dây là hình ảnh minh họa sơ đồ 2 kiểu quấn nói trên.
Last edited by quanghien54; 21-03-2013, 12:20.
Comment
-
tại tôi sợ bác nghĩ thế thôi!Nguyên văn bởi Quocthaibmt Xem bài viếtMình có nói gì đâu mà bác phải băn khoăn thế , cứ đúng thì nó chạy, còn quấn kiểu gì cũng được, điều này không có vấn đề gì cả bác à! mình thì cứ theo cách quấn mấy chục năm đã làm thì cứ thế mà làm thôi, bây giờ đâu còn thời gian đâu mà thử nữa, chẳng qua thấy có kiểu quấn và đấu dây lạ nên thắc mắc vậy thôi, Riêng mình thì lên diễn đàn không có dèm pha ai cả, phải thì bàn luận không thì thôi bác ơi, trừ những trường hợp quá đáng thì mới phê phán nhẹ nhàng thôi .
Comment
-
''Đối với người thợ quấn dây thì có thể lấy đúng sơ đồ của nhà sản xuất hay quấn theo cách của mình cũng được miễn là phải biết cách tính số vòng dây quấn và biết cách bố trí dây quấn''kiểu này mà người ta đưa 1 moto không thông số chỉ còn lại cái xác chắc mình tiêu quá,cách tính số vòng dây khó không các bạn có ai bày mình với...
Comment
-
Nếu trình bày đầy đủ thì trong phạm vi diễn đàn này không đủ chỗ. Bạn hãy đọc kỹ các giáo trình về máy điện phần cách tính số vòng dây , chỗ nào không hiểu thì hỏi chứ làm sao giải thích hết được nếu trong đầu của bạn chưa có các ý niệm nào về các thông số của nó như bước cực, diện tích cực từ, bước dây quấn, tỉ số bước ngắn, hệ số quấn rãi.....Nguyên văn bởi levantienanh Xem bài viết''Đối với người thợ quấn dây thì có thể lấy đúng sơ đồ của nhà sản xuất hay quấn theo cách của mình cũng được miễn là phải biết cách tính số vòng dây quấn và biết cách bố trí dây quấn''kiểu này mà người ta đưa 1 moto không thông số chỉ còn lại cái xác chắc mình tiêu quá,cách tính số vòng dây khó không các bạn có ai bày mình với...
Nếu nắm vững các thộng số này cộng thêm kinh nghiệm thì bất cứ động cơ nào dầu chỉ còn có lỏi sắt cũng có thể phục hồi lại gần giống như nguyên trạng được.
Thân chào.
Comment
Bài viết mới nhất
Collapse
-
Trả lời cho Nên mua máy phay CNC cũ, máy mới phổ thông hay máy chất lượng cao? Góc nhìn từ bài toán sản xuất thực tếbởi nguyendinhvanNgày trước, khi KT đang tăng trưởng, một cái máy tự động cũ tầm trung, thì khoảng 5 năm là hoàn vốn. Nhưng hiện tại, mọi việc đều chậm trễ, cạnh tranh, nên theo các xếp tính thì phải hơn 10 năm làm việc ngon lành thì mới hoàn vốn....
-
Channel: Máy công cụ
hôm nay, 20:23 -
-
Trả lời cho cách làm led Hao Quang.có pro nào biết k nhỉ ???bởi StatusHello! I'm from Kazakhstan. Can anyone share the HEX file with me? The download link in post 50 doesn't work.
-
Channel: Vi điều khiển họ 8051
18-12-2025, 00:05 -
-
bởi mylinhattChào anh em cơ khí,
Trong quá trình tư vấn đầu tư thiết bị cho xưởng, mình gặp rất nhiều câu hỏi kiểu: “Nên mua máy phay CNC cũ để tiết kiệm, chọn máy mới phổ thông cho yên tâm, hay cố gắng lên máy chất lượng cao để làm hàng khó?”. Thực tế, đây không phải câu hỏi chỉ về...-
Channel: Máy công cụ
17-12-2025, 13:38 -
-
Trả lời cho Vấn đề về tốc độ quaybởi nguyendinhvanSử dụng động cơ servor, hoặc lắp thêm một cái encoder vào động cơ bước. Encoder sẽ kiểm soát động cơ có quay hoặc đứng im.
-
Channel: Điện tử truyền hình
14-12-2025, 19:50 -
-
bởi Andrea14Chào mọi người,
Tôi muốn mô phỏng sự thay đổi các mùa bằng cách từ từ nghiêng một quả địa cầu 16 inch bằng một động cơ bước nhỏ. Một động cơ bước khác sẽ quay quả địa cầu theo thời gian thực. Hệ thống truyền động...-
Channel: Điện tử truyền hình
12-12-2025, 12:42 -

Comment