Bác nào có nhớ toshiba 40av700 cho em xin với 24c64 em xin cảm ơn nhiều !
Thông báo
Collapse
No announcement yet.
CODE/ROM TIVI . Tập hợp các vần đề về rom màn hình màu .
Collapse
This is a sticky topic.
X
X
-
kiểm tra cao áp lại xem.thay cục khác đi để loại trừNguyên văn bởi dinhvanquy09 Xem bài viếtquoc thien ơi vẫn không tiến triển.có lẽ nó còn lỗi phần khác .mình nghĩ nhiều fw chuẩn mà không chạy,thì còn lỗi ở đâu đó.mệt quá tạm gác lại đã.cảm ơn tất cả các pác đã nhiệt tình giúp đõ.
DĐ:-
Email:
Comment
-
em đã lấy cao áp zin từ máy đang chạy đóng thử vẫn không được bác à.thanksNguyên văn bởi thanhhai1127 Xem bài viếtkiểm tra cao áp lại xem.thay cục khác đi để loại trừ
Comment
-
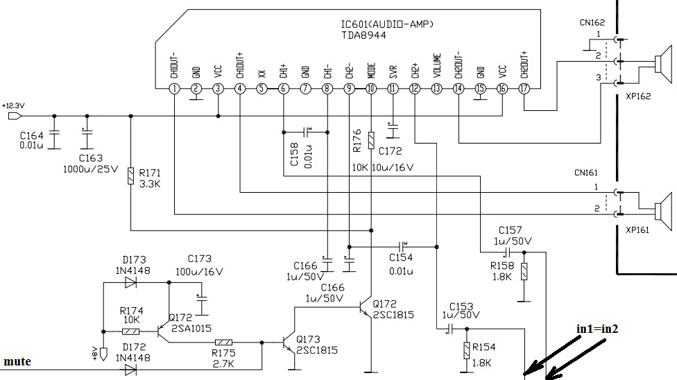
bác dò từ chân 10 của ic 8944 có 2 transitor bác hút chân c transitor thứ 2 okNguyên văn bởi vantienbt Xem bài viếthappy new year!!!
xin các huynh giúp đỡ pan này.
tivi samsung cs 17m16mg(L),nhớ 24c08,ic tiếng tda 8944,ic giải mã mất số rồi./. có thể là tda 9361,hoặc 9381,không bíêt nữa.pan của máy là mất tiếng.kiểm tra thì có 1 loa bị chạm.thay loa vào vẫn không có tiếng.hình ảnh bình thường,e đã thay ic tiếng rồi vẫn không hiệu wả gì,nguồn tốt.mất tiếng bên tivi và video luôn./. ai gặp wa pan này rồi xin giúp đỡ e với./.
huynh nào có fw tivi này thì làm ơn cho e xin luôn./.
cảm ơn các huynh nhiều lắm./.ĐIÊN TỬ QUỐC THIỆN
Comment
-
fai nầy là đúng như ý của bác luôn okNguyên văn bởi dinhvanquy09 Xem bài viếtem đã lấy cao áp zin từ máy đang chạy đóng thử vẫn không được bác à.thanksAttached FilesĐIÊN TỬ QUỐC THIỆN
Comment
-
bác thai tụ lộc đường 180v và tụ G2 XEMNguyên văn bởi soccamau Xem bài viếtcó ai giup minh không ti vi panasonic TC-21L3R HÁT TỐT nhưng hình bi lang ben .âm hình như ma vậy xin anh em giup cám ơnĐIÊN TỬ QUỐC THIỆN
Comment
-
thử các fw này xemNguyên văn bởi vungtau_tv Xem bài viếtBác nào có fw tivi Darling CTV-14K11AC(10) vi xử lý LC863328B 53J5 Tổng LA76810A nhớ 24C04 Cho em xin với, em đã nạp rất nhiều file vi xử lý đuôi chữ A máy chạy ok nhưng tuner VL-VH-U nó lộn tùng phèo ko đúng thứ tự! Em cảm ơn nhiều lắm.
- 1 like
Comment
-
Em vào mục TUN. TYPE chỉnh lại trả khách rồi. Thanks bác nhiều lắm...Nguyên văn bởi anhnamdinh1 Xem bài viếtthử các fw này xem
Giống như con thiêu thân lao vào trò vui thế gian!!!
Comment
-
cảm ơn a nhiều nhe!!!Nguyên văn bởi quoc thien Xem bài viếtbác dò từ chân 10 của ic 8944 có 2 transitor bác hút chân c transitor thứ 2 ok
hút chân c tranistor ra máy có tiếng ok rồi!!!
đúng là cao thủ!!!!
happy new year!!!!
buổi tối vui vẻ nha huynh!!!
Comment
-
ae ơi , mình có tivi panasonic tc-21FG20V , chạy 2 con ic dán tda9541h và msp3460gp ,hiện tượng là mở máy lên khi ko cắm anten thi màn hình sáng bình thường ,nguồn tốt ,có hột ,nhưng khi gắn anten vào có đài thì hình ảnh bị lem màu rất xấu ,2 bên màn hình co lại chóp chóp liên tục nguồn lên xuống từ 100v tới 125v ,ae nào gặp pan này rồi làm ơn giúp mình vớiTứ Hải Giai Huynh Đệ
Comment
-
thay con SE130 hoặc SE140 đi.nguồn B+ chạy bao nhiệu vậy bạnNguyên văn bởi satkhi Xem bài viếtae ơi , mình có tivi panasonic tc-21FG20V , chạy 2 con ic dán tda9541h và msp3460gp ,hiện tượng là mở máy lên khi ko cắm anten thi màn hình sáng bình thường ,nguồn tốt ,có hột ,nhưng khi gắn anten vào có đài thì hình ảnh bị lem màu rất xấu ,2 bên màn hình co lại chóp chóp liên tục nguồn lên xuống từ 100v tới 125v ,ae nào gặp pan này rồi làm ơn giúp mình với
DĐ:-
Email:
Comment
-
ko ai giúp e hảNguyên văn bởi damxoviet Xem bài viếtae ai có fw rio model-555 mã mo wld909u_8d1 ko cho em xin với
Comment
Bài viết mới nhất
Collapse
-
Trả lời cho Nên mua máy phay CNC cũ, máy mới phổ thông hay máy chất lượng cao? Góc nhìn từ bài toán sản xuất thực tếbởi nguyendinhvanNgày trước, khi KT đang tăng trưởng, một cái máy tự động cũ tầm trung, thì khoảng 5 năm là hoàn vốn. Nhưng hiện tại, mọi việc đều chậm trễ, cạnh tranh, nên theo các xếp tính thì phải hơn 10 năm làm việc ngon lành thì mới hoàn vốn....
-
Channel: Máy công cụ
Hôm qua, 20:23 -
-
Trả lời cho cách làm led Hao Quang.có pro nào biết k nhỉ ???bởi StatusHello! I'm from Kazakhstan. Can anyone share the HEX file with me? The download link in post 50 doesn't work.
-
Channel: Vi điều khiển họ 8051
18-12-2025, 00:05 -
-
bởi mylinhattChào anh em cơ khí,
Trong quá trình tư vấn đầu tư thiết bị cho xưởng, mình gặp rất nhiều câu hỏi kiểu: “Nên mua máy phay CNC cũ để tiết kiệm, chọn máy mới phổ thông cho yên tâm, hay cố gắng lên máy chất lượng cao để làm hàng khó?”. Thực tế, đây không phải câu hỏi chỉ về...-
Channel: Máy công cụ
17-12-2025, 13:38 -
-
Trả lời cho Vấn đề về tốc độ quaybởi nguyendinhvanSử dụng động cơ servor, hoặc lắp thêm một cái encoder vào động cơ bước. Encoder sẽ kiểm soát động cơ có quay hoặc đứng im.
-
Channel: Điện tử truyền hình
14-12-2025, 19:50 -
-
bởi Andrea14Chào mọi người,
Tôi muốn mô phỏng sự thay đổi các mùa bằng cách từ từ nghiêng một quả địa cầu 16 inch bằng một động cơ bước nhỏ. Một động cơ bước khác sẽ quay quả địa cầu theo thời gian thực. Hệ thống truyền động...-
Channel: Điện tử truyền hình
12-12-2025, 12:42 -

Comment