các anh chị xem giúp em với em có làm theo cái mạch này.được cái là mạch không ù nghe ngon.chỉ mỗi cái là kêu nhỏ quá,em vặn hết volume lên mà kéo cái loa vi tính bé bé mà nghe không to.em thấy nó không đủ 14w thì phải. em ráp theo mạch này
Thông báo
Collapse
No announcement yet.
mạch tda2030 kêu rất nhỏ
Collapse
X
-
Công suất đó tính theo điều kiện sử dụng phần pre có mức ra 1 volt AC , nếu không sử dụng pre thì nguồn tín hiệu phải lấy ở ngỏ ra cho headphone mới ra đủ công suất chứ còn lấy ở ngỏ ra line out đầu dvd hay cd thì nghe nhỏ xíu à , vinhpkc lấy tín hiệu vào từ đâu ? .
-
Chỉnh lại volume của máy tính cho to nhất chưa đã ? Mỗi lần cắm jac vô là máy tính nó tự giảm âm lượng nhỏ hẳn đi đó !Nguyên văn bởi vinhpkc Xem bài viếtcác anh chị xem giúp em với em có làm theo cái mạch này.được cái là mạch không ù nghe ngon.chỉ mỗi cái là kêu nhỏ quá,em vặn hết volume lên mà kéo cái loa vi tính bé bé mà nghe không to.em thấy nó không đủ 14w thì phải. em ráp theo mạch này
Comment
-
Thanh các anh chị nhé.em đã bỏ luôn cái mạch ý và lắp theo database của nó và kết quả là Ok và OK hết.
có bác nào cho em xin cái sơ đồ mạch siêu trầm dùng JRC 4558 không cho em xin với.Dùng nguồn đơn càng tốt
em có lắp theo mạch này nhưng kết quả là tiếng ra quá nhỏ.và không có tiếng bass.
bác nào có cái mạch nào khả thi hơn cho em xin được không.em đang tính làm con 2.1 em đã test mạch TDA 2030 rùi và đã làm 3 cái.2 cái 2 loa,còn 1 cái tính làm cái mạch loa trầm mà chưa làm được mạch.
help me...............
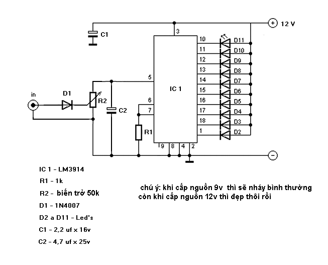
em có cái mạch VUmeter này đẹp lắm bác nào thích thi làm theo mạch này nhé dùng LM 3914 hoặc 3915 đảm bảo các bác lắp song chắc chỉ thích đứng nhìn thôi hi hi
Last edited by vinhpkc; 08-03-2013, 21:33.thích tự chế hệ thống âm thanh ............. hehe
Comment
-
hix..............
thank bác vì đã quan tâm.. nhưng khổ nỗi em mà tính toán được thì đã không phải nói.
em chỉ biết xem sơ đồ rùi ráp theo thôi....bác nào nhiệt tình cho em xin cái mạch siêu trầm dùng JRC 4558 nhé.
thích tự chế hệ thống âm thanh ............. hehe
Comment
Bài viết mới nhất
Collapse
-
bởi mylinhattTrong vận hành thực tế, nhiều xưởng gia công gặp tình trạng máy phay CNC bắt đầu sai kích thước, bề mặt rung nhẹ hoặc phát sinh lỗi thay dao dù chương trình và dao cắt không thay đổi. Phần lớn các vấn đề này không xuất phát từ lập trình mà đến từ việc bảo dưỡng máy chưa được thực hiện đúng và đủ....
-
Channel: Máy công cụ
hôm nay, 11:27 -
-
bởi ittcHì, em tính đi mua 1 cái máy Khoan và máy Mài (cắt), em đã chính thức gạt thằng BOSCH sang 1 bên vì giá cao hơn Dewalt và Makita, hơn nữa xem Cataloge của nó thì hàng ít model mẫu mã hơn.
Giá Dewalt và Makita thấy ngang ngửa nhau, thôi thì nhu...-
Channel: Điện tử gia dụng
hôm nay, 07:20 -
-
bởi DaoVanTrongChào Anh Em. Nay em có tạo 1 sơ đồ mạch UPS sau, xin Ae cho ý kiến.
Và nếu biết sản phẩm này nếu có sẵn thì em xin link để mua (nếu giá phù hợp) thì em đỡ phải làm ạ, vì em tìm nhưng không thấy:
╔═══════════════════[ĐIỆN_LƯỚI_220V]════════════════╗...-
Channel: Điện tử sáng tạo
Hôm qua, 23:32 -
-
Trả lời cho Nên mua máy phay CNC cũ, máy mới phổ thông hay máy chất lượng cao? Góc nhìn từ bài toán sản xuất thực tếbởi nguyendinhvanNgày trước, khi KT đang tăng trưởng, một cái máy tự động cũ tầm trung, thì khoảng 5 năm là hoàn vốn. Nhưng hiện tại, mọi việc đều chậm trễ, cạnh tranh, nên theo các xếp tính thì phải hơn 10 năm làm việc ngon lành thì mới hoàn vốn....
-
Channel: Máy công cụ
20-12-2025, 20:23 -
-
Trả lời cho cách làm led Hao Quang.có pro nào biết k nhỉ ???bởi StatusHello! I'm from Kazakhstan. Can anyone share the HEX file with me? The download link in post 50 doesn't work.
-
Channel: Vi điều khiển họ 8051
18-12-2025, 00:05 -
-
bởi mylinhattChào anh em cơ khí,
Trong quá trình tư vấn đầu tư thiết bị cho xưởng, mình gặp rất nhiều câu hỏi kiểu: “Nên mua máy phay CNC cũ để tiết kiệm, chọn máy mới phổ thông cho yên tâm, hay cố gắng lên máy chất lượng cao để làm hàng khó?”. Thực tế, đây không phải câu hỏi chỉ về...-
Channel: Máy công cụ
17-12-2025, 13:38 -
-
Trả lời cho Vấn đề về tốc độ quaybởi nguyendinhvanSử dụng động cơ servor, hoặc lắp thêm một cái encoder vào động cơ bước. Encoder sẽ kiểm soát động cơ có quay hoặc đứng im.
-
Channel: Điện tử truyền hình
14-12-2025, 19:50 -


Comment