Số là em mới kiếm ra cặp VU meter của đầu ghi-phát băng cũ (không còn bo), em dự định làm mạch để cho nó thành VU của ampli.
Em đã search "analog VU meter site:dientuvietnam.net" hoặc "VU kim site:dientuvietnam.net"nhưng chưa thấy có bài nào hướng dẫn.
Vậy anh chị nào có mạch dùng được cho VU analog (kim ) này thì cho em xin với , hoặc hướng dẫn làm cũng được ạ.
----
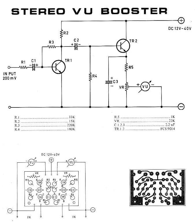
Em có thử tìm trên mạng và làm mạch như hình dưới, nhưng kết quả không như mong đợi vì kim giật không theo nhịp nhạc mà nhanh chậm rất thất thường và rất "hỗn".
Cảm ơn các bác đã xem .
Em đã search "analog VU meter site:dientuvietnam.net" hoặc "VU kim site:dientuvietnam.net"nhưng chưa thấy có bài nào hướng dẫn.
Vậy anh chị nào có mạch dùng được cho VU analog (kim ) này thì cho em xin với , hoặc hướng dẫn làm cũng được ạ.
----
Em có thử tìm trên mạng và làm mạch như hình dưới, nhưng kết quả không như mong đợi vì kim giật không theo nhịp nhạc mà nhanh chậm rất thất thường và rất "hỗn".
Cảm ơn các bác đã xem .


Comment