Thông báo

Collapse
No announcement yet.

mạch dao động thạch anh

Collapse
X
 
  • Lọc
  • Giờ
  • Show
Clear All
new posts

  • mạch dao động thạch anh



    anh chị nào giải thích dùm em cái mạch đây với
    nó tạo ra sóng sin hay sóng vuông vậy?

  • #2
    1 thạch anh và 1 Transistor sao có xung vuông được bạn.

    Comment


    • #3
      Nguyên văn bởi mondeo007 Xem bài viết


      anh chị nào giải thích dùm em cái mạch đây với
      nó tạo ra sóng sin hay sóng vuông vậy?
      chẳng cần thạch anh thì mạch vẫn có dao động

      Comment


      • #4
        Nguyên văn bởi huuphuong Xem bài viết
        chẳng cần thạch anh thì mạch vẫn có dao động
        . Không có thạch anh thì nó dao động kiểu gì nhỉ ?
        Thất nghiệp :(

        Comment


        • #5
          Nguyên văn bởi fireman Xem bài viết
          . Không có thạch anh thì nó dao động kiểu gì nhỉ ?
          Dao động do hồi tiếp. Nhưn mạch này thì không vì nó có hồi tiếp âm. Chỉ có hồi tiếp dương mới có dao động.

          Comment


          • #6
            Nguyên văn bởi duong_act Xem bài viết
            Dao động do hồi tiếp. Nhưn mạch này thì không vì nó có hồi tiếp âm. Chỉ có hồi tiếp dương mới có dao động.
            ai chẳng biết thế. nhưng bác huuphuong nói cái mạch trên không cẫn thạch anh vẫn dao động đc cơ mà ?
            Thất nghiệp :(

            Comment


            • #7
              Nguyên văn bởi mondeo007 Xem bài viết


              anh chị nào giải thích dùm em cái mạch đây với
              nó tạo ra sóng sin hay sóng vuông vậy?
              Đây là mạch dao động Pierce (Oscillator) không cần cộng hưởng ngõ ra, thạch anh xem như cuộn dây có Q cao phối hợp với tụ ký sinh và C5, C33 thành mạch cộng hưởng nối tiếp nên mạch bảo đảm xoay pha 180° .
              Dao động trên cho ra sóng sin.
              Last edited by muaban; 19-10-2009, 22:36.

              SKYPE NICK: anhtungdx

              Comment


              • #8
                Nguyên văn bởi mondeo007 Xem bài viết


                anh chị nào giải thích dùm em cái mạch đây với
                nó tạo ra sóng sin hay sóng vuông vậy?
                thông số của trans là bao nhiêu vậy bạn
                [๑۩۞۩๑][♥๑۩۞۩๑] (¯`•♥(A-Ma-Tơ)♥•´¯) [๑۩۞۩๑][♥๑۩۞۩๑]

                Comment


                • #9
                  Q1 phải dùng transistor có tần số cắt càng cao càng tốt, ví dụ C535.
                  Nhưng với sơ đồ này, tôi nghi ngờ chẳng có tín hiệu ra được đâu.
                  Bạn nên lắp mạch B chung, mạch dao động ổn định hơn nhiều so với mạch E chung.
                  Chưa đỗ tú tài, nên vẫn còn phải đi học.

                  Comment


                  • #10
                    Nguyên văn bởi HTTTTH Xem bài viết
                    Q1 phải dùng transistor có tần số cắt càng cao càng tốt, ví dụ C535.
                    Nhưng với sơ đồ này, tôi nghi ngờ chẳng có tín hiệu ra được đâu.
                    Bạn nên lắp mạch B chung, mạch dao động ổn định hơn nhiều so với mạch E chung.
                    Giải thích tại sao không có tín hiệu ra đi HTTTTH!

                    SKYPE NICK: anhtungdx

                    Comment


                    • #11
                      Với tần số > 9MHz, có C11 = 330p mắc ở B rồi, (Zc ~ 590 Ôm ở tần số 9M) trong khi tụ nối tiếp với thạch anh chỉ có 10p// trimer < 40pF, tín hiệu nào để hồi tiếp nữa.
                      Chưa đỗ tú tài, nên vẫn còn phải đi học.

                      Comment


                      • #12
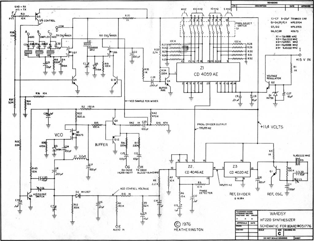
                        C11, C3, trim. C5 phối hợp chỉnh pha dao động 180 degree.
                        Sơ đồ chính của nó đây:
                        Click image for larger version

Name:	synthesizer1.jpg
Views:	1
Size:	125.0 KB
ID:	1364918

                        Pierce oscillator

                        SKYPE NICK: anhtungdx

                        Comment


                        • #13
                          C11, C3, trim. C5 phối hợp chỉnh pha dao động 180 degree.
                          Sơ đồ chính của nó đây:
                          Click image for larger version

Name:	synthesizer1.jpg
Views:	1
Size:	125.0 KB
ID:	1364918

                          Pierce oscillator

                          Understanding the basics of the Pierce oscillator

                          Pierce-Gate Crystal Oscillator, an introduction - Crystek

                          Oscillator design guide - STMicroelectronics

                          Crystal Oscillator
                          Last edited by muaban; 10-08-2012, 17:26.

                          SKYPE NICK: anhtungdx

                          Comment

                          Về tác giả

                          Collapse

                          mondeo007 Tìm hiểu thêm về mondeo007

                          Bài viết mới nhất

                          Collapse

                          Đang tải...
                          X