Chào bác queduong và anh em,
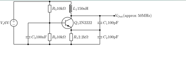
Em đang làm đồ án về mạch RF phát 30Mhz, mạch dao động là Colpitts, em tìm trên wikipedia được cái mạch này để bắt đầu tìm hiểu, nhưng vấn đề của em là cái NPN em ko bik được thông số (phần mềm mô phỏng do trường đưa)
Theo như mạch thì fout = 50Mhz, em chạy ra cũng dc tầm 56Mhz, nhưng em ko thắc mắc cái này, cái em cần là tại sao áp ra quá thấp. Theo như em đo là thì chỉ có 6.4uVx2(p-p). Em đổi R2 lên 15K thì áp ra tăng lên dc 9.5 uV. Em muốn hỏi làm thế nào để có thể chỉnh dc áp ra như mình mong muốn( ví dụ em muốn tầm 1V(p-p)) thì làm sao?
Kiến thức của em về hoạt động NPN ko dc vững cho lắm, có người bảo em giảm Re, em cũng thử giảm Re còn 1.5K thì áp tăng dc lên 23.04uV. Nhưng em ko hiểu tại sao lại dc như thế
Mạch thứ 2 dùng FET, em cũng có cùng thắc mắc, áp ra cũng cực kỳ thấp. Vdd =3V, Vbias =1.5V. Áp ra 670 nV. Em thử chỉnh Vbias nhưng ko có nhiều thay đổi, khi em tăng Idc lên 10mA, thì áp ra lên dc 5V( nhưng dạng sóng ra méo mó). em cũng chỉ cần áp ra 1V là ok.
Bác có thể giải thích đôi chút về hoạt động của mạch dùm em dc ko, hoặc có tài liệu gì cho em đọc thể hiểu thêm. Em rối quá, đọc 2 tuần rồi mà thua, nên mới lên hỏi
Ah, Theo yêu cầu của thấy em phải dùng FET, và mạch Colpitts, nên em mới nghiên cứu cái này
Cảm ơn
Em đang làm đồ án về mạch RF phát 30Mhz, mạch dao động là Colpitts, em tìm trên wikipedia được cái mạch này để bắt đầu tìm hiểu, nhưng vấn đề của em là cái NPN em ko bik được thông số (phần mềm mô phỏng do trường đưa)

Theo như mạch thì fout = 50Mhz, em chạy ra cũng dc tầm 56Mhz, nhưng em ko thắc mắc cái này, cái em cần là tại sao áp ra quá thấp. Theo như em đo là thì chỉ có 6.4uVx2(p-p). Em đổi R2 lên 15K thì áp ra tăng lên dc 9.5 uV. Em muốn hỏi làm thế nào để có thể chỉnh dc áp ra như mình mong muốn( ví dụ em muốn tầm 1V(p-p)) thì làm sao?
Kiến thức của em về hoạt động NPN ko dc vững cho lắm, có người bảo em giảm Re, em cũng thử giảm Re còn 1.5K thì áp tăng dc lên 23.04uV. Nhưng em ko hiểu tại sao lại dc như thế

Mạch thứ 2 dùng FET, em cũng có cùng thắc mắc, áp ra cũng cực kỳ thấp. Vdd =3V, Vbias =1.5V. Áp ra 670 nV. Em thử chỉnh Vbias nhưng ko có nhiều thay đổi, khi em tăng Idc lên 10mA, thì áp ra lên dc 5V( nhưng dạng sóng ra méo mó). em cũng chỉ cần áp ra 1V là ok.
Bác có thể giải thích đôi chút về hoạt động của mạch dùm em dc ko, hoặc có tài liệu gì cho em đọc thể hiểu thêm. Em rối quá, đọc 2 tuần rồi mà thua, nên mới lên hỏi
Ah, Theo yêu cầu của thấy em phải dùng FET, và mạch Colpitts, nên em mới nghiên cứu cái này
Cảm ơn

Comment